电脑桌面
添加小米粒文库到电脑桌面
安装后可以在桌面快捷访问

地库顶板防水施工方案VIP免费

地库顶板防水施工方案_第1页
1/11
地库顶板防水施工方案_第2页
2/11
地库顶板防水施工方案_第3页
3/11
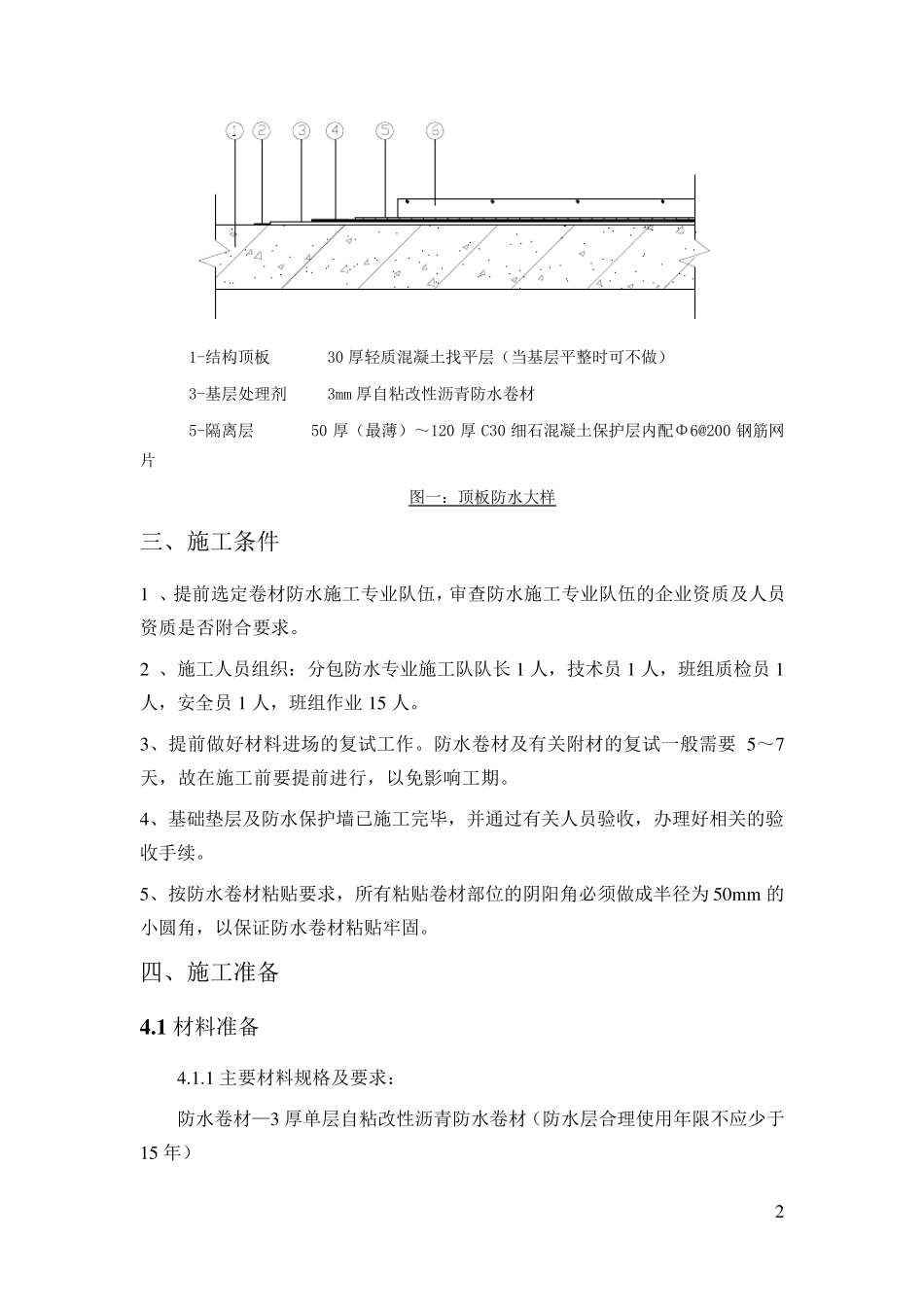
1 x x 名居地库顶板防水施工方案 一、编制依据及原则 1、 《地下工程防水技术规范》 GB 50108-2008 2、 《地下防水工程质量验收规范》GB 50208-2002 3、 《弹性体改性沥青防水卷材》GB 18242-2008 4、 《聚氨酯防水涂料》GB/T19250-2003 5、 建筑、结构施工图纸。 二、防水设计概况 2 .1 结构设计概况 xx名居住宅项目共有 9 栋住宅楼,在设计上地下部分由地下车库和地下室将各栋楼连为一体。地下车库顶板采用后张法预应力钢筋混凝土无梁楼盖结构体系,顶板厚度 450mm,采用 C35 混凝土。平面内设置有沉降后浇带。沉降后浇带两侧结构单元基本稳定后再进行浇筑,浇筑前需征得设计人员同意方可浇筑。 2 .2 防水设计做法 地下车库防水等级Ⅱ级,两道设防,第一道为钢筋混凝土刚性自防水,第二道设柔性防水层,采用 3 厚单层自粘性改性沥青防水卷材,采用外防外贴法。 1)车库顶板防水采用 3 厚自粘性改性沥青防水卷材,防水卷材从车库顶板下返 500mm。 2)车库顶板遇楼座、风井、采光井处,防水做至阳台底面,无阳台做至原建完成面标高以上 300mm。 3)车库顶板后浇带均设置附加层(附加层采用 3mm 厚聚氨酯,内设网格布,且两侧各伸过后浇带 500mm)。 设计做法见下图: 2 1-结构顶板 30 厚轻质混凝土找平层(当基层平整时可不做) 3-基层处理剂 3mm 厚自粘改性沥青防水卷材 5-隔离层 50 厚(最薄)~120 厚C30 细石混凝土保护层内配Φ6@200 钢筋网片 图一:顶板防水大样 三、施工条件 1 、提前选定卷材防水施工专业队伍,审查防水施工专业队伍的企业资质及人员资质是否附合要求。 2 、施工人员组织:分包防水专业施工队队长 1 人,技术员 1 人,班组质检员 1人,安全员 1 人,班组作业 15 人。 3、提前做好材料进场的复试工作。防水卷材及有关附材的复试一般需要 5~7天,故在施工前要提前进行,以免影响工期。 4、基础垫层及防水保护墙已施工完毕,并通过有关人员验收,办理好相关的验收手续。 5、按防水卷材粘贴要求,所有粘贴卷材部位的阴阳角必须做成半径为50m m 的小圆角,以保证防水卷材粘贴牢固。 四、施工准备 4 .1 材料准备 4.1.1 主要材料规格及要求: 防水卷材—3 厚单层自粘改性沥青防水卷材(防水层合理使用 年 限 不应 少 于15 年 ) 3 单 组 份 聚 氨 酯 防 水 涂 料 — 用 于 后 浇 带 和 加 强 带 防 水 ...

1、当您付费下载文档后,您只拥有了使用权限,并不意味着购买了版权,文档只能用于自身使用,不得用于其他商业用途(如 [转卖]进行直接盈利或[编辑后售卖]进行间接盈利)。
2、本站所有内容均由合作方或网友上传,本站不对文档的完整性、权威性及其观点立场正确性做任何保证或承诺!文档内容仅供研究参考,付费前请自行鉴别。
3、如文档内容存在违规,或者侵犯商业秘密、侵犯著作权等,请点击“违规举报”。

碎片内容

地库顶板防水施工方案

小辰8+ 关注
实名认证
内容提供者

出售各种资料和文档

确认删除?
VIP
微信客服
  • 扫码咨询
会员Q群
  • 会员专属群点击这里加入QQ群
客服邮箱
回到顶部