电脑桌面
添加小米粒文库到电脑桌面
安装后可以在桌面快捷访问

基岩帷幕灌浆施工VIP免费

基岩帷幕灌浆施工_第1页
1/22
基岩帷幕灌浆施工_第2页
2/22
基岩帷幕灌浆施工_第3页
3/22
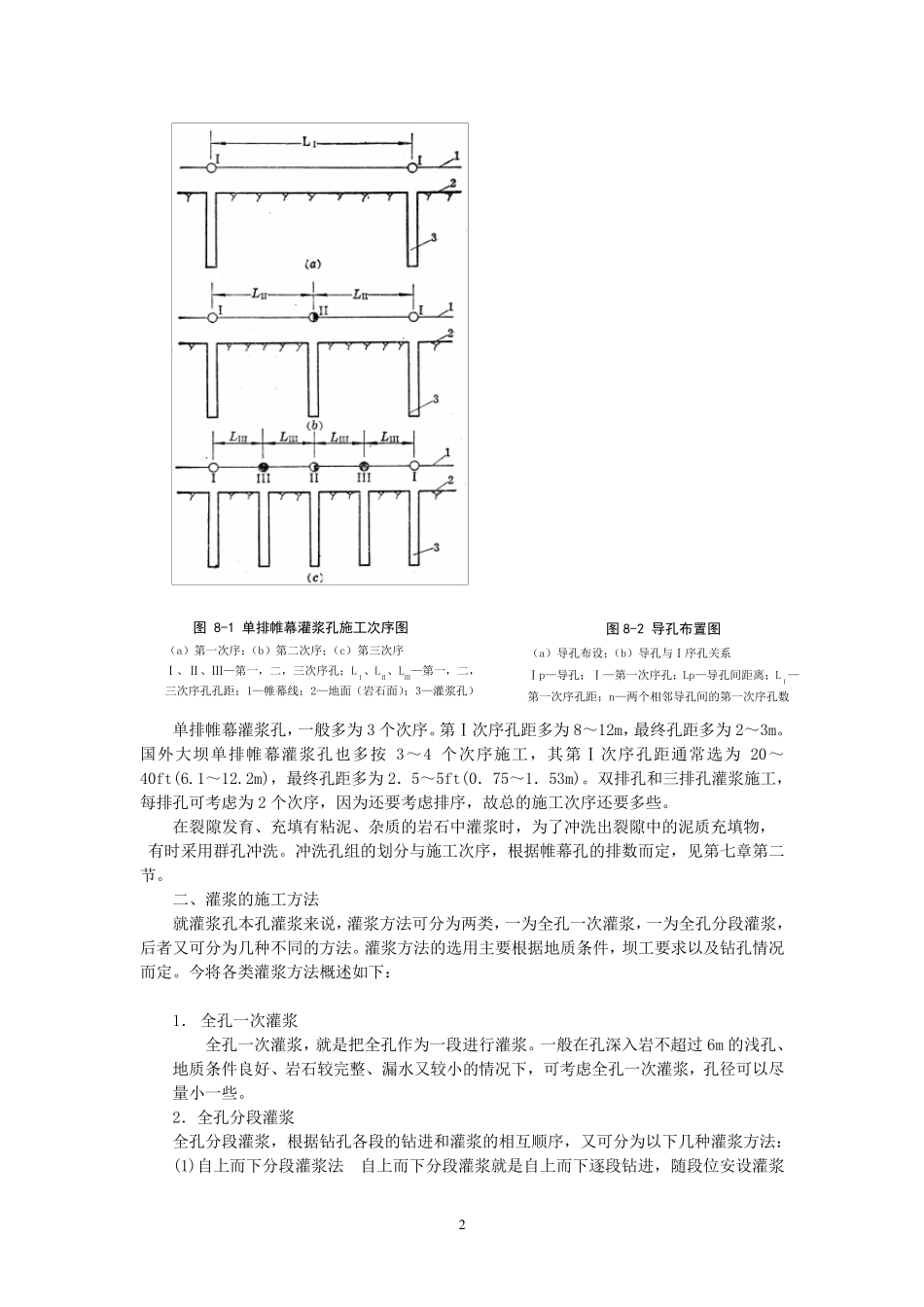
1 基岩帷幕灌浆施工 灌 浆 实 践 表 明 , 既 使 是 优 良 的 防 渗 帷 幕 设 计 , 也 需 要 通 过 精 心 的 灌 浆 施 工 , 才 能 获 得 理想 的 灌 浆 效 果 。 钻 孔 灌 浆 施 工 人 员 不 仅 需 要 有 熟 练 的 技 术 ,还 需 有 针 对 不 同 情 况 采 取 相 应 有 有 效 措 施 的丰 富 经 验 , 而 更 重 要 的 是 , 钻 孔 灌 浆 施 工 队 伍 应 有 良 好 的 素 质 和 朴 实 的 施 工 工 艺 作 风 。 灌 浆 工 作 一 定 要 细 致 、 认 真 ; 要 严 格 地 依 照 技 术 要 求 进 行 施 工 ; 原 始 记 录 一 定 要 清 楚 、准 确 、 如 实 地 反 映 施 工 的 情 况 和 所 遇 到 的 问 题 ; 施 工 过 程 中 , 一 定 要 及 时 整 理 资 料 , 分 析 资料 。 通 过 施 工 实 践 , 若 对 灌 浆 设 计 、 灌 浆 技 术 要 求 和 灌 浆 施 工 工 艺 有 什 么 意 见 , 宜 主 动 提 出 ,与 设 计 和 监理 协商、 研究, 共同 解决。 总括起来说, 灌 浆 施 工 应 做到 :“严 格 , 认 真 , 实 事求 是 , 一 丝不 苟”。 第一节 灌浆的施工次序与施工方法 一 、 灌 浆 的 施 工 次序 1.灌 浆 施 工 次序的 原 则 灌 浆 施 工 次序的 原 则是 逐序缩小孔 距, 即钻 孔 逐渐加密。 逐渐加密的 优 点 是 :浆 液 逐渐挤 密压 实 , 可 以 促 进 灌 浆 帷 幕 的 连 续 性 和 完 整 性 ; 能 够 逐序升 高 灌 浆 压 力 , 有 利 于 浆 液 的 扩 散 和 提 高 浆 液 结 石 的 密实 性 ; 根 据 对 各 次序孔 的 单 位 注 入量 和 透 水 率 的 分 析 , 可 起到 反 映 灌 浆 情 况 和 灌 浆 质 量 的 作 用 , 为 增 、 减 灌 浆 孔 提 供 论 据 ; 减少 邻 孔 串 浆 现 象 , 有 利 于 施 工 。 2.帷 幕 孔 的 灌 浆 次序 大 坝 基 岩 防 渗 帷 幕 通 常 是 由 一 排 孔 、 二 排 孔 、 或 三 排 孔 构 成 , 多 于 三 排 孔 的 比 较 少 。 (1)多 排 孔 帷...

1、当您付费下载文档后,您只拥有了使用权限,并不意味着购买了版权,文档只能用于自身使用,不得用于其他商业用途(如 [转卖]进行直接盈利或[编辑后售卖]进行间接盈利)。
2、本站所有内容均由合作方或网友上传,本站不对文档的完整性、权威性及其观点立场正确性做任何保证或承诺!文档内容仅供研究参考,付费前请自行鉴别。
3、如文档内容存在违规,或者侵犯商业秘密、侵犯著作权等,请点击“违规举报”。

碎片内容

基岩帷幕灌浆施工

确认删除?
VIP
微信客服
  • 扫码咨询
会员Q群
  • 会员专属群点击这里加入QQ群
客服邮箱
回到顶部