土石方工程报验申请表 工程名称: 秭归县生活垃圾资源化利用项目一期工程 编号: 致: 宜昌天宇工程咨询有限公司(监理单位) 我单位已...
1 土方路基开挖 A. 施工方法 a. 恢复定线,放出边线桩,对不同路段采取不同的施工方法。 b. 对较短的路堑采用横挖方法,路堑深度不...
第 1 页 共 7 页 工程量计算规则公式汇总 一、平整场地: 建筑物场地厚度在±30cm以内的挖、填、运、找平. 1、平整场地计算规则 ...
土方开挖雨季施工方案1、施工准备工作(1)勘查现场,清除地面及地上障碍物。(2)保护测量基准桩,以保证土方开挖标高位置与尺寸准确无误...
2 目 录 一、 工程概况 ........................................................................... - 1 - 1、基本情况 .......
土方开挖、基坑支护及降水安全专项施工方案 x x x x x x x 建筑装饰工程有限公司 1 新 平 县 农 业 局 、畜牧兽医局 站所...
第 1 页 共 80 页 土 方 开 挖 施 工 方 案 (范 本 5 份 ) 土 方 开 挖 施 工 方 案 ( 一 ) : 一 、 ...
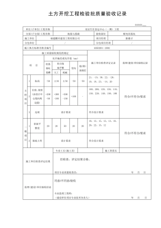
土方开挖工程检验批质量验收记录 010101 单位(子单位)工程名称 龙岩汽车客运中心(一期)工程 分部(子分部)工程名称 地基与基础 验收...
1 施工组织设计(方案)报审表 工程名称:鹤源电力(集团)有限公司10#住宅楼 致: 河南立新监理咨询有限公司 (监理单位) 我方已根...
土方开挖施工合同 发包人:__________(以下简称甲方)承包人:__________(以下简称乙方) 依照《中华人民共和国合同法》、《中华人民共和国...
遵义市新蒲新区礼仪社区平庄农贸市场建设项目 土石方工程扬尘控制施工方案 1 目 录 一、编制依据 二、工程概况 三、组织保证措施 ...
目 录 第 一 章 工 程 概 况 ...........................................................................................2 ...
蓝天公寓1#地块土方开挖施工方案 页脚内容- 1 - 土方工程施工方案 一、工程概况 旭化成精细化工(南通)有限公司年产 3400 吨水性...
- 1 - 技术要求 一、工程概况 1.1 工程名称: 1.2 项目地点: 1.3 基础形式: 主体结构形式: 1.4 总建筑面积: 1.5 基础埋...
B13 工程 监理实施细则 (土方工程施工质量监理细则) 内容提要: 专业工程特点 监理工作流程 监理工作控制目标及控制要点 监理工...
土方开挖工程量计算公式 圆柱体:体积=底面积×高 长方体:体积=长×宽×高 正方体:体积=棱长×棱长×棱长. 锥 体: 底面面积×高...
土方开挖工程危险源辨识 1 适用范围 土方开挖工程是指开挖深度超过五米(含五米)的基坑、沟槽的土方开挖。公司在关于危险性较大的分部...
三江平原乌苏镇灌区近期工程引渠工程 土 方 开 挖 预 防 监 控 措 施 和应急预 案 黑龙江省水利四处工程有限责任公司 2 0 ...
.. . .下载可编辑 . . 专业工程分包施工合同 合同编号: 承合字 2012 第 工程名称 : 发包方(简称甲方): 承包方(简称乙方)...
XXX 综合楼工程 土方开挖配合及余土开挖方案 编制人: 审核人: 审批人: XXX 项目部 XXXX.XX.XX 土方开挖配合及余土开挖方案 一...

