电脑桌面
添加小米粒文库到电脑桌面
安装后可以在桌面快捷访问

QCSG表1--B.04岩石、掏挖基础分坑与开挖--分项工程质量验收记录VIP免费

QCSG表1--B.04岩石、掏挖基础分坑与开挖--分项工程质量验收记录_第1页
1/3
QCSG表1--B.04岩石、掏挖基础分坑与开挖--分项工程质量验收记录_第2页
2/3
QCSG表1--B.04岩石、掏挖基础分坑与开挖--分项工程质量验收记录_第3页
3/3
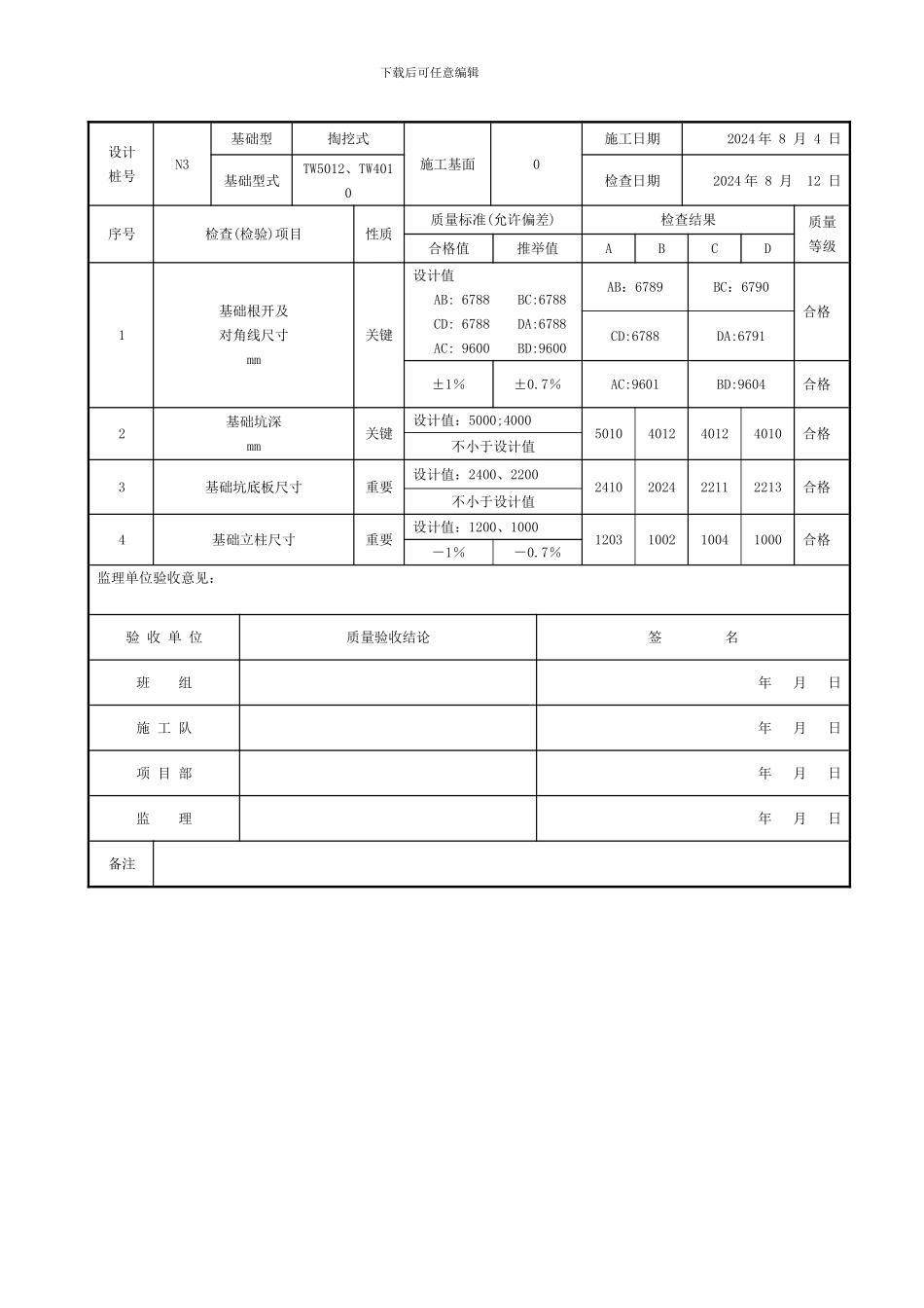
下载后可任意编辑【H003】Q/CSG 表 1- B.04 岩石、掏挖基础分坑与开挖 分项工程质量验收记录(线土 4) 工程编号:1.1.4 Q/CSG 表 1- B.04 设计桩号N1基础型掏挖式施工基面B:2 C:0A:3 D:3施工日期2024 年 7 月 22 日基础型式TW5012检查日期2024 年 7 月 30 日序号检查(检验)项目性质质量标准(允许偏差)检查结果质量等级合格值推举值ABCD1基础根开及对角线尺寸mm关键设计值AB: 5688 BC:6018CD: 5798 DA:5468AC: 8199 BD:8044AB:5689BC:6021合格CD:5799DA:5467±1%±0.7%AC:8201BD:8046合格2基础坑深mm关键设计值:50005010501250155010合格不小于设计值3基础坑底板尺寸重要设计值:24002410241224112400合格不小于设计值4基础立柱尺寸重要设计值:12001200120412021205合格-1%-0.7%监理单位验收意见:验 收 单 位质量验收结论签 名班 组 年 月 日施 工 队年 月 日项 目 部年 月 日监 理年 月 日备注【H003】Q/CSG 表 1- B.04 岩石、掏挖基础分坑与开挖 分项工程质量验收记录(线土 4) 下载后可任意编辑工程编号:1.1.4. Q/CSG 表 1- B.04 设计桩号N2基础型掏挖式施工基面B:3 C:0A:2 D:0施工日期2024 年 7 月 24 日基础型式TW5012、TW4010检查日期2024 年 7 月 30 日序号检查(检验)项目性质质量标准(允许偏差)检查结果质量等级合格值推举值ABCD1基础根开及对角线尺寸mm关键设计值AB: 5578 BC:5798CD: 6128 DA:5908AC: 8355 BD:8199AB:5579BC:5800合格CD:6130DA:5910±1%±0.7%AC:8357BD:8200合格2基础坑深mm关键设计值:5000、40005013501040124011合格不小于设计值3基础坑底板尺寸重要设计值:2400、22002415241022132212合格不小于设计值4基础立柱尺寸重要设计值:1200、10001203120210011004合格-1%-0.7%监理单位验收意见:验 收 单 位质量验收结论签 名班 组 年 月 日施 工 队年 月 日项 目 部年 月 日监 理年 月 日备注【H003】Q/CSG 表 1- B.04 岩石、掏挖基础分坑与开挖 分项工程质量验收记录(线土 4) 工程编号:1.1.4. Q/CSG 表 1- B.04 下载后可任意编辑设计桩号N3基础型掏挖式施工基面0施工日期2024 年 8 月 4 日基础型式TW5012、TW4010检查日期2024 年 8 月 12 日序号检查(检验)项目性质质量标准(允许偏差)检查结果质量等级合格值推举值ABCD1基础根开及对角线尺寸mm关键设计值AB: 6788 BC:6788CD: 6788 DA:6788AC: 9600 BD:9600AB:6789BC:6790合格CD:6788DA:6791±1%±0.7%AC:9601BD:9604合格2基础坑深mm关键设计值:5000;40005010401240124010合格不小于设计值3基础坑底板尺寸重要设计值:2400、22002410202422112213合格不小于设计值4基础立柱尺寸重要设计值:1200、10001203100210041000合格-1%-0.7%监理单位验收意见:验 收 单 位质量验收结论签 名班 组 年 月 日施 工 队年 月 日项 目 部年 月 日监 理年 月 日备注

1、当您付费下载文档后,您只拥有了使用权限,并不意味着购买了版权,文档只能用于自身使用,不得用于其他商业用途(如 [转卖]进行直接盈利或[编辑后售卖]进行间接盈利)。
2、本站所有内容均由合作方或网友上传,本站不对文档的完整性、权威性及其观点立场正确性做任何保证或承诺!文档内容仅供研究参考,付费前请自行鉴别。
3、如文档内容存在违规,或者侵犯商业秘密、侵犯著作权等,请点击“违规举报”。

碎片内容

QCSG表1--B.04岩石、掏挖基础分坑与开挖--分项工程质量验收记录

您可能关注的文档

范哲铺+ 关注
实名认证
内容提供者

想你所想,急你所急,你需要的都在店铺里可以找到。

确认删除?
VIP
微信客服
  • 扫码咨询
会员Q群
  • 会员专属群点击这里加入QQ群
客服邮箱
回到顶部