起重吊装方案一、背景起重吊装是指在现场使用吊装设备将重物进行移动、安装、拆卸等作业过程的总称。在一些繁重、危险、复杂的场合,如工厂...
起重吊装施工安全技术措施1、凡参加施工的人员,必须熟悉起吊方法和工程内容,按方案要求进行施工,并严格执行规程、法律规范。 2、在施...
起重吊装工程的预防监控措施1、施工之前必须编制专项施工方案。凡属危险性较大的起重吊装工程必须由公司总工程师组织有关专家进行现场考察...
起重吊装工程安全专项施工方案一、概况 准朔铁路工程 ZSXS-1 标桥梁、涵洞工程施工中,主要采纳16t、25t、35t 汽车吊、塔吊、浮吊等起...
起重吊装工程预防监控措施1、建筑物的出入口,升降机的上料口等人员集中处的上方,应当设置防护棚。防护棚的长度不应小于防护高度的物体坠...
起重吊装安全监理措施1、 熟悉起重吊装作业的有关规定、标准 (1)《塔式起重机安全规程》(GB5144--1994) (2)《起重机械安全规程》(GB6...
起重吊装安全生产控制措施(1)起重指挥应当由技术熟练,懂得起重机械性能的人员经培训合格,持操作证上岗。指挥时应站在能够照顾到全面工...
起重吊装安全技术规定1 高处起重作业,必须按有关规定设置地面或区域性的警戒区,并有专人负责看管。施工时,应当设置供作业人员安全上下...
起重吊装安全预防控制措施1. 总则1.1 目的 为了进一步保证施工现场起重吊装工作顺利进行,保护操作者及他人人身安全,特制定本措施。1.2...
起重吊装安全的控制措施一、起重吊装管理1、根据施工现场平面布置图,起重吊装设备安装位置及周围环境,相关法规标准工程结构特点编制专项...
起重吊装安全资料主要内容写编要点(一)起重吊装作业方案(1)起重吊装应根据现场实际情况编制施工方案,施工方案要有施工方法的详细说明...
起重吊装安全管理由于涂装车间主要柱形为箱形柱,部分柱长达 27 米,单根构件重近 12 吨,柱脚为杯口连接,就位精度要求高,另外箱形的...
起重吊装安全作业指导书一、材料及主要机具:1、桁片:必须符合设计法律规范和要求,有检验报告单。2、钢丝绳:选用的钢丝绳必须符合 GB11...
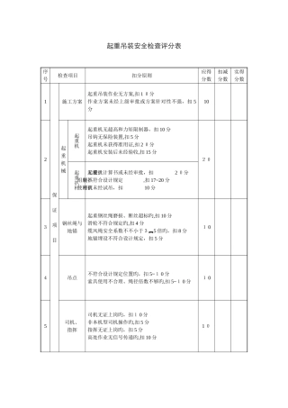
起重吊装安全检查评分表序号检查项目扣分原则应得分数扣减分数实得分数1保证项目施工方案起重吊装作业无方案,扣 1 0分作业方案未经上级...
起重吊装安全常识一、起重吊装属于危险作业,应有专项施工方案。为了防止意外事故的发生损害,应按要求在作业区周边设置警戒,并设明显标志...
起重吊装培训方案1. 背景介绍起重吊装工作是一个高风险的行业,其安全性和质量控制对于工程项目的成功至关重要。在中国,起重机器操作员必...
起重吊装作业预防监控措施一、加强全员的安全教育,使广阔员工牢固树立“安全第一,预防为主”的意识,克服麻痹思想,组织员工有针对性的学...
起重吊装作业安全监理1、施工中涉及到起重吊装作业的必须编制专项施工方案,方案应明确施工程序、吊装方法,必须要有明确的安全技术措施,...
起重吊装作业安全要求1 吊装质量大于 10t 的物体应办理《吊装安全作业证》。2 吊装质量大于等于 40t 的物体和土建工程主体结构,应编...
起重吊装危险作业防护措施一、基本要求1.工程主要使用移动式起重机吊装构件,吊装前必须先估量起重机进出现场和作业时占位地点及需要的高...

