1磷酸酯类阻燃剂生产工艺磷酸三(异丙基苯)酯(IPPP)、磷酸三(2-氯乙基)酯(TCEP)均涉及到国家安全总局公布的《首批重点监管的危险化工工艺目...
浅谈聚氨酯涂料用聚异氰酸酯固化剂的研究摘要:介绍了二异氰酸酯单体、聚异氰酸酯、水可分散型聚异氰酸酯和封闭型聚异氰酸酯的合成、性能和...
克林霉素磷酸酯注射液以下内容仅供参考,请以药品包装盒中的说明书为准。妊娠:B哺乳:L2克林霉素磷酸酯注射液说明书请仔细阅读说明书并在...
第三章烃的含氧衍生物第三节羧酸酯(第二课时)二.酯1.定义:酸和醇发生反应生成的一类有机化合物。饱和一元羧酸酯的通式:CnH2nO22.物理性质...
第三章烃的含氧衍生物第三节羧酸酯(第一课时)(1)甲酸HCOOH(蚁酸)(2)苯甲酸C6H5COOH(安息香酸)(3)草酸HOOC-COOH(乙二酸)(4)羟基酸:...
第一部分化学品及企业标识化学品中文名:六亚甲基二异氰酸酯化学品英文名:hexamethylene-di-isocyanate;hexamethylenediisocyanatehexame...
抗静电隔热防腐聚天门冬氨酸酯涂料的研制:聚天门冬氨酸酯涂料是近年来在聚脲工业领域出现的一种新型脂肪族、慢反应和高性能双组分涂料,被...
基金项目:国家高技术研究发展计划(863计划)资助项目(2007AA06Z122)。作者简介:袁露(1985-),女,湖南汉寿人,硕士研究生,研究方向:精细化工。(...
1化妆品中8种邻苯二甲酸酯检测方法1范围本方法规定了使用气相色谱–质谱法测定化妆品中邻苯二甲酸二正戊酯(DnPP)、邻苯二甲酸二异戊酯(...
一:磷酸酯合成基础油的性能磷酸酯分为正磷酸酯和亚磷酸酯两类,其中正磷酸酯又可分为伯、仲、叔磷酸酯,适于作合成油使用的主要是叔磷酸酯...
磷酸酯表面活性剂系列浏览原图发布时间:2011-3-7详细信息磷酸酯表面活性剂系列:郝亮13969315240磷酸酯表面活性剂--1脂肪醇聚氧乙烯醚磷...
资料内容仅供您学习参考,如有不当之处,请联系改正或者删除----完整版学习资料分享----课题:第三章烃的含氧衍生物第三节《羧酸酯》教学设...
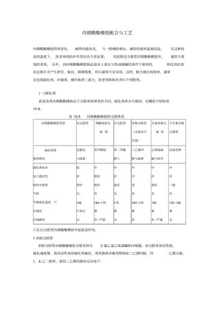
丙烯酸酯橡胶配合与工艺丙烯酸酯橡胶的用老化、耐热性能优良,与一般橡胶相比,通常的使用温度较高。在这种较高的温度下,防老剂的防护作用...
乳液性能检测方法(1)固含量的测定(2)粘度的测定(3)PH的测定(4)筛余物的测定(5)粒径的测定(6)残余单体的测定(7)最低成膜温度...
沈阳理工大学课程设计专用纸沈阳理工大学成绩评定表学生姓名刘班级学号13080502**专业化学课程设计题目丙烯酸酯防雾剂的制备评语组长签字:...
i/ii磷酸酯表面活性剂系列浏览原图发布时间:2011-3-7详细信息磷酸酯表面活性剂系列:XX磷酸酯表面活性剂--1脂肪醇聚氧乙烯醚磷酸酯/盐:AE...
第三章烃的含氧衍生物第三节羧酸酯一、羧酸:1、定义:从结构上看,由烃基和羧基相连组成的有机物。2、羧酸的分类(1)按烃基种类脂肪酸芳...
第三章第三节羧酸酯(教案)【课型】新授课【三维目标】(以学生行为能力设置知识、能力和情感目标)1、知识与技能:掌握乙酸的化学性质,理...
硝酸酯在心血管疾病中规范化应用的专家共识中华医学会心血管病学分会中华心血管病杂志编辑委员会hhxxl整理有机硝酸酯(organicnitrates,简...
硝酸酯类药物静脉应用建议修改稿硝酸酯类药物是心血管疾病治疗中最古老、也是应用最广泛的药物之一。尽管对于硝酸酯类药物的药理、药代动力...

