娱乐空间设计》教学大纲适用专业:环艺年级:三年级课时:64 学时学年学期:2010 任课教师:盛浩编写时间:第一章娱乐空间设计概况基本内...
环境艺术设计 室 内 空 间 设 计 室 内 设 计 系 统目录( content ) 一、室内空间环境中的感知规律 二、室内空间的类型...
服装店空间设计如何营造“她”的时尚氛围当今品牌林立,商品过剩,市场竞争白热化加剧,塑造品牌个性风格,创造良好的购物环境已是所有品牌...
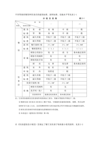
不同等级的餐馆和饮食店的建筑标准、面积标准、设施水平等见表 2-1 分 级 及 设 施 表 2-1级 别类别 标准及设施一二三餐馆服 务...
创意家具--节约空间设计 壁床 隐形床来自西班牙的设计公司——BM2000,专门研究年轻人所使用的家具,图中是基于其理念:实用、简单、愉快...
空间设计建筑空间组织方式课件目录•空间设计概述•建筑空间组织方式•空间设计的应用•空间设计案例分析•总结与展望01空间设计概述0102空...
授课教师:2014.10中式餐厅、西式餐厅、宴会厅、快餐厅、风味餐厅、酒吧、咖啡厅、茶室等1、小型:一般指100m2以内的餐饮空间,这类空间功能...
住宅空间厨房设计住宅空间厨房设计厨房设计厨房设计厨房是家居环境中操作密度最高的空间,厨房设计的基本要求是,科学合理地安排炊具、厨具...
展示空间设计与搭建一、会展空间的构成形式•视觉的分隔:•生理上:墙面、楼层的分隔•心理上:空间虚拟结构、色彩、灯光照明等。休闲空间...
商业空间设计——餐饮空间设计餐饮空间的经营内容中式餐厅西式餐厅宴会厅快餐厅风味餐厅酒吧咖啡厅茶室……餐饮空间分类餐饮空间的规模大小...
主讲:李凤华居住空间设计本课程为室内设计专业的专业必修课。本课程通过对学生的理论讲授和课题训练,使学生基本了解居住空间的功能分区、...
日式餐厅姓名:宋静学号:121401140104班级:环艺12-1指导老师:程华目录1、日本料理的历史背景2、日本料理的介绍3、日式店铺分析古代(奈...
商业空间①商业具有很广泛的内容,一般可以分为销售食品、服装的商品销售业,经营饭店、饮食店的餐饮业,以及提供清扫服务等内容的服务业等...
商业空间设计马骅龙一、动线设计大家猜一猜这所建筑底层商店是卖什么产品的?这个45平米的空间由elipsdesign设计,打造成一个意大利海滩田...
设计思维的形成与作用潭州室内设计学院——工装VIP高级课程咨询老师—菲儿QQ:492180216主讲老师—肖晗無山售后客服—安琪QQ:919797499思维...
MODERNCOMMERCIALEXHIBITIONDESIGN现代商业展示设计PART1…展示概述PART2…空间构成PART3…展示的设计程序及设计表达PART6…展示中的人体工...
第一节平面的布局及规划办公空间的组合与划分,在某种意义上讲,就是根据使用功能对办公空间进行各种各样的分隔和联系,为使用者提供良好的...
室内空间设计第一章室内空间的概念1、空间是建筑的主体,室内设计是对建筑空间的再创造。建筑与人们的生活是最为密切和广泛,创造一个适合...
室内设计Ⅰ-—居室空间设计第一章生活空间的基本概念及发展生活空间和人们的生活联系紧密,是人们基本生活要素之一。随社会经济的发展,生...
南昌工程学院毕业设计(论文)**********系(院)***********专业毕业设计(论文)题目星空主题餐厅空间设计学生姓名*********班级**********...

