龙泉镇四家池小学家校合作共育”工作实施方案家校合作共育是市基础教育改革“十大行动”的有机组成,更是学校工作的重要容之一,是学校和家...
文档大全A2施工组织设计(方案)报审表工程名称:放射性废物处理中心建设工程编号:致:北京四达贝克斯工程监理有限公司FWZX监理部(监理单...
精彩文档-1--1--1--3-4.1-3-4.2-3--3-5.1-3-5.2-4--5-6.1-5-6.2-7--8-7.1-8-7.3-10-7.4-17-7.5-21--24-8.1-24-8.2-25--26-123456789精彩文...
水质检测方案设计水是生命之源,人类在生活和生产活动中都离不开水,生活饮用水水质的优劣与人类健康密切相关。以下是水质检测方案设计,欢...
文案大全车间员工培训方案为了车间设备的合理使用和正确保养,加强车间的生产管理,全面提高车间员工的操作技能水平,提高车间的生产能力和...
镍精馏熔炉维修方案设计东北化工建设(大连)有限公司第1页共28页镍精馏熔炉维修方案设计镍精馏电弧熔炉维修方案设计编制:李广立审核:孙...
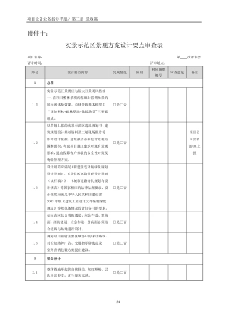
项目设计业务指导手册//第三册景观篇34附件十:实景示范区景观方案设计要点审查表项目名称:第次评审会评审时间:评审地点:序号设计要点内...
温室大棚方案设计黄屯村门户网站oa.ahxf.gov.cn2010年10月26日来源:黄屯村【字体:大中小】【推荐发送】【点击:12579次】一、方案概述根...
1机场楼宇自控系统方案设计1.1楼宇自控系统1.1.1概述某国际机场二期扩建工程楼宇自控系统是对机场区的制冷换热系统、空调通风系统、变配电...
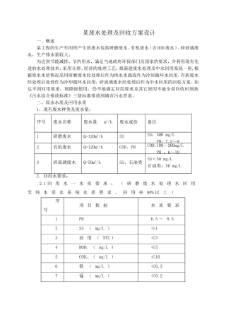
某废水处理及回收方案设计一、概述某工程的生产车间所产生的废水包括研磨废水、有机废水(含BOD废水)、碎玻璃废水,生产排水量较大。为达...
楼宇自控系统的方案设计及运用(1)照明系统的节能控制照明系统能耗很大,在本项目中照明系统的耗电量约占总用电量的30%,仅次于冷冻站及空...
第27卷第1期2004年2月鞍山科技大学学报JournalofAnshanUniversityofScienceandTechnologyVol.27No.1Feb.,2004某大学图书馆沉降观测方案设计...
连栋智能温室方案设计我的温室网071.cn2010年10月26日编辑:吴效伟【字体:大中小】【推荐发送】【点击:5649次】一、方案概述根据当地的气...
文案大全为改善环境,减少污染,致力于将燃煤锅炉改造为燃烧生物能源(生物质固体成型燃料)锅炉。其改造方案主要为利用原有或闲置的链条炉...
“999感冒灵颗粒”品牌营销方案》学院:专业:姓名:学号:指导教师:提交时间:年月日前言1一、“999感冒灵颗粒”的营销环境分析1(一)“...
文案大全AQ13-1扬尘污染防治专项方案北京币欣路筒!=*施工单位:北京市市政四建设工程有限责任公司工程名称:固原市海绵城市建设道路项目一...
“节约用水”综合实践活动方案设计【活动背景】水是生命的源泉,生命最早岀现在水中,水是文明的摇篮,著名的河流和湖泊往往孕育着人类辉煌...
文档中学校本课程规划方案为了进一步深化我校课程改革,构建具有鲜明学校特色的课程体系,为学生提供更多的有效课程选择,充分发展学生的个...
明渠流量监测系统方案设计北京金水中科科技有限公司2011年10月10日1一、系统网络结构及组成二、明渠流量计的种类及选型(测流方法及选择)...
文案大全梧州环城公路土建3-2工区动力触探试验方案编制审核审批检测内容:软基处理段的地基均匀性、密实性及其承载力检测中国十七冶集团有...

