CA 砂浆制备及灌注工艺为了使板式轨道具有一定的弹性,并固定轨道结构的位置,在混凝土底座和轨道板之间,以及凸形挡台周围填充缓冲材料层...
武汉工程大学电子线路 CA 的课程设计任务书电子线路 CAD 课程设计(学年论文) 任务书 课题名称: 电子线路 CAD 课程设计 学生学...
CA 体系完善互联网电子商务系统安全管理论文CA 体系完善互联网电子商务系统安全管理论文 编者按:本文主要从网络安全问题;计算机网络安...
1 零件的分析 2 工艺规程设计3 夹具设计 4 总结1 零件的分析1.1 零件的作用CA6140 卧式车床上的法兰盘,为盘类零件,用于卧式车床...
目 录摘要.......................................................iAbstract...................................................ii第...
节能评估表 密级:受控文件编号:山东******有限公司10000 吨/年 CA 联产 10000 吨/年 TCCA 项目合理用能评估报告******目录第一章...
节能评估表 密级:受控文件编号:山东******有限公司10000 吨/年 CA 联产 10000 吨/年 TCCA 项目合理用能评估报告******二○○八年...
摘 要随着近些年科学技术的迅猛发展,科技创新是企业生存之本,研发人员成为企业的重要生产力,尤其对于信息安全这一新兴行业,研发能力的...
探究 CA 体系的电子商务随着互联网的不断进展,电子商务在全球贸易市场上异军突起,并已经深化到经济社会中的各个角落。许多国家政府部门...
IEnnnnnnnnnnnnnnnnnnnnnnllllllllllllllllnnnnnnnnnnnnnnnnnnnnnnnnnnnnnnnnnnnnnnnnnnnnnnnnnnnnnnnnnnnnnnnnnnnnnnnnnnnnnnnnnnnnnnnnnC...
CA 认证安全解决方案吉大正元信息技术股份有限公司CA 认证安全解决方案吉大正元信息技术股份有限公司第 1 页CA 认证安全解决方案JIT吉...
国税网上办税 CA 设备操作指南1CA 设备使用前必读(重要)1.1 请您登陆 CA 设备外壳印刷的网址 s://wsbs.hb-n-tax.gov.cn,点击"CA...
Windows Server 2024 上使用 IIS 搭建 WEB 服务器、客户端的数字证书应用(一)一、什么是数字证书及作用?数字证书就是互联网通讯...
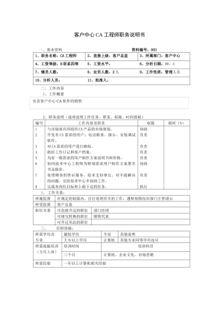
客户中心 CA 工程师职务说明书一、基本资料 资料编号:0031、职务名称:CA 工程师2、直接上级:客户总监3、所属部门:客户中心4、工资...
第四节 博星卓越 CA 认证子系统CA 认证介绍:数字证书简称证书,是 PKI 的核心元素,由认证机构服务者签发,它是数字签名的技术基础...
CA 体系完善互联网电子商务系统安全管理论文 编者按:本文主要从网络安全问题;计算机网络安全体系;商务安全要求;电子商务安全交易标准...
深圳 CA 医疗解决方案一、 背景.....................................................................................................
CA6140 车床后托架加工工艺及夹具设计学生姓名:学生学号:院(系): 机电工程学院 年级专业: 机械制造及自动化 指导教师:二〇〇六...
天津理工大学实验报告学院(系)名称:计算机与通信工程学院姓名吕帅霖学号20245872专业网络工程班级1 班实验题目实验 2:基于 CA 的安全...
电子钥匙(CA证书)安装使用说明 前言 大连市住房公积金管理中心目前在网上提供6类业务,如下:公共查询系统、公积金卡业务系统、单位业...

