株洲天胜机电设备有限作业指导书2015— 01— 07 发布 2011— 01— 08 实施折弯通用作业指导书文件编号TS/QS06.04-2015 文件版本A ...
株洲天胜机电设备有限作业指导书2015— 01— 07 发布 2011— 01— 08 实施折弯通用作业指导书文件编号TS/QS06.04-2015 文件版本A ...
SolidWorks 钣金的折弯或展开基础 1 、钣金的计算方法概论 钣金零件的工程师和钣金材料的销售商为保证最终折弯成型后零件所期望的尺寸...
单位:#可用单位 :类型:#可用类型 :材料:#厚度:10.200.400.500.801.001.502.003.004.00150.28300.57450.85601.13751.42901.701051.421201....
东莞市智盛达精密钣金制品有限公司数控折弯技术技术规定一﹐折床加工内容1﹐L 折按角度分为 90˚折和非 90˚折。按加工分普通加工(L>V/2...
折弯展开是钣金生产中非常重要的一环,现在为大家说说PROE中是如何得到展开系数的! 想要展开,必须先明白以下几个名词。如图 现在通常的...
钣金加工折弯压死边工艺,褶边展开计算汇总1 H≦2T 段差过渡处为非直线段两圆弧相切展开时, 取基体外侧两圆弧相切点处作垂线, 向内侧偏...
数控折弯机工作原理 折床工作范圍: 用於鐵、不銹鋼、銅、鋁等各類金屬鈑材的折彎成形, 以及用以作為壓力機來完成易模成形及壓鉚、校平、...
高低压开关柜母线制作与安装工艺守则 XXXX.973.008GY XXXX 电器制造有限公司 二○○七年二月 X X X X 电器 制造有限公司 高低压...
《回弹力》读后感:宁折弯,不折断 ——《回弹力》读后感 原创:王玲红 这两天感觉到了一种深深的挫败感,道理明明都懂,为什么还是没定...
钣金工艺规范及折弯机模具手册1 简介1.1 钣金所用材料常用材料有:冷轧板 SPCC、热轧板 SPHC、电解板 SECC、普通铝板及铝合金板AL1050...
1.范畴本原则规定了折弯工件展开尺寸的计算和折弯操作要点.本原则合用于数控折弯机.2安全注意事项2.1操作人员必须穿戴工作服、工作鞋、手套...
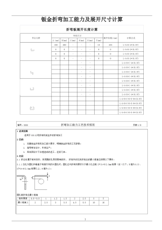
钣金折弯加工能力及展开尺寸计算A(mm)B(mm)C(mm)D(mm)E(mm)T(mm)100200---10284L=A+B-2*(0.8T)00---00L=A+B-2*(0.8T)00---00L=A+B-2*(0.8T...
钣金折弯工艺2016年1月北京月亮湾有限公司钣金折弯代替:共7页第1页1范围本守则规定了钣金折弯工艺要求、工艺质量、折弯件检验、操作安全等...
钣金折弯系数表钣金折弯系数钣金折弯跟展平时,材料一侧会被拉长,一侧被压缩,受到的因素影响有:材料类型、材料厚度、材料热处理及加工的...
钣金工艺规范及折弯机模具手册1简介1.1钣金所用材料常用材料有:冷轧板SPCC、热轧板SPHC、电解板SECC、普通铝板及铝合金板AL1050、AL5052-H3...
精心整理折床工作原理折弯就是将上、下模分别固定于折床的上、下工作台,利用液压伺服电机传输驱动工作台的相对运动,结合上、下模的形状,...
□□□□□□□□□a□□□□□□□□IDL□□□□□□90爼叮90°叮□□□□□□□□(L>V/2)□□□□□(LvV/2)□1>叮叮叮叮叮叮叮叮口2>□□...
自主学习合作交流探究创新主备人贺小刚上课时间总课时8单元课题横折弯和竖折折课型新授教学目标1、认识笔画横折弯和竖折折2、学习书写含有...
第1页共26页编号:时间:2021年x月x日书山有路勤为径,学海无涯苦作舟页码:第1页共26页模具行业应积极发展多功能复合模具中国模具行业要进...

