双峰聚乙烯生产技术及市场前景聚乙烯(PE)是通用合成树脂中产量最大的品种,产品包括低密度聚乙烯(LDPE)、线型低密度聚乙烯(LLDPE)、中密度聚...
2009年注册安全工程师考试试题--安全生产技术发布时间:2009-09-17关键词:安全工程师点击:推荐>>学习买书交流一、单项选择题(共50题,每...
生产技术系统科学理论摘要:文章以系统科学理论为指导,全面系统地分析研究了丰田公司的“准时化生产方式(JIT)”技术支撑体系,特别着重...
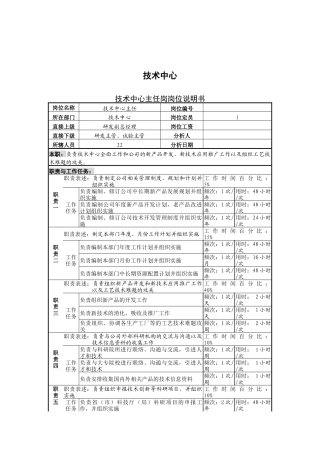
技术中心技术中心主任岗岗位说明书岗位名称技术中心主任岗位编号所在部门技术中心岗位定员1直接上级研发副总经理岗位工资直接下级研发主管...
2010年安全工程师考试《安全生产技术》练习题(1)2010-7-158:40【大中小】【打印】【我要纠错】1.刮削工件边缘时,近边缘落刀要(),远...
说明:1、此为水电厂生产岗位“培训标准”征求意见稿,请公司所属各发电厂根据自己的生产实际提出修改(整理)意见;2、对“培训标准”,认为...
ICS65.020.20备案号:262-2004广东省惠州市农业地方标准DB4413DB441300/T10—2004无公害蔬菜菜心生产技术规程2004-09-28发布2004-10-28实施...
内部资料注意保存保康核桃标准化生产技术保康县核桃产业领导小组办公室2011年10月编印目录一、标准建园技术二、田间管理技术三、整形修剪技...
有机种植基地生产管理目录第一章有机蔬菜种植的目标第二章发展的计划第三章有机蔬菜基地的建设环境要求一、基地环境二、对环境的监测三、污...
生活百科(十九)(调味品系列)一酱油生产技术...........................................................................................
2007级本科生生产技术实践总结建筑环境与设备工程专业07044205张硕2011年3月目录前言……………………………………………………………3一、...
6、浇筑离地面2米以上的桥面或盖梁时,应搭设脚手架,并设专人指挥。操作人员必须系好安全带。7、龙门吊浇筑混凝土时,吊斗要到位,不准用...
生鲜乳生产技术规程(试行)为严格实施《乳品质量安全监督管理条例》,规范生鲜乳生产过程中环境控制,饲料与饲养管理,挤奶操作,贮存与运...
建设工程安全生产技术(第二版)一、单选题(本题型每题有4个备选答案,其中只有1个答案是正确的。多选、不选、错选都不得分)1.土石根据其...
更多企业学院:《中小企业管理全能版》183套讲座+89700份资料《总经理、高层管理》49套讲座+16388份资料《中层管理学院》46套讲座+6020份...
一、总体目标1、到2012年,以天然气为原料的合成氨生产企业吨氨排水量约10立方米(先进企业吨氨排水量5立方米以下);以煤为原料的合成氨生...
作物生产技术专业人才培养方案专业代码510101依据国务院《关于加快发展现代职业教育的决定》(国发[2014]19号)、教育部《关于推进高等职...
一厂生产技术副厂长岗岗位说明书岗位名称一厂生产技术副厂长岗岗位编号所在部门一厂岗位定员1直接上级厂长岗位工资直接下级生产技术科科长...
制造本部本部长制造组主任制造部部长生产管理部部长部品管理组主任生产技术内勤生产线线长机动生产人员部品管理组人员理想科学公司制造部生...
第1页共56页编号:时间:2021年x月x日书山有路勤为径,学海无涯苦作舟页码:第1页共56页兴仁县兴顺煤矿安全生产技术管理制度第2页共56页第1...

