一、单选题(1x10)1、适合顾客比较集中的销售区域的设计方法是()A、按地理位置划分B、按产品划分C、按市场划分D、综合法2、销售人员绩效...
普通本科毕业设计题目:基于Java的烟草销售管理系统的设计与实现学院软件与通信工程学院学生姓名沈仝学号0093633专业软件工程届别2013届指...
企业在销售和销售管理中面临的主要问题张烜搏电话营销和销售是一种可以为企业带来更多利润的直销模式。为什么这么讲?先来看看目前国内企业...
肇莅薇羁芀膇薃羀罿蒃葿罿肂芆螇羈膄蒁蚃羇芆芄蕿肆羆葿蒅蚃肈节莁蚂膀蒈蚀蚁羀芁蚆蚀肂薆薂虿膅荿蒈虿芇膂螇蚈羇莇蚃蚇聿膀蕿螆膁莅蒅螅袁...
星级酒店服务培训第七章销售管理与公关活动技能培训第一节销售部岗位职责认知培训对象酒店销售部全体员工培训目的明确销售部各岗位员工工作...
乐购量贩营运、采购、销售管理原则纲要Revised:98-08-02一、商品行销:1.权责/行事准则:1)商品行销部门主管负食品(百货)商品采购、业...
目录一前期管理服务标准................................................................................................3(一)物业服...
一、填空选择判断,15×2'=30';1.销售目标在销售计划中居于中心地位。2.销售量是最常用、最重要的销售定额。3.SMART原则包括明确性(Speci...
目录1可行性研究..............................................................................................................11.1...
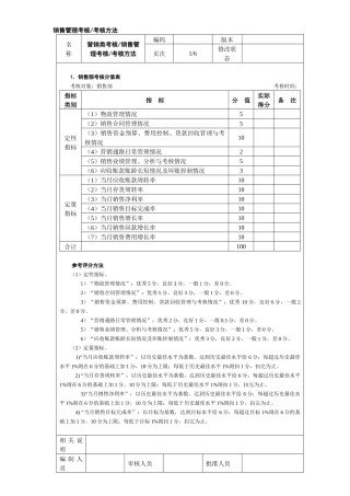
营销类考核—销售管理考核—考核方法名称营销类考核—销售管理考核—考核方法编码版本页次1—6修改状态1.销售部考核分值表考核对象:销售...
星级酒店服务培训第七章销售管理与公关活动技能培训第一节销售部岗位职责认知培训对象酒店销售部全体员工培训目的明确销售部各岗位员工工作...
营销公司年度工作项目表月份主要工作活动上旬中旬下旬一月二月三月四月五月六月七月八月九月十月十一月十二月月份客户状况表分公司(或办事...
销售经理》第八章:销售管理控制(上)第八章销售管理控制销售管理的控制作为实践的重要方法,可以帮助销售经理正确认识各项销售活动内在的...
营销公司年度工作项目表月份主要工作活动1日-10日11日-20日20日-30日一月二月三月四月五月六月七月八月九月十月十一月十二月月份客户状...
销售能力分析咨询提纲可参见下图销售能力咨询提纲图□第一阶段——成绩咨询对销售人员提供的结果进行分析分析推销人员提供的结果,然后在第...
汽车销售管理信息系统的系统规划一、汽车销售管理信息系统的系统规划第一节项目开发背景随着经济的发展和中国汽车市场的不断扩大,某汽车配...
食品的策略销售管理和有效推销技巧培训课程专为法国达能集团而设食品的策略销售管理地和有效推销技巧培训课程专为法国达能集团而设授课时间...
《销售经理》第八章:销售管理控制第八章销售管理控制销售管理的控制作为实践的重要方法,可以帮助销售经理正确认识各项销售活动内在的联系...
出售全套与本论文相对应的B/S模式,java语言编写的药店销售管理系统毕业设计资料(包括论文、外文翻译、程序代码等)联系qq:1195883930,价...
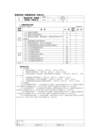
销售管理考核/考核方法名称营销类考核/销售管理考核/考核方法编码版本页次1/6修改状态1.销售部考核分值表考核对象:销售部考核时间:指标...

