编号:FM-TM-05-02版号:1.0生效日期:发放编号:财务管理体系文件现金借款及费用报销管理程序编制日期审核日期批准日期修订记录修订日期修...
第四章私立學校現金流量表一、現金流量表之意義現金流量表為表達一個組織在一定期間內現金及約當現金之流入與流出金額,依據一般公認會計原...
出纳如何清查现金和银行存款(问答题)按照《现金管理暂行条例》的规定,_____属于现金入的范围。选项:A.职工交回差旅费剩余款B.从银行提...
上市公司现金股利信号假设实证检验论文关键词:事件研究法现金股利收益超常论文摘要:本文采用事件分析法分析了我国上市公司A股现金股利的...
支票目录[隐藏]支票支票的法律表述支票的必要项目支票的种类汇票、本票、支票的区别支票的有效期支票的特点、适用范围及申办程序支票是否可...
臺北市公共汽車管理處營收現金繳款單繳款單位:民國年月日車別編號No.繳庫金額收繳金額收入機關項目科目收繳金額備註單位佰拾萬仟佰拾元角...
学生实践报告(文科类)课程名称:财务报告分析专业班级:08会计(5)班学生学号:0801111913学生姓名:张敏所属院部:商学院指导教师:王...
第二十九章-FI29_现金付款流程1.流程说明此流程描述因应现金付款方式的管理需要,于SAP系统中相应的作业处理过程。本流程适用于同仁暂付款...
职务说明书岗位名称现金出纳岗位编号所在部门资金管理部岗位定员1直接上级资金主管职系直接下级无工资等级58所辖人员0岗位分析日期2003.12....
目录1现金流量表定义2现金流量表的分析3编报现金流量表的意义4现金流量表的作用5现金流量表的缺陷现金流量表定义现金流量表是财务报表的三...
对新准则下现金流量表内容调研报告新准则框架下的现金流量表部分,较之先前的规定,有着较强的可操作性。随着现金流量表准则的实施,有关现...
现金出纳岗位说明书岗位名称现金出纳岗岗位编号所在部门财务部岗位定员1直接上级财务部部长岗位工资直接下级无分析人所辖人员无分析日期本...
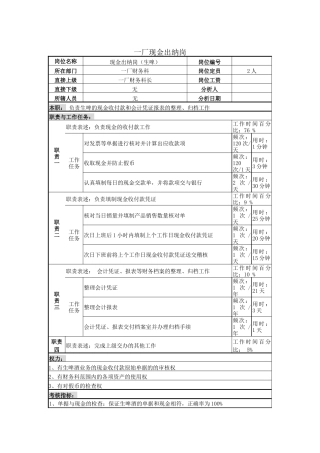
一厂现金出纳岗岗位名称现金出纳岗(生啤)岗位编号所在部门一厂财务科岗位定员2人直接上级一厂财务科长岗位工资直接下级无分析人所辖人员...
本准则第二条规定,现金流量表是指反映企业在一定会计期间现金和现金等价物流入和流出的报表。(一)一般企业现金流量表列报格式及有关内容...
职业经理人财务素养训练—非财务经理的财务管理课程导言本书介绍的是职业经理人财务素养训练——非财务人员的财务管理。本课程的基本定位是...
现金净流量指标的研究中国机械工业第四建设工程公司李照岳[摘要]:随着社会主义市场经济的发展和逐步完善,加强对企业的现金净流量指标的研...
识破操纵现金流量表的伎俩【摘要】在经历了一系列会计丑闻后,更多的投资者把目光投向了现金流量表,希望通过对现金流量的判断分析,特别是...
第五章现金流量表分析在市场经济条件下,企业现金流量在很大程度上决定着企业的生存和发展的能力,从而在很大程度上决定着企业的盈利能力。...
《企业会计准则——现金流量表》指南一、基本要求(一)企业应在年末编制年报时编报现金流量表。企业编报现金流量表以后,不再编报财务状况...
在SAP中用承诺项目出现金流量表(报表开发源代码)可能使用到的外部数据或SAP数据表数据的格式、字段等:fkrs财务管理范围主记录表fops承诺...

