八髎穴对人体的重要作用及保健方法髎穴属足太阳膀胱经。针刺镇痛机理:抑制疼痛神经信号,通过神经介质发挥镇痛作用。针刺八髎穴通过镇痛作用...
保健枕头营销策划方案【摘要】随着人们生活水平的提高和对健康高品质生活的向往,环保健康型家居产品日益受到推崇。在这种市场需求的推动下...
新洲区妇幼保健院医联体建设工作实施方案为进一步深化医药卫生体制改革,逐步实现“首诊在基层、小病不出街镇、大病不出区”的医改目标,有...
保健与护理(课程论文)学院:理学院专业:应用化学姓名:陈超毅学号:A20100049年月日实物养生饮食上要多吃易于消化又富于维生素C的食物,...
各市(区)药品监督管理局、各保健用品生产企业:为进一步规范保健用品现场核查工作,确保现场核查的公正、公开,根据《陕西省保健用品管理...
保健医生述职报告【篇一:保健医生述职报告2】述职报告在繁忙、紧张的工作中不知不觉地过去了,忙碌之余静静回想,这学年做的工作确实很多...
保健医生每日工作计划表本篇文章由为您整理的保健医生每日工作计划表,希望对大家有帮助。一、工作目标全面落实保教工作规范,实施保育员一...
保健医生个人工作总结保健医生个人工作总结(一):按照新《纲要》明确要求"幼儿园必须把保护幼儿的生命和促进幼儿健康放在工作的首位",因此...
保健医生岗位职责【篇一:保健医生工作职责】幼儿园保健医生工作职责1、根据卫生部门的要求与《规程》、《纲要》的有关规定,制定幼儿园的...
第一题职位:幼儿园医务人员岗位分析医务人员︰是指经过考核和卫生行政部门批准和承认,取得相应医师执业证书的各级各类卫生技术人员。1、...
保健养身顺口溜大全===生活规律养生谣===老年养生经保健养身顺口溜大全寒从足下起,百病凉上起。病从口中入,凉从脚上来。狗从嘴冷,人从腿...
正确选用止咳药咳嗽是人体的一种保护性反射动作,能将呼吸道内的异物或分泌物排出体外。剧烈咳嗽常给病人造成极大痛苦。因此,选好止咳药对...
保健教师职责1、负责学校健康教育工作,有计划并经常性地对学生开展健康教育。2、做好学生常见病、传染病预防工作,协助卫生防疫部门疫苗接...
保健食品生产许可审查细则(征求意见稿)1总则..............................................31.1制定目的................................
保健食品生产许可管理办法(征求意见稿)第一章总则第一条为规范保健食品生产许可管理工作,根据《中华人民共和国食品安全法》、《中华人民...
保健食品生产日常监督检查要点表重点项(*)34项,一般项55项,共89项。检查项目序号检查内容评价备注1.生产者资质情况*1.1生产许可证在有...
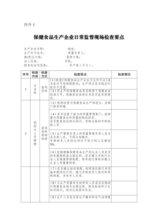
附件1保健食品生产企业日常监督现场检查要点生产企业名称:地址:生产许可证号:质量负责人:换/发证日期:复核日期:法人代表:手机:联系...
保健食品生产工艺研究及其技术要求生产工艺是保健食品产品研制的一个重要环节,保健食品工艺研究应以国家保健食品注册管理办法为指导,对产...
保健食品生产工艺研究及其技术要求生产工艺是保健食品产品研制的一个重要环节,保健食品工艺研究应以国家保健食品注册管理办法为指导,对产...
保健食品安全卫生管理制度一、采购制度1根据“按需购进,择优选购”的原则,依据市场动态,库存结构及质量部门反馈的信息编制购货计划,报国珍...

