仓库管理•仓库地理位置•仓库区域划分•品质控制流程仓库管理企业注册地址:仓库地址地理位置:区域划分图合格品区待检区不合格品区新品区...
仓库管理标语:1、爱惜物料重视品质合理规划标识清楚2、严格遵守盘点制做到帐物相符3、仓库重地闲人勿进4、爱惜物品轻拿轻放5、仓库重地严...
浙江永华紧固件有限公司文件NO:浙永QT/004004仓库管理细则编制人审核人批准人生效时间执行单位相关单位(签名)1文件主题词语:物品、收发...
仓库管理存在的问题及改进对策一、仓库管理中存在的问题:1、仓库管理混乱,现有制度执行不到位仓库目前没有配备专门的仓库管理员,是财务...
成品科总册撰写单位:成品科版本:第A版发行日期:1996年12月机密等级:□机密□一般合计页数:共37页核审制准核定成品科工作人员管理制度顶新...
此资料由网络收集而来,如有侵权请告知上传者立即删除。资料共分享,我们负责传递知识。2020仓库管理工作总结总结是为了让我们更好的进步,...
仓库是企业物资供应销售体系的一个重要组成部分,是企业各种物资周转储备的环节。仓库管理工作计划能够让工作开展的更加顺利。下面是小编带...
仓库管理规章制度为使本公司的仓库管理规范化,保证财产物资的完好无损,根据企业管理和财务管理的一般要求,结合本公司具体情况,特制订本...
2022仓库管理工作计划仓库管理工作安排(15篇)时间飞逝,时间在渐渐推演,我们的工作同时也在不断更新迭代中,让我们一起来学习写安排吧。安...
第1页共102页编号:时间:2021年x月x日书山有路勤为径,学海无涯苦作舟页码:第1页共102页3-001用料清单用料清单主件名称主件图号物料类别...
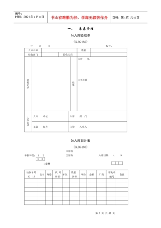
第1页共65页编号:时间:2021年x月x日书山有路勤为径,学海无涯苦作舟页码:第1页共65页一、库存管理1入库验收单(GLBG482)_____年_____月...
第1页共101页编号:时间:2021年x月x日书山有路勤为径,学海无涯苦作舟页码:第1页共101页职业经理MBA必备实用管理工具书仓储管理部《规范...
此资料由网络收集而来,如有侵权请告知上传者立即删除。资料共分享,我们负责传递知识。企业仓库管理个人工作总结企业仓库管理个人工作总结...
2022仓库管理工作总结仓库管理工作总结(集合15篇)总结是把肯定阶段内的有关状况分析探讨,做出有指导性结论的书面材料,它在我们的学习、工...
【仓库管理上半年总结五篇汇编】仓库管理总结仓库管理上半年总结五篇【篇一】在领导和同事的帮忙和指导下,在自身的努力下,不断克服自己的...
企业仓库管理年终总结模板在公司领导的带动下,在全体成员的帮助下,我紧紧围绕成品物资仓储工作,充分发挥岗位职能,不断改进工作方法,提...
2022仓库管理辞职报告仓库管理辞职报告在现在社会,我们运用报告的状况越来越多,报告依据用途的不同也有着不同的类型。我敢确定,大部分人...
企业仓库管理年终总结模板在公司领导的带动下,在全体成员的帮助下,我紧紧围绕成品物资仓储工作,充分发挥岗位职能,不断改进工作方法,提...
2022仓库管理年终工作总结仓库管理年终工作总结总结是指社会团体、企业单位和个人在自身的某一时期、某一项目或某些工作告一段落或者全部完...
2022仓库管理的实习报告仓库管理的实习报告在现实生活中,报告的适用范围越来越广泛,报告包含标题、正文、结尾等。你所见过的报告是什么样...

