此资料由网络收集而来,如有侵权请告知上传者立即删除。资料共分享,我们负责传递知识。水电工程专业求职自我介绍水电工程专业求职自我介绍...
填表基本规定《水利水电工程施工质量验收评定表》(以下简称《评定表》)是检验与评定施工质量的基础资料,也是进行工程维修和事故处理的重...
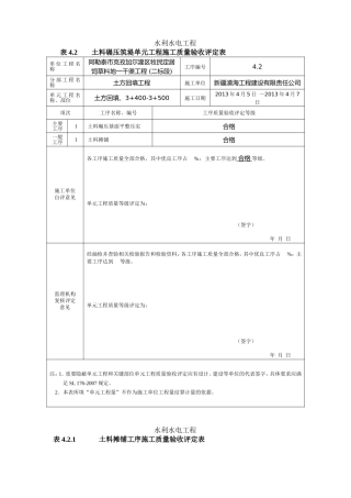
水利水电工程表4.2土料碾压筑堤单元工程施工质量验收评定表单位工程名称阿勒泰市克孜加尔灌区牧民定居饲草料地一干渠工程(二标段)工序编号4...
下列选项哪些项是正确的?A可以提高为1级B2级C3级D经主管部门批准可提高一级答案:AB考查点:工程等别划分依据和原则题解:根据水利水电工...
江西省中小型水利水电工程单元工程施工质量验收评定示范样表(试行)江西省水利工程质量安全监督局编江西省水利水电建设有限公司出版社江西...
此资料由网络收集而来,如有侵权请告知上传者立即删除。资料共分享,我们负责传递知识。水利水电工程专业求职自我介绍水利水电工程专业求职...
水利水电工程竣工资料整理要求范文大全第一篇:水利水电工程竣工资料整理要求水利水电工程竣工资料整理要求一、档案管理要求1、资料装订时...
此资料由网络收集而来,如有侵权请告知上传者立即删除。资料共分享,我们负责传递知识。水电工程安装合同范本水电是我们生活中不可或缺的东...
此资料由网络收集而来,如有侵权请告知上传者立即删除。资料共分享,我们负责传递知识。水电工程建设监理合同示范文本(1997年版)目录说明...
此资料由网络收集而来,如有侵权请告知上传者立即删除。资料共分享,我们负责传递知识。水利水电工程求职简历范文在编写水利水电工程简历之...
下载后可任意编辑2024年二级建造师考试水利水电工程知识点汇总【篇一】2024年二级建造师考试水利水电工程知识点汇总施工期温度监测与分析:...
此资料由网络收集而来,如有侵权请告知上传者立即删除。资料共分享,我们负责传递知识。水利水电工程专业面试的自我介绍水利水电工程专业面...
此资料由网络收集而来,如有侵权请告知上传者立即删除。资料共分享,我们负责传递知识。水电工程专业毕业生求职自我介绍水电工程专业毕业生...
此资料由网络收集而来,如有侵权请告知上传者立即删除。资料共分享,我们负责传递知识。水电工程分包合同范本工程分包合同是指承包商为将工...
水利水电工程钢闸门设计规范条文说明【题名】:水利水电工程钢闸门设计规范条文说明【副题名】:Hydraulicandhydroelectricengineeringspec...
此资料由网络收集而来,如有侵权请告知上传者立即删除。资料共分享,我们负责传递知识。水利水电工程专业求职的自我介绍水利水电工程专业求...
此资料由网络收集而来,如有侵权请告知上传者立即删除。资料共分享,我们负责传递知识。水利水电工程求职信封面水利水电工程求职信封面求职...
XX年度水电工程个人总结范文时光飞逝,转眼间到公司工作已经快一年了,感受颇多,收获颇多。进入碧桂园房地产开发公司,对我来说是一个良好...
XX年度水电工程工作总结范文积极参与技术交流和科技创新活动,全面完成了上级下达的各项任务及指标,在单位的生产和发展中发挥了应有的作用...
19K-W-01冥版□L中华人民共和国行业标准DL/T5015—1996水利水电工程动能设计规范Specificationonenergyeconomydesignofwaterresourcesandhy...

