电大专科水利水电工程《水利工程施工》试题及答案12————————————————————————————————作者:——————...
中央广播电视大学2010-2011学年度第二学期“开放专科”期末考试水利工程测量试题一、单项选择题1.水平角观测时,各测回间变换度盘位置能够...
水利水电工程质量监督站相关工作制度(一)行使职权(职能职责)及责任体系1、贯彻执行国家、水利部、省有关工程质量管理的方针、政策;2、...
1**省**县****枢纽工程金属结构及启闭机制造、安装(合同编号:*****)技术交底批准:审核:编辑:*********有限公司*****金属结构安装项目...
来源于网络试卷代号J:1175中央广播电视大学2012-2013学年度第一学期“开放本科”期末考试水利水电工程建筑物试题一、判断题(正确画√,错...
以下黄色为基本确定,红色为不太确定标识,2013年水利水电工程质量检测员继续教育系统基础考试试题及答案,本人花费3个小时百度搜索查找资...
水利水电工程单位工程施工质量评定表表1工程项目名称施工单位单位工程名称施工日期自年月日至年月日单位工程量评定日期序号分部工程名称质...
《水利水电工程造价管理》作业作业一一,填空题(每空1分,共计15分)1.现代的工程造价管理已经发展成为一个独立的专业.2.对工程进行全过程,全...
教师签名:第1页第10章混凝土建筑物施工第一节砂石骨料生产砂石骨料是混凝土的最基本组成材料,水工混凝土工程对砂石骨料的需要量相当大,质...
====Word行业资料分享--可编辑版本--双击可删====源-于-网-络-收-集目录水利水电工程标准施工招标资格预审文件(2009年版)中华人民共和国水...
3、施工单位用表序号表格名称表格类型表格编号1施工技术方案申报表CB01承包[]技案号2施工进度计划申报表CB02承包[]进度号3施工用图计划申报...
来源于网络试卷代号:1175中央广播电视大学2011-2012学年度第一学期“开放本科”期末考试水利水电工程建筑物试题一、判断题(正确画√,错...
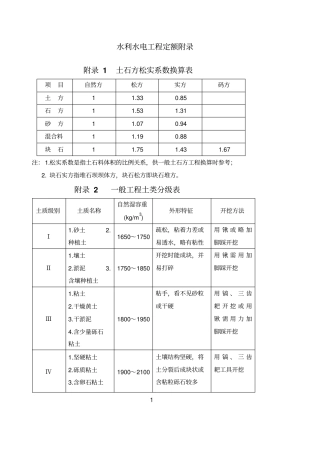
水利水电工程定额附录附录1土石方松实系数换算表项目自然方松方实方码方土方11.330.85石方11.531.31砂方11.070.94混合料11.190.88块石11.75...
水利工程安全技术资料台帐之一安全生产管理制度施工单位:工程名称:负责人:安全员:开竣工日期:安全生产管理制度目录一、各项安全生产管...
基础验收监理实施细则7.1总则(1)本细则编制依据:1)SL47-94《水工建筑物岩石基础开挖工程施工技术规范》。2)SDJ212-83《水工建筑物地下...
1/8分部工程施工质量评定表单位工程名称泄水闸工程施工单位××××水务建设有限公司分部工程名称闸室分部施工日期自×年×月×日至×年×...
1一、综述1.1工程概况平山水库位于湖北省某县平山河中游,该河系睦水(长辽的支流)的主要支流,全长284m,流域面积为556㎞2,坝址以上控制...
楚雄州大中型水利水电工程农村移民城镇化安置问题研究——2008年经济研究内参第13期(7月18日)编者按:今年初,根据州政府的安排,由州政...
最新水利水电工程重点题多选题1、影响建设工程项目质量的社会因素包括()。A.实行建筑业企业经营资质管理制度、执业资格注册制度、作业及...
最新水利水电工程重点题多选题1、关于工程造价管理工作要素,下列叙述正确的有()。A.严格合同管理,做好工程索赔价款结算工作B.强化项目...

