电脑桌面
添加小米粒文库到电脑桌面
安装后可以在桌面快捷访问

水利水电工程定额附录VIP免费

水利水电工程定额附录_第1页
1/26
水利水电工程定额附录_第2页
2/26
水利水电工程定额附录_第3页
3/26
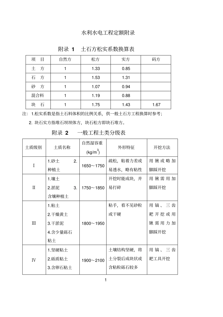
水利水电工程定额附录附录1土石方松实系数换算表项目自然方松方实方码方土方11.330.85石方11.531.31砂方11.070.94混合料11.190.88块石11.751.431.67注:1.松实系数是指土石料体积的比例关系,供一般土石方工程换算时参考;2.块石实方指堆石坝坝体方,块石松方即块石堆方。附录2一般工程土类分级表土质级别土质名称自然湿容重(kg/m3)外形特征开挖方法Ⅰ1.砂土2.种植土1650~1750疏松,粘着力差或易透水,略有粘性用锹或略加脚踩开挖Ⅱ1.壤土2.淤泥3.含壤种植土1750~1850开挖时能成块,并易打碎用锹需用加脚踩开挖Ⅲ1.粘土2.干燥黄土3.干淤泥4.含少量砾石粘土1800~1950粘手,看不见砂粒或干硬用镐、三齿耙开挖或用锹需用力加脚踩开挖Ⅳ1.坚硬粘土2.砾质粘土3.含卵石粘土1900~2100土壤结构坚硬,将土分裂后成块状或含粘粒砾石较多用镐、三齿耙工具开挖1附录3岩石类别分级表岩石级别岩石名称实体岩石自然湿度时的平均容重(kg/m3)净钻时间(min/m)极限抗压强度(kg/cm2)强度系数用直径30mm合金钻头,凿岩机打眼(工作气压为4.5气压)用直径30mm淬火钻头,凿岩机打眼(工作气压为4.6气压)用直径25mm钻杆,人工单人打眼12345678Ⅴ1.砂藻土及软的白垩土1500≤3.530≤2001.5~22.硬的石炭纪的粘土1950.03.胶结不紧的砾岩1900~22004.各种不坚实的页岩2000Ⅵ1.软的有空隙的节理多的22004(3.5~4.5)45(30~60)200~4002~4石灰岩及贝壳石灰岩2.密实的白垩26003.中等坚实的页岩27004.中等坚实的泥灰岩2300Ⅶ1.水成岩卵石经石灰质胶22006(4.5~7)78(61~95)400~6004~6结而成的砾石2.风化的节理多的粘土质2200砂岩3.坚硬的泥质页岩28004.坚实的泥灰岩2500Ⅷ1.角砾状花岗岩23006.8(5.7~7.7)8.5(7.1~10)115(96~135)600~8006~82.泥灰质石灰岩23003.粘土质砂岩22004.云母页岩及砂质页岩23005.硬石膏2900Ⅸ1.软的风化较甚的花岗岩25008.5(7.8~9.2)11.5(10.1~13)157(136~175)800~10008~10、片麻岩及正常岩2.滑石质的蛇纹岩24003.密实的石灰岩25004.水成岩卵石经硅质胶结2500的砾岩5.砂岩25006.砂质石灰质的页岩2500续上表岩石级别岩石名称实体岩石自然湿度时净钻时间(min/m)极限抗压强度(kg/cm2)强度系数用直径用直径用直径的平均容重(kg/m3)30mm合金钻头,凿岩机打眼(工作气压为4.5气压)30mm淬火钻头,凿岩机打眼(工作气压为4.6气压)25mm钻杆,人工单人打眼12345678Ⅹ1.白云岩270010(9.3~10.8)15(13.1~17)195(176~215)1000~120010~122.坚实的石灰岩27003.大理石27004.石灰质胶结的致密的砂岩26005.坚硬的砂质页岩2600Ⅺ1.粗粒花岗岩280011.2(10.9~11.5)18.5(10.9~11.6)240(216~260)1200~140012~142.特别坚实的白云岩29003.蛇纹岩26004.火成岩卵石经石灰质胶结2800的砾岩5.石灰质胶结的坚实的砂岩2700.06.粗粒正长岩2700Ⅻ1.有风化痕迹的安山岩及270012.2(11.6~13.3)22(20.1~25)290(261~320)1400~160014~16玄武岩2.片麻岩、粗面岩26003.特别坚实的石灰岩29004.火成岩卵石经硅质胶结2600的砾岩ⅩⅢ1.中粒花岗岩310014.1(13.4~14.8)27.5(25.1~30)360(321~400)1600~180016~182.坚实的片麻岩28003.辉绿岩27004.玢岩25005.坚实的粗面岩28006.中粒正常岩2800续上表岩石级别岩石名称实体岩石自然湿度时的平均容重(kg/m3)净钻时间(min/m)极限抗压强度(kg/cm2)强度系数用直径30mm合金钻头,凿岩机打眼(工作气压为4.5气压)用直径30mm淬火钻头,凿岩机打眼(工作气压为4.6气压)用直径25mm钻杆,人工单人打眼12345678ⅩⅣ1.特别坚实的细粒花岗岩230015.532.51800~18~202.花岗片麻岩2300(14.9~18.2)(30.1~40)20003.闪长岩22004.最坚实的石灰岩23005.坚实的玢岩2900ⅩⅤ1.安山岩、玄武岩、坚实的310020(18.3~24)32.5(40.1~60)2000~250020~25角闪岩2.最坚实的辉绿岩及闪长岩29003.坚实的辉长岩及石英岩2800ⅩⅥ1.钙钠长石质橄榄石质3300>24>60>2500>25玄武岩2.特别坚实的辉长岩、3000辉绿岩、石英岩及玢岩附录4河道疏浚工程分级表1.土、砂分级表土砂类别土名状态粒组、塑性图分类贯入锥体沉入饱和密度液性指数相对密度粒经含量附着力符号典型土、砂名称举例击数土中深...

1、当您付费下载文档后,您只拥有了使用权限,并不意味着购买了版权,文档只能用于自身使用,不得用于其他商业用途(如 [转卖]进行直接盈利或[编辑后售卖]进行间接盈利)。
2、本站所有内容均由合作方或网友上传,本站不对文档的完整性、权威性及其观点立场正确性做任何保证或承诺!文档内容仅供研究参考,付费前请自行鉴别。
3、如文档内容存在违规,或者侵犯商业秘密、侵犯著作权等,请点击“违规举报”。

碎片内容

水利水电工程定额附录

确认删除?
VIP
微信客服
  • 扫码咨询
会员Q群
  • 会员专属群点击这里加入QQ群
客服邮箱
回到顶部