下载后可任意编辑机械设备台帐 施 工 单 位: 施 工 项 目: (附表一) 序号机 械 名 称规 格 型 号功 率(Kw)进 场 时...
下载后可任意编辑本页为作品封面,下载后可以自由编辑删除,欢迎下载!!! 精 品文档1【精品 word 文档、可以自由编辑!】施工机械设...
下载后可任意编辑施 工 机 械 设 备 进、出 场 台 帐ZY17-2024-01 规划五路 流水号:序号机械设备名称型 号生产厂家(合格证等...
云南竞奎电力工程有限公司施工机械设备管理规定编 写: 审 核: 下载后可任意编辑批 准:执行时间:2024 年 10 月 30 日目 录一...
下载后可任意编辑施工机械设备管理制度 加强施工现场机械设备的安全管理,确保机械设备的安全运行和职工的人身安全。施工现场必须健全机械...
下载后可任意编辑施工机械设备管理员管理试行办法第一章 总 则 第一条 为加强建筑施工企业、建筑机械租赁企业的施工机械设备管理,提高...
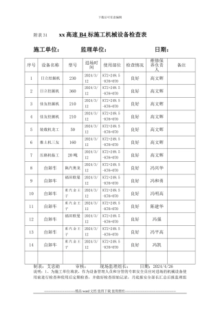
下载后可任意编辑附表 31 xx 高速 B4 标施工机械设备检查表施工单位: 监理单位: 日期:序号设备名称型号进场时间使用部位检查情况...
下载后可任意编辑机械设备操作保养规程目 录 1、硅整流电焊机2、沟通电焊机3、芬兰肯比氩弧焊机4、林肯交直流方波电焊机5、逆变电弧焊机6...
下载后可任意编辑本页为作品封面,下载后可以自由编辑删除,欢迎下载!!! 精 品文档1【精品 word 文档、可以自由编辑!】施工机械安...
下载后可任意编辑本页为作品封面,下载后可以自由编辑删除,欢迎下载!!! 精 品文档1【精品 word 文档、可以自由编辑!】中小型施工...
下载后可任意编辑本页为作品封面,下载后可以自由编辑删除,欢迎下载!!! 精 品文档1【精品 word 文档、可以自由编辑!】施工机械设...
沪昆客专长昆湖南段(DK167+155~DK217+366.15,全长 50.3km)施工机械设备安全管理制度中交一公局沪昆客专长昆湖南段项目经理部二零一零...
下载后可任意编辑施工机械设备安全知识一、生产用施工机械设备安全检查制度为了防患于未然,防止和杜绝事故的发生,各单位要定期对保有生产...
下载后可任意编辑施工机械设备强制保养初探 :摘 要:目前铁路施工企业因点多线长、设备分散、短期行为等造成的设备失保失养等问题,是导...
下载后可任意编辑第十章 施工机械设备安全管理 第一节一般规定 (1)施工中,必须使用有资质的企业生产的施工机械,具有合格证和完整的安...
下载后可任意编辑配 电 箱 规 则 一、配电箱应装设在干燥、通用及常温场所,配电箱必须有防雨设施。二、固定式配电箱下底与地面的垂直...
下载后可任意编辑项 目 经 理 : 安 全 员 : 记 录 人: 监 理 : 附表 3-1: 慈利县职教中心搬迁工程食堂工程 施工机...
下载后可任意编辑项 目 经 理 : 安 全 部 长 : 记 录人 : 监 理 : 附表 3-1: 电力机械设备台帐(一般施工机械设备...
下载后可任意编辑施工机械设备大修鉴定表ZD·03·15·J01—2024(A)使用单位施工机械名称生产厂家施工机械编号规格型号出厂时间距新施工机械...
下载后可任意编辑施工机械设备使用及维修管理 施工企业要立足市场,必须充分发挥机械设备作用,机械设备已成为决定施工生产的质量、工期、...

