电脑桌面
添加小米粒文库到电脑桌面
安装后可以在桌面快捷访问

施工机械设备检查评分表VIP免费

施工机械设备检查评分表_第1页
1/3
施工机械设备检查评分表_第2页
2/3
施工机械设备检查评分表_第3页
3/3
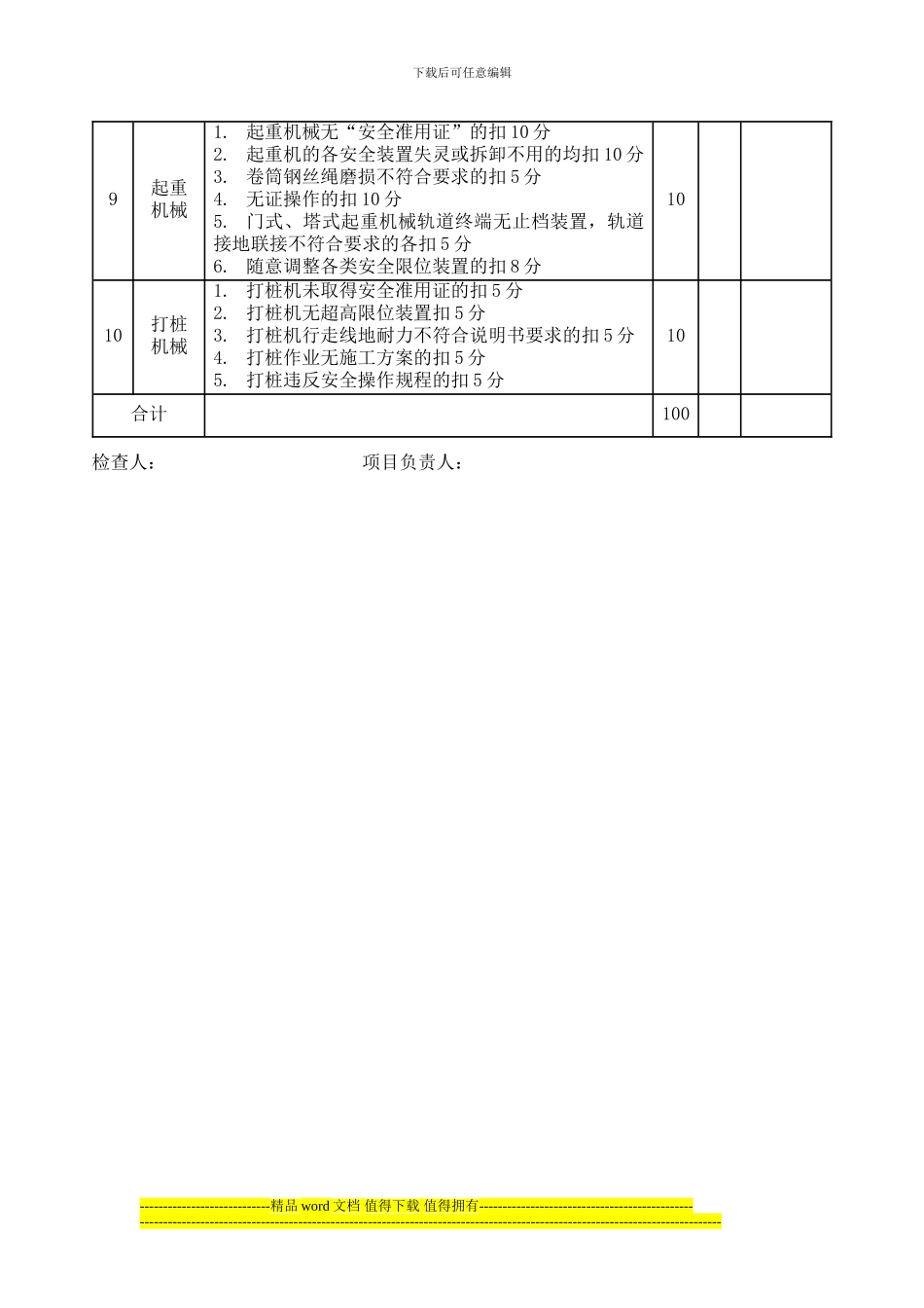
下载后可任意编辑本页为作品封面,下载后可以自由编辑删除,欢迎下载!!! 精 品文档1【精品 word 文档、可以自由编辑!】施工机械安全检查评分表单位名称: 检查时间: 年 月 日序号检查项目扣 分 标 准应得分数实得分数备注----------------------------精品 word 文档 值得下载 值得拥有---------------------------------------------------------------------------------------------------------------------------------------------------------------------------下载后可任意编辑1通用要求1. 没制定安全操作规程的扣 10 分2. 单机设备没挂安全操作规程牌的扣 5 分3. 没按“一机一闸一保护”安装的扣 5 分4. 设备没做接零(接地)保护和漏电保护器的,扣10 分5. 外露传动部位无安全防护罩的扣 5 分6. 露天设备没有防雨设施的扣 5 分7. 超高设备无防雷措施的扣 5 分102电焊机1. 电焊机未做保护接零、无漏电保护器的扣 2 分2. 一次线长度超过规定或不穿管保护的扣 2 分3. 焊把线接头超过 3 处或绝缘老化的每有一台扣 5分4. 电源不使用自动开关的扣 3 分5. 电焊工没穿工作服的扣 5 分6. 无二次空载降压保护器或无触电保护器的扣 5 分103木工机具1. 工作完毕时,没拉闸断电的扣 10 分2. 工作完毕后,没清理木屑的扣 5 分3. 设备周围有烟头扣 5 分4. 未做保护接零、无漏电保护器的各扣 5 分104乙炔瓶、氧气瓶、压力容器1. 压力容器没按规定年审的,每有一台扣 2 分2. 乙炔瓶没有防回火装置的,每有一个扣 2 分3. 乙炔瓶、氧气瓶使用时与明火距离小于 10 米,无防护措施的扣 10 分4. 乙炔瓶、氧气瓶放置及储存不符合规定的扣 5 分5. 夏天作业,气瓶没有防晒设施的扣 5 分105手持电动工具1.1 类手持电动工具无保护接零的扣 10 分2.手持电动机具随意接长电源线或更换插头的扣 5 分3.使用 1 类手持电动工具不按规定穿戴绝缘用品的扣5 分106搅拌机1. 搅拌机筒体观察孔无自锁装置的扣 5 分2. 未作保护接零、无漏电保护装置的各扣 3 分3. 离合器、制动器、钢丝绳达不到要求的扣 3 分4. 料斗无保险挂钩或挂钩不使用的扣 3 分5. 传动部位无防护罩的扣 2 分6. 搅拌机无防雨设施,作业平台不牢固的各扣 2 分7. 操作手柄无保险装置的扣 3 分107钻机1. 钻机的机电没有过载保护的扣 10 分2. 未安装钻深限位报警装置的扣 5 分3. ...

1、当您付费下载文档后,您只拥有了使用权限,并不意味着购买了版权,文档只能用于自身使用,不得用于其他商业用途(如 [转卖]进行直接盈利或[编辑后售卖]进行间接盈利)。
2、本站所有内容均由合作方或网友上传,本站不对文档的完整性、权威性及其观点立场正确性做任何保证或承诺!文档内容仅供研究参考,付费前请自行鉴别。
3、如文档内容存在违规,或者侵犯商业秘密、侵犯著作权等,请点击“违规举报”。

碎片内容

施工机械设备检查评分表

您可能关注的文档

确认删除?
VIP
微信客服
  • 扫码咨询
会员Q群
  • 会员专属群点击这里加入QQ群
客服邮箱
回到顶部