职业安全防护应急预案第一章总则一、目的:为提高医院职业安全防护、防范的能力,正确、有效、快速处置各类突发事件,最大限度地预防和减少...
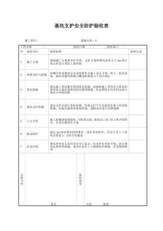
基坑支护安全防护验收表施工单位:建施安表—3工程名称验收日期验收部门序验收项目验收标准验收记录1施工方案基础施工方案要有针对性,支护...
(XXX医院)放射诊疗安全防护管理制度(样例)为贯彻放射诊疗实践的正当化和放射防护最优化原则,落实《放射性同位素与射线装置安全与防护...
企业信息安全防护体系探索与实践1概述随着信息化建设的快速发展,信息技术创新影响着人们的工作方式和生活习惯,网络已成为信息传播和知识...
启动安全教育月活动建立安全防护屏障x月份是学校安全教育活动月,为贯彻省市两级安全会议精神,对学校近期安全工作进行统一部署,请全体师...
平交道口安全防护措施一、加强铁路道口安全管理,防止铁路道口交通事故,确保铁路运输畅通和人民生命财产安全,是铁路及有关部门的责任,依...
祥隆·又一城工程变压器防护专项方案第一章工程概况一、工程概况本工程12#楼地上31层,地下1层。建筑面积13206.69平米,高度为91.55米。13#...
世南西路北、三凤路东侧地块二工程变压器安全防护方案目录一、编制依据...................................................................
目录一、编制依据............................................................1二、工程概况............................................
职业安全防护学习内容职业暴露的现状职业暴露的分类职业防护的原则职业防护的措施预防是关键!感染性职业暴露病毒:乙肝、丙肝、艾...
医务人员职业暴露和安全防护CaringForOurselvesToCareForOurPatients为了关爱病人,应关爱自己主要内容主要内容11血源性职业暴露因素针刺伤...
现场安全防护标准化目录:•临边安全防护•洞口安全防护•架设(脚手架)作业安全防护•施工电梯安全防护一、临边安全防护1.基坑临边防护2....
活塞连杆组故障诊断与修复汽车车身钣金修复安全防护汽车车身钣金修复安全防护本项目介绍汽车车身钣金修复安全防护。事故车进入维修车间进行...
1文档仅供参考,不能作为科学依据,请勿模仿;如有不当之处,请联系网站或本人删除。职业防护基本概念(熟悉)职业病:企业、事业单位和个...
津秦铁路客运专线跨津山铁路唐山东站东咽喉连续梁吊车作业安全防护措施津秦铁路客运专线跨唐山东站东咽喉连续梁梁部施工目前已全面展开,梁...
吊装作业安全防护措施一、一般安全要求1、特种作业人员必须持有效操作证上岗。2、参加吊装作业人员应培训合格后方可作业。3、施工现场设吊...
中建五局三公司现场安全防护标准化阳光100项目安全部目录:•临边安全防护•洞口安全防护•架设(脚手架)作业安全防护•施工电梯安全防护...
13信息安全防护体系案例:伊朗核设施的瘫痪曝光美国“棱镜计划”的斯诺登证实,为了破坏伊朗的核项目,美国国家安全局和以色列合作研制了...
列车尾部安全防护装置2017/12/13列车尾部安全防护装置,是货车列尾装置全称为列车尾部安全防护装置,是货车取消守车后,在尾部无人职守情...
安全防护装置一、安全防护装置产生的必要条件危险的存在是安全防护装置出现的必要条件。设备的运转是对能量的利用过程,能量的可能的意外释...

