电脑桌面
添加小米粒文库到电脑桌面
安装后可以在桌面快捷访问

基坑支护安全防护验收表VIP免费

基坑支护安全防护验收表_第1页
1/7
基坑支护安全防护验收表_第2页
2/7
基坑支护安全防护验收表_第3页
3/7
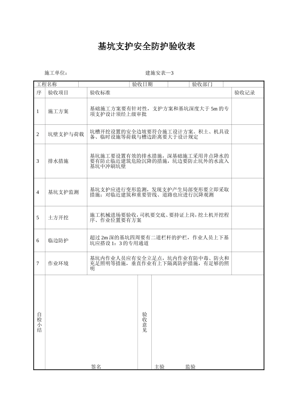
基坑支护安全防护验收表施工单位:建施安表—3工程名称验收日期验收部门序验收项目验收标准验收记录1施工方案基础施工方案要有针对性,支护方案和基坑深度大于5m的专项支护设计须经上级审批2坑壁支护与荷载坑槽开挖设置的安全边坡要符合施工设计方案。积土、机具设备、临时设施等荷载与槽边距离要大于设计规定3排水措施基坑施工要设置有效的排水措施,深基础施工采用井点降水的要有防止临近建筑危险沉降的措施,坑边要防止坑外的水流入基坑中冲刷坑壁4基坑支护监测基坑支护应进行变形监测,发现支护产生局部变形要立即采取措施;对临近建筑和重要管线、道路也应进行沉降观测5土方开挖施工机械进场要验收,司机要交底、要持证上岗,挖土机开挖程序、作业位置要有方案6临边防护超过2m深的基坑四周要有二道栏杆的护栏,作业人员上下基坑应搭设1:3的专用通道7作业环境基坑内作业人员应有安全立足点,坑内作业有防中毒、防火和充足照明等措施,垂直作业有上下隔离防护措施,有足够的照明自检小结签名验收意见主验监验注:本表在挖土开工后应及时进行一次验收,基坑支护结束后再进行一次验收。交主验人员留存。三宝、四口防护验收表施工单位:建施安表—9工程名称验收日期验收部门序验收项目验收标准验收记录1三宝安全帽、安全带符合国标要求并有质保书、产品合格证,工人应能准确使用。安全网符合国标要求并有“省准用证”、产品合格证,立网要与架子帮扎牢固,平网即使清理杂物2楼梯口必须设两道防护栏杆,楼梯口空间距离较大时,应每隔两层设安全平网,楼梯平台应采取防护措施3电梯井口井口须安装高120cm定型栅栏,并挂醒目警告标志。随工程主体施工搭设井内脚手,并每层封闭,井内主体结束后每隔两层设一道安全平网4预留洞口A、150cm以下的洞口加工具化、定型化盖板或贯穿性钢筋;B、150cm以上的洞口四周设两道防护栏杆,洞口下设安全平网5临时洞口、坑井口施工中形成的洞口的防护设施要工具化、定型化。坑井口周边设两道防护栏杆,夜间社红灯示警;杯基要及时加盖6通道口底层过道、人员出入通道均应设可靠牢固的防护栅,栅宽搭于道口7阳台、楼板、屋面等临边防护阳台边、框架楼板面无外脚手时应设两道连接可靠的防护栏杆,并采用密目式安全网半封闭自检小结签名验收意见主验监验注;本表应在每层施工模板拆除清理、完成洞口防护后进行验收。交主验人员留存。施工电梯安装验收表施工单位:建施安表—12注;本表应在施工电安装结束、交付使用前进行验收。交监验人员留存,存档。工程名称验收日期验收部门安装位置安装高度型号序验收项目验收标准验收记录1管理必须制定装拆方案,装拆队伍必须取得资格证书;司机持证上岗,交接班按规定做好记录;安全操作岗位牌齐全清楚,吊笼整洁不乱放杂物2基础与导轨基础压强大于15t/平方米,表面不平度小于10mm,距基座5m内不得开挖井沟;导轨安装垂直偏差符合规范要求,导杆上下垂直,导向轮紧贴轨架顶端自由高度小于7.5m,附墙安置的安装应符合生产厂技术要求3制动、限位、保险电磁制动性能良好,锥鼓形限速器工作良好,楔块式制动器制动可靠;加节限位开关、上下极限开关、限速器、平衡保护开关、门保护开关灵敏有效;吊笼应有断绳保险和安全钩,安全装置必须灵敏、可靠,门连锁装置有效4安全防护地面吊笼出入口必须搭设符合要求的两层防护栅,每层卸料口必须安装防护门,通道防护措施可靠;钢丝绳磨损、断丝不超标,不准有露芯现象5机构齿轮、齿条配合间隙符合要求;各连接销连连接可靠,螺栓紧固,放松垫圈、垫片及开口销齐全6电气接地电阻值小于10Ω,供电线路完整,防护装置、漏电保护装置齐全、有效;在避雷保护范围外,必须安装符合要求的避雷装置7试验空载,负载试验(不少与3个全程)启动、停止平稳,性能良好自检小结签名验收意见主验监验物料提升机井架(龙门架)验收表施工单位:建施安表—11注;本表应在每层施工模板拆除清理、完成洞口防护后进行验收。交主验人员留存。悬挑式脚手架验收表工程名称验收日期验收部门安装位置安装高度型号序验收项目验收标准验收记录1架体架体制动必须有设计计算书和建设安全监督管理部门颁发的准用...

1、当您付费下载文档后,您只拥有了使用权限,并不意味着购买了版权,文档只能用于自身使用,不得用于其他商业用途(如 [转卖]进行直接盈利或[编辑后售卖]进行间接盈利)。
2、本站所有内容均由合作方或网友上传,本站不对文档的完整性、权威性及其观点立场正确性做任何保证或承诺!文档内容仅供研究参考,付费前请自行鉴别。
3、如文档内容存在违规,或者侵犯商业秘密、侵犯著作权等,请点击“违规举报”。

碎片内容

基坑支护安全防护验收表

确认删除?
VIP
微信客服
  • 扫码咨询
会员Q群
  • 会员专属群点击这里加入QQ群
客服邮箱
回到顶部