采纳管式微滤膜 TMF 技术提高反渗透系统的回收率的工艺比较反渗透技术在上世纪六十年代初期开始,技术趋向成熟并投向市场,因其先进、稳...
1. 立 升 超 滤 膜 组 件1.1 立升超滤膜组件基本技术说明立 升 LH3系 列 超 滤 膜 组 件 是 一 种 中 空 纤 维 内...
提高海水淡化超滤膜装置安装一次验收合格率水处理 QC 小组提高海水淡化超滤膜装置安装一次验收合格率课题简介合作建设,是目前全国最大的...
纳滤膜的生产工艺流程(总3 页)本页仅作为文档封面,使用时可以删除This document is for reference only-rar21 year.March纳滤膜...
新型膜组件及超滤膜在焦化废水处理中的应用摘要: 介绍了国产 PVDF 复合膜及新型外置浸没式膜组件在焦化废水深度处理中的应用。PVDF 复...
污 水 处 理 用 超 滤 膜 装 置 生 产项 目可行性讨论报告 目 录第一章 总论...............................................
目 录第一章 项目单位概况...................................................................................1第一节 项目单位基本...
超滤(UF)膜清洗作业安全技术要求1、操作人员必须持安全作业证、岗位合格证方可上岗作业。2、到岗后操作人员必须穿戴好劳保用品。3、进入...
超滤膜技术在环境工程水处理工作的作用随着工业步伐的渐渐加快以及人们生活用水需求的不断增加,水资源污染成为人类社会生存进展的重要问题...
环保工程水处理超滤膜技术讨论0 引言城市环境项目建设中,水处理工作要求比较严格,传统环境工程水处理技术已无法更好的契合城市净水处理...
TFF 切向流超滤膜包维护手册RevisedbyPetrelat2021TFF 切向流超滤膜包维护手册本手册对如何维护 Millipore 公司生产的切向流超滤膜、膜...
摘 要:介绍了化工厂污水再生处理技术及回用方式,重点探讨了膜技术的优缺点及其在污水回用中的应用现状,同时对膜技术在污水处理和回用中...
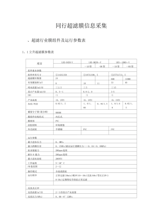
同行超滤膜信息采集一、超滤行业膜组件及运行参数表1.1 立升超滤膜参数表项目LH3-0450-VLH3-0650-VLH3-1060-V-10 型-08 型-10 型-08 ...
超滤膜系统运行维护手册一、中空纤维超滤膜系统简介1.中空纤维超滤膜概述及工作原理2.中空纤维超滤膜结构3.中空纤维超滤膜的优点4.中空纤维...
题目二维材料掺杂纳滤膜分离性能研究摘要现如今,中国经济正在不断蓬勃发展,人们的生活质量与日俱增,故而以往所一直沿用的污水处理技术,...
微滤/超滤膜的现状及发展前景进入 21 世纪以来,随着我国人口的不断增长和经济的高速发展,水资源短缺以及水环境污染等问题越来越严重,...
艾科超滤膜手册
User’s Guide Ver.06/01 Page 1 MOTIMO MOFⅣB/UOF Ⅳ MEMBRANE MODULE 一. 说明 1.1 感谢您使用我公司出品的中空纤维膜组件...
同行超滤膜信息采集、超滤行业膜组件及运行参数表1。1 立升超滤膜参数表项目LH3-0450-VLH3-0650—VLH3—1060—V—10 型-08 型—10 型—...
- 1 - 1.立升超滤膜组件 1.1 立升超滤膜组件基本技术说明 立升 LH3 系列超滤膜组件是一种中空纤维内压式超滤膜组件,超滤膜中空丝...

