LJ1E1型帘式超滤膜组件使用说明书PVDF系列
清洗与消毒 1 序 言 水处理系统进水中存在各种形式可导致反渗透和纳滤膜表面污染的物质,如水合金属氧化物、含钙沉淀物、有机物及生物...
纳滤膜中试设备 操作说明书 上海朗极化工科技有限公司 2010-07-28 上 海 朗 极 化 工 科 技 有 限 公 司 Sh an gh ai ...
常规超滤膜使用说明书
中空纤维超滤膜 (使用前请仔细阅读本说明) 使 用 说 明 天津膜天膜工程膜技术有限公司 2 目 录 一、工作原理与特性 ............
管式超滤膜技术手册
浸没式超滤膜在大型给水厂中的应用
中空纤维超滤膜使用手册20090306
中空超滤膜HYDRAcap技术手册(海德能)
浸没式超滤膜箱(列)
LONGCHUANG 管路传感器用 型 号:LC-LF3220,LC-LF3210,LC-LF3205,LC-LF3203 材 质:PTFE/PVDF(PP) 孔 径:0.22μm,0.10μm,0...
内压PS超滤膜过滤器SV U 系列使用说明书坎普尔设备(国际)有限公司Canpu re Equ ipment International, Inc. Membrane That Che...
超滤膜系统运行维护手册 目 录 一、 中空纤维超滤膜系统简介 1.中空纤维超滤膜概述及工作原理 2.中空纤维超滤膜结构 3.中空纤维超滤...
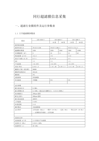
同行超滤膜信息采集 一、超滤行业膜组件及运行参数表 1.1 立升超滤膜参数表 项目 LH3-0450-V LH3-0650-V LH3-1060-V -10 型 -08...
标准文档 实用文案 同行超滤膜信息采集 一、超滤行业膜组件及运行参数表 1.1 立升超滤膜参数表 项目 LH3-0450-V LH3-0650-V LH3-1...
舟山垃圾焚烧发电厂渗滤液处理工程超滤系统 操 作 手 册 嘉 园 环 保 股 份 有 限 公 司 二 〇一一年十月目录 1 、超滤...
杭州沃腾膜工程有限公司 Hangzhou Watech Membrane Engineering CO,。LTD 一、超滤膜设备的运行及维护 1 .1 膜组件的运行 1)产...
超滤膜市场推广方案 前 言 本文件针对超滤膜研发项目研发的新产品的市场推广工作从市场定位、营销战略、市场开拓计划等方面作出指导性方...
第三章 中空纤维超滤膜的制备与性能测试 1 中空纤维膜的制备 1 .1 实验目的 1.了解相转化法制备中空纤维膜的工艺过程; 2.掌握制备...
中空纤维超滤膜的制备 一、 实验概述 超滤膜的工业应用十分广泛,已成为新型化工单元操作之一。用于分离、浓缩、纯化生物制品、医药制品...

