电脑桌面
添加小米粒文库到电脑桌面
安装后可以在桌面快捷访问

超滤膜行业资料参数表VIP免费

超滤膜行业资料参数表_第1页
1/12
超滤膜行业资料参数表_第2页
2/12
超滤膜行业资料参数表_第3页
3/12
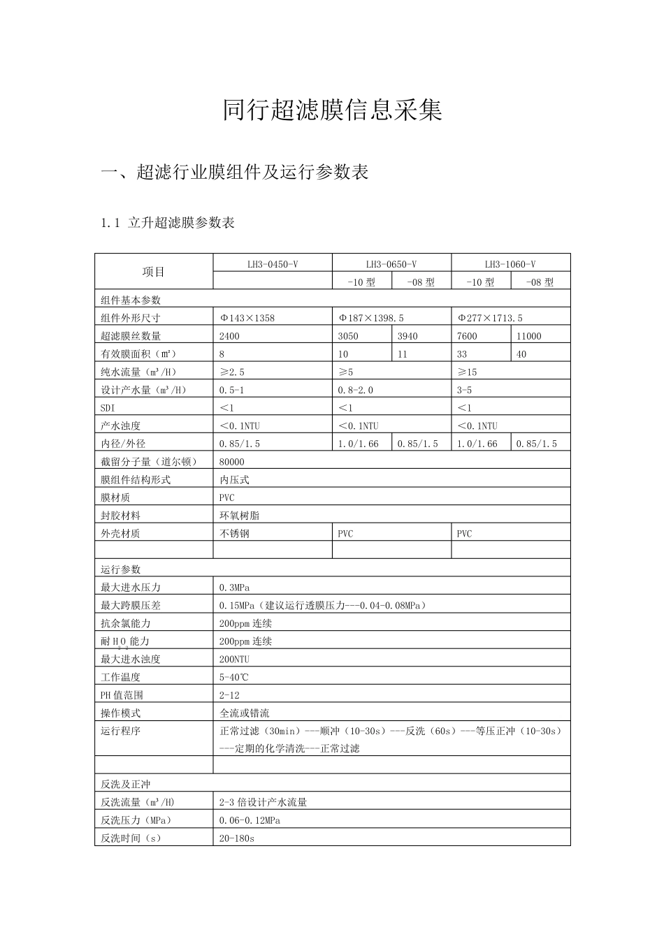
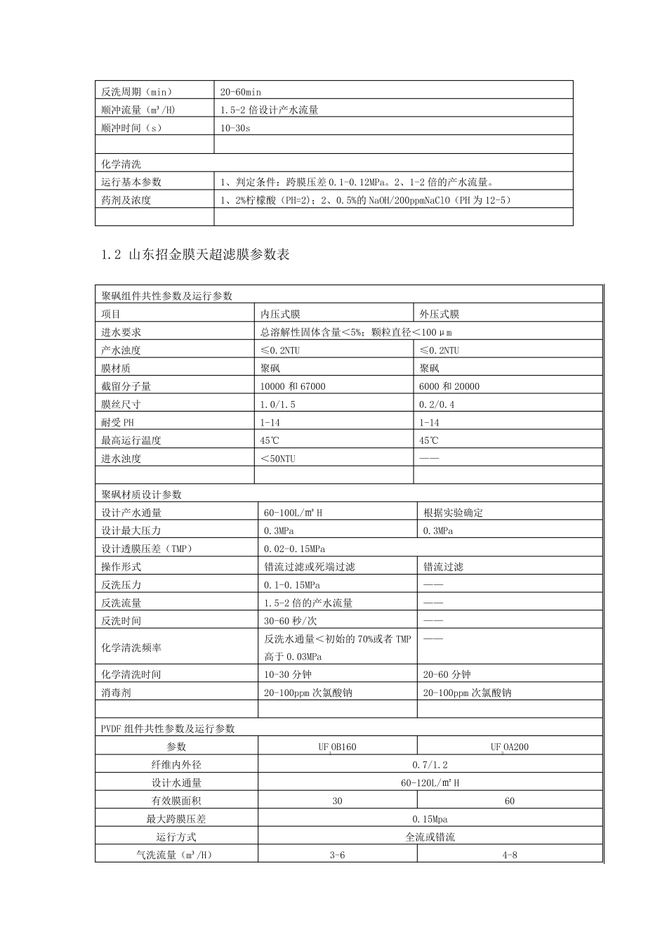
同行超滤膜信息采集 一、超滤行业膜组件及运行参数表 1.1 立升超滤膜参数表 项目 LH3-0450-V LH3-0650-V LH3-1060-V -10 型 -08 型 -10 型 -08 型 组件基本参数 组件外形尺寸 Φ143×1358 Φ187×1398.5 Φ277×1713.5 超滤膜丝数量 2400 3050 3940 7600 11000 有效膜面积(㎡) 8 10 11 33 40 纯水流量(m³/H) ≥ 2.5 ≥ 5 ≥ 15 设 计 产 水量(m³/H) 0.5-1 0.8-2.0 3-5 SDI < 1 < 1 < 1 产 水浊 度 < 0.1NTU < 0.1NTU < 0.1NTU 内 径 /外径 0.85/1.5 1.0/1.66 0.85/1.5 1.0/1.66 0.85/1.5 截 留 分 子 量(道 尔 顿 ) 80000 膜组件结 构 形式 内 压 式 膜材 质 PVC 封 胶 材 料 环 氧 树 脂 外壳 材 质 不 锈 钢 PVC PVC 运行参数 最 大 进 水压 力 0.3MPa 最 大 跨 膜压 差 0.15MPa(建 议 运行透 膜压 力 ---0.04-0.08MPa) 抗 余 氯 能 力 200ppm 连 续 耐 H2O2能 力 200ppm 连 续 最 大 进 水浊 度 200NTU 工 作 温 度 5-40℃ PH 值 范 围 2-12 操 作 模 式 全 流或 错 流 运行程 序 正 常 过 滤(30min)---顺 冲 (10-30s)---反 洗 (60s)---等 压 正 冲 (10-30s)---定 期 的 化 学 清 洗 ---正 常 过 滤 反 洗 及正 冲 反 洗 流量(m³/H) 2-3 倍 设 计 产 水流量 反 洗 压 力 (MPa) 0.06-0.12MPa 反 洗 时 间 (s) 20-180s 反洗周期(min) 20-60min 顺冲流量(m³/H) 1.5-2 倍设计产水流量 顺冲时间(s) 10-30s 化学清洗 运行基本参数 1、判定条件:跨膜压差0.1-0.12MPa。2、1-2 倍的产水流量。 药剂及浓度 1、2%柠檬酸(PH=2);2、0.5%的NaOH/200ppmNaClO(PH 为12-5) 1.2 山东招金膜天超滤膜参数表 聚砜组件共性参数及运行参数 项目 内压式膜 外压式膜 进水要求 总溶解性固体含量<5%;颗粒直径<100μm 产水浊度 ≤0.2NTU ≤0.2NTU 膜材质 聚砜 聚砜 截留分子量 10000 和 67000 6000 和 20000 膜丝尺寸 1.0/1.5 0.2/0.4 耐受 PH 1-14 1-14 最高运行温度 45℃ 45℃ 进水浊度 <50NTU —— 聚砜材质设计参数 设计产水通量 60-100L/㎡ H 根据实验确定 设计最大压力 0.3MPa 0.3MPa 设计透膜压差(TMP) 0.02-0.15MPa 操作形式...

1、当您付费下载文档后,您只拥有了使用权限,并不意味着购买了版权,文档只能用于自身使用,不得用于其他商业用途(如 [转卖]进行直接盈利或[编辑后售卖]进行间接盈利)。
2、本站所有内容均由合作方或网友上传,本站不对文档的完整性、权威性及其观点立场正确性做任何保证或承诺!文档内容仅供研究参考,付费前请自行鉴别。
3、如文档内容存在违规,或者侵犯商业秘密、侵犯著作权等,请点击“违规举报”。

碎片内容

超滤膜行业资料参数表

您可能关注的文档

小辰3+ 关注
实名认证
内容提供者

出售各种资料和文档

确认删除?
VIP
微信客服
  • 扫码咨询
会员Q群
  • 会员专属群点击这里加入QQ群
客服邮箱
回到顶部