电脑桌面
添加小米粒文库到电脑桌面
安装后可以在桌面快捷访问

立升超滤膜技术手册p

立升超滤膜技术手册p_第1页
1/5
立升超滤膜技术手册p_第2页
2/5
立升超滤膜技术手册p_第3页
3/5
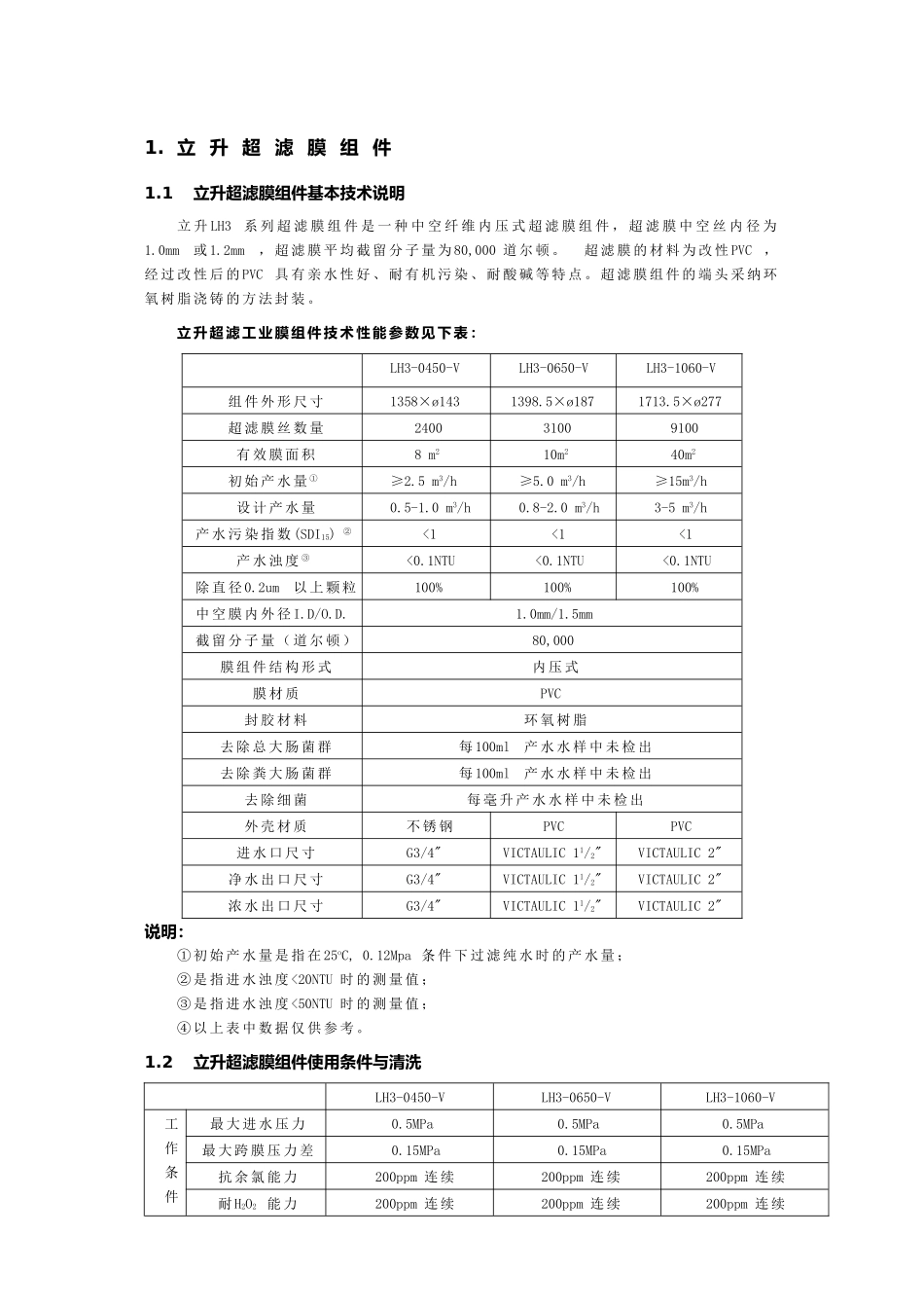
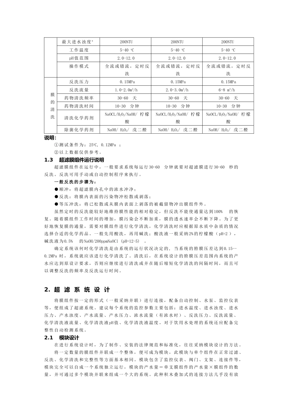
1. 立 升 超 滤 膜 组 件1.1 立升超滤膜组件基本技术说明立 升 LH3系 列 超 滤 膜 组 件 是 一 种 中 空 纤 维 内 压 式 超 滤 膜 组 件 , 超 滤 膜 中 空 丝 内 径 为1.0mm或 1.2mm, 超 滤 膜 平 均 截 留 分 子 量 为 80,000 道 尔 顿 。 超 滤 膜 的 材 料 为 改 性 PVC,经 过 改 性 后 的 PVC具 有 亲 水 性 好 、 耐 有 机 污 染 、 耐 酸 碱 等 特 点 。 超 滤 膜 组 件 的 端 头 采 纳 环氧 树 脂 浇 铸 的 方 法 封 装 。立 升 超 滤 工 业 膜 组 件 技 术 性 能 参 数 见 下 表 :LH3-0450-VLH3-0650-VLH3-1060-V组 件 外 形 尺 寸1358×ø1431398.5×ø1871713.5×ø277超 滤 膜 丝 数 量240031009100有 效 膜 面 积8 m210m240m2初 始 产 水 量 ①≥2.5 m3/h≥5.0 m3/h≥15m3/h设 计 产 水 量0.5-1.0 m3/h0.8-2.0 m3/h3-5 m3/h产 水 污 染 指 数 (SDI15) ②<1<1<1产 水 浊 度 ③<0.1NTU<0.1NTU<0.1NTU除 直 径 0.2um以 上 颗 粒100%100%100%中 空 膜 内 外 径 I.D/O.D.1.0mm/1.5mm截 留 分 子 量 ( 道 尔 顿 )80,000膜 组 件 结 构 形 式内 压 式膜 材 质PVC封 胶 材 料环 氧 树 脂去 除 总 大 肠 菌 群每 100ml产 水 水 样 中 未 检 出去 除 粪 大 肠 菌 群每 100ml产 水 水 样 中 未 检 出去 除 细 菌每 毫 升 产 水 水 样 中 未 检 出外 壳 材 质不 锈 钢PVCPVC进 水 口 尺 寸G3/4"VICTAULIC 11/2"VICTAULIC 2"净 水 出 口 尺 寸G3/4"VICTAULIC 11/2"VICTAULIC 2"浓 水 出 口 尺 寸G3/4"VICTAULIC 11/2"VICTAULIC 2"说明:① 初 始 产 水 量 是 指 在 25oC, 0.12Mpa 条 件 下 过 滤 纯 水 时 的 产 水 量 ;② 是 指 进 水 浊 度 <20NTU 时 的 测 量 值 ;③ 是 指 进 水 浊 度 <50NTU 时 的 测 量 值 ;④ 以 上 表 中 数 据 仅 供 参 考 。1.2 立升超滤膜组件使用条件与清洗 LH3-0450-VLH3-0650-VLH3-1060-V工作条件最 大 进 水 压 力0.5MPa0.5MPa0.5MPa最 大 跨 膜 压 力 差0.15MPa0.15MPa0.15MPa抗 余 氯 能 力200ppm 连 续200ppm 连 续200pp...

1、当您付费下载文档后,您只拥有了使用权限,并不意味着购买了版权,文档只能用于自身使用,不得用于其他商业用途(如 [转卖]进行直接盈利或[编辑后售卖]进行间接盈利)。
2、本站所有内容均由合作方或网友上传,本站不对文档的完整性、权威性及其观点立场正确性做任何保证或承诺!文档内容仅供研究参考,付费前请自行鉴别。
3、如文档内容存在违规,或者侵犯商业秘密、侵犯著作权等,请点击“违规举报”。

碎片内容

立升超滤膜技术手册p

您可能关注的文档

办公文档专营+ 关注
实名认证
内容提供者

大量办公文档,欢迎选择

确认删除?
VIP
微信客服
  • 扫码咨询
会员Q群
  • 会员专属群点击这里加入QQ群
客服邮箱
回到顶部