电脑桌面
添加小米粒文库到电脑桌面
安装后可以在桌面快捷访问

提高海水淡化超滤膜装置安装一次验收合格率

提高海水淡化超滤膜装置安装一次验收合格率_第1页
1/13
提高海水淡化超滤膜装置安装一次验收合格率_第2页
2/13
提高海水淡化超滤膜装置安装一次验收合格率_第3页
3/13
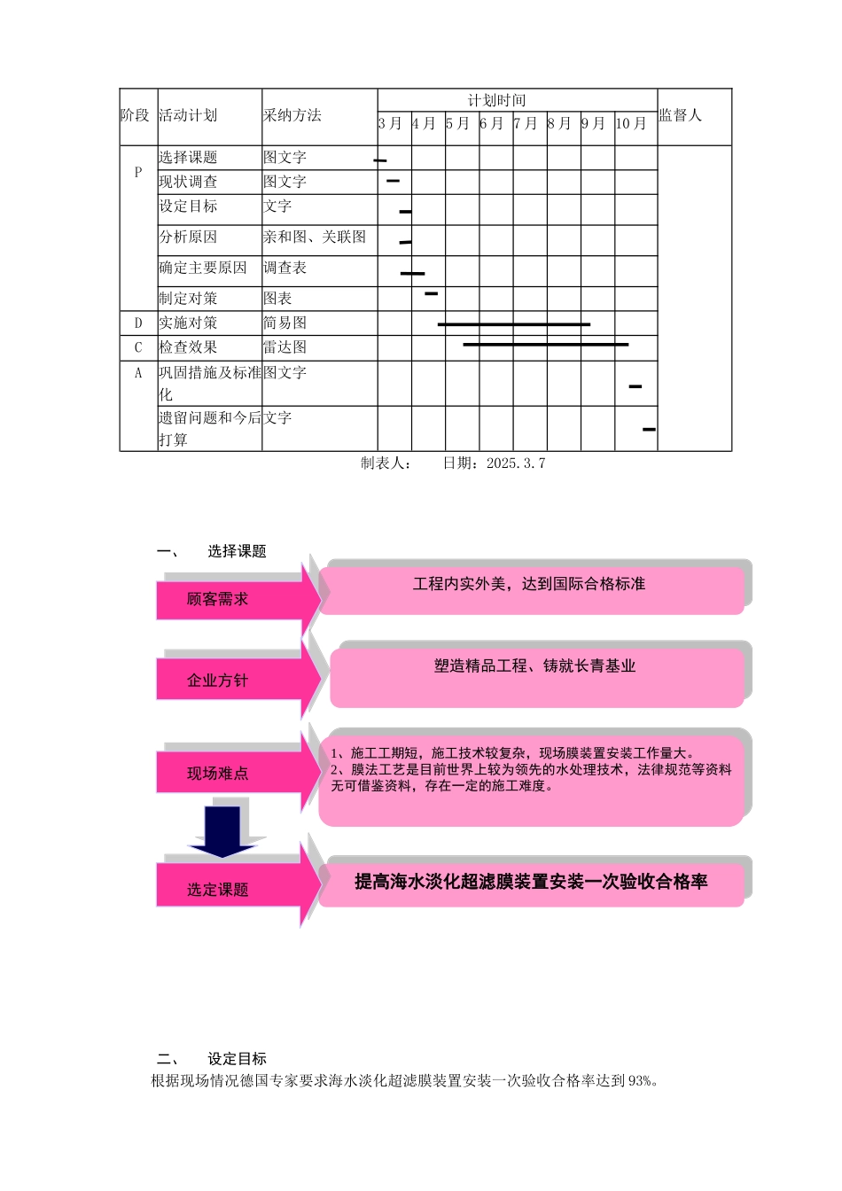
提高海水淡化超滤膜装置安装一次验收合格率水处理 QC 小组提高海水淡化超滤膜装置安装一次验收合格率课题简介合作建设,是目前全国最大的海水淡化项目,本工程采纳世界上领先尖端的超滤反渗透组合工艺,自动化程度高,系统生产过程中属无人值守状态,所有设备均从国外进口,年生产淡水能力 3600 多万吨。该项目的建设,将为青岛市社会经济进展提供稳定可靠的新水源,对实现青岛市海水淡化产业的进展,实现循环经济,创建国家海水综合利用示范城市,具有重大意义。 共计超滤设备 120 套,反渗透装置设备支架 166 套,车间内配套管道共计约 16000 米,各种电线电缆 50000 余米。 超滤膜装置技术和工艺国际领先,设备从国外进口,国内没有可以参考的相关资料,在本工程中如何保证超滤膜装置的施工质量,是 QC 小组在本次活动中需要解决的首要问题。小组简介1.小组业绩简介本小组自 2025 年成立以来,持之以恒的坚持技术攻关与创新活动,为制造精品工程提供了可靠的技术保障。目前已荣获青岛市建筑业 QC 成果一等奖 3 项,并数次代表青岛市出席山东省建筑业 QC 成果发布,获得山东省 QC 成果二等奖一次,省建筑业优秀质量信得过班组两次。.2.小组成员简介小组名称水处理 QC 小组成立时间 2025.5 小组注册编号课题名称 提高超滤膜装置安装一次验收合格率课题类型指令性目标值攻关型课题注册号小组人数8 人 平均接受 QC 教育时间98 小时本课题活动时间2025.3-2025.10姓名性别年龄职称职 务学历组内任职男45高级工程师项目经理大本组长男35高级工程师项目技术负责人大本副组长男27助理工程师施工员大本组员男27助理工程师质检员大本组员男28助理工程师资料员大本组员女27助理工程师技术员大本组员男37技师钳工中专组员男26助工材料员大专组员制表人: 日期:2025.3.5活动计划阶段 活动计划采纳方法 计划时间监督人3 月 4 月 5 月 6 月 7 月 8 月 9 月 10 月P选择课题图文字 现状调查图文字 设定目标文字 分析原因亲和图、关联图 确定主要原因调查表 制定对策图表 D实施对策简易图 C检查效果雷达图 A巩固措施及标准化图文字 遗留问题和今后打算文字 制表人: 日期:2025.3.7一、选择课题二、设定目标 根据现场情况德国专家要求海水淡化超滤膜装置安装一次验收合格率达到 93%。 工程内实外美,达到国际合格标准 工程内实外美,达到国际合格标准 塑造精品工程、铸就长青基业 塑造精...

1、当您付费下载文档后,您只拥有了使用权限,并不意味着购买了版权,文档只能用于自身使用,不得用于其他商业用途(如 [转卖]进行直接盈利或[编辑后售卖]进行间接盈利)。
2、本站所有内容均由合作方或网友上传,本站不对文档的完整性、权威性及其观点立场正确性做任何保证或承诺!文档内容仅供研究参考,付费前请自行鉴别。
3、如文档内容存在违规,或者侵犯商业秘密、侵犯著作权等,请点击“违规举报”。

碎片内容

提高海水淡化超滤膜装置安装一次验收合格率

您可能关注的文档

确认删除?
VIP
微信客服
  • 扫码咨询
会员Q群
  • 会员专属群点击这里加入QQ群
客服邮箱
回到顶部