1.15 桥面混凝土铺装层施工1.15.1 适用范围适用于公路及城市桥梁工程中桥面混凝土铺装层的施工。1.15.2 施工准备1.15.2.1 技术准备1. ...
技 术 交 底 记 录表 C2-1资料编号项目名称未名生物药业产业园一期南区 A 楼 3-6 层改造工程交底日期2025 年 3 月 11日分项...
地暖地板铺装 10 项注意 1.一定要找具备地暖专业知识的施工队伍。“三分地板,七分安装”,业余装修队铺出的效果不言而喻。 2.铺装前必...
园林铺装工程主要是园路铺装,园林铺装工程的好坏直接关系到整个园林工程的效果。为此,我们要加强施工力量、加大施工质量监督力度,严格根...
公路桥面铺装破坏原因及预防措施公路桥面铺装破坏原因及预防措施 摘要:公路桥面铺装种类较多,无论是水泥砼复合桥面、钢结构复合桥面,还...
**投资区**路、**路、**大道二期人行道铺装及道路绿化工程招 标 文 件招标编号:**招标人: ** 投资区开发建设有限公司 (盖章) 招标...
龙岗中心城新建成道路绿化提升工程监 理 规 划编 制: 审 核: 审 批: 深圳昊源建设监理有限公司 2025年11月目 录 一、工程概...
目 录1 、 编 制 说 明 .......................................................................................31.1 、 编 ...
工程编号:合同编号:xxxxx林业园林园合字[2025] 号广 东 省 建 设 工 程 标 准 施 工 合 同 工程名称:广州动物园游乐场铺...
重庆路快速路工程露骨料透水混凝土人行道铺装施工技术 编制单位: 编制时间: 一、露骨料透水混凝土简介:露骨料透水混凝土:它是一种多...
奉贤区公路管理所环城东路绿化整治工程道路两侧景观改造工程施工方案编制单位:上海振薇环境艺术设计工程有限公司编制日期:2 017 年 1 ...
桥面铺装病害检测与加固摘要以京石高速公路 4 路桥梁桥面铺装出现的病害情况为依据,论述桥面铺装病害的检测方法并分析病害产生原因,提...
G310 洛阳市境(新安段)改建工程桥 面 铺 装 防 水 层施工技术方案山东天诚市政公路工程有限公司二 0 一五年十月桥面铺装防水层...
施工组织设计/方案报审表工程名称: 南通市 长江中路高架 工程 A 标段 编号: A3.3 -- 致: 江苏华宁交通工程咨询监理公司 (监...
劳 务 合 同 编号:20250225甲方:______________________身份证号:____________________乙...
技术交底工程名称济青高速济南段具体部位桥面铺装日期2009-7-25内容桥面铺装凿除重建一、原钢筋混凝土桥面板的凿除桥面铺装铲除采纳空气压...
桥面铺装施工方案一、工程概述××工业园区××快速路东延二期 BH-5 标的施工范围西起××铁路××工业园区站,沿××路,东至××大桥与...
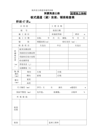
陕西省公路建设通用表格 陕蒙高速公路 监理独立抽检板式通道(涵)安装、铺装检查表 桥涵 47 表★合 同 段工 程 名 称桩 号检查...
高速公路复线标 桥面铺装(混凝土调平层)施工方案项目经理部 2025 年 6 月 目录一、编制说明........................................
市政工程技术交底-广场铺装市政路桥 2025-12-14 09:03:18 阅读 116 评论 1 字号:大中小 1 适用范围适用于大型天然石材、人工合成...

