1现金宝集合资产管理计划“现金宝”集合资产管理计划方案XX证券股份有限公司二零一一年九月2现金宝集合资产管理计划公司名称顶点软件股份有...
行政事业资产管理信息系统操作说明目录目录.............................................-1-二、浏览器的设置.............................
流动资产管理一、单项选择题1.在存货的管理中与建立保险储备量无关的因素是()。(A)缺货成本(B)平均库存量(C)交货期(D)存货需求量正确答案...
美的制冷家电集团企业标准QG/ML02.04-2007a固定资产管理制度2007-9-5发布2007-9-5实施美的制冷家电集团发布修订页编制/修订原因说明:根据...
财务类考核—固定资产管理考核—考核方法名称财务类考核—固定资产管理考核—考核方法编码版本页次1—4修改状态1.机电设备部考核分值表考...
IT资产管理介绍目录IT资产管理关注点和目标.............................................................................................
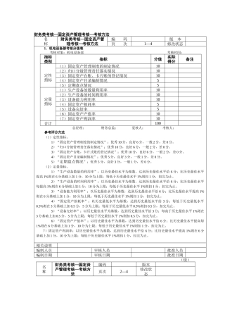
财务类考核—无形资产管理考核—考核方法名称财务类考核—无形资产管理考核—考核方法编码版本页次1—4修改状态1.技术开发部考核分值表考...
财通资产-明凯市政特定多个客户专项资产管理计划投资说明书资产管理人:上海财通资产管理有限公司资产托管人:中国光大银行股份有限公司二〇...
《财务管理》电子教案河北工程大学财务管理课程组第一章财务管理总论第一节财务管理的概念•一、企业财务活动存在的客观基础企业财务活动...
《远东二期专项资产管理计划标准条款》目录前言.........................................................................................
常用会计分录大全目录1第一章货币资金及应收款项2第二章存货3第三章投资4第四章固定资产5第五章无形资产及其他资产6第六章流动负债7第七章...
第二十章行政事业单位会计考情分析从近三年的试题看,本章考试的题型为单选题、多选题和判断题。客观题考核的主要是一些基本概念。本章考试...
德邦创新资本•山东新基立项目专项资产管理计划(一期)资产管理计划合同编号:TIC[2013]02501号资产委托人编号:TIC[2013]02501001号德邦...
工会资产管理知识竞赛试题一、选择题1、工会资产是指(A)A、受国家法律保护的,通过多种渠道形成的,由工会所拥有、占有、使用、收益和处...
北京世纪华夏资产管理有限公司龙房商道商业街项目(三)1项目商业区位及道路交通分析......................................................
光大阳光集合资产管理计划说明书计划管理人:光大证券有限责任公司计划托管人:中国光大银行目录一、重要提示...............................
第二章技术规范与相关要求一、总体要求1、所投仪器设备必须是原装正品,配套附件除特别声明外,均为出厂配置。2、仪器设备用人民币报价,应...
昆仑学院毕业设计说明书题目:西宁兰宁汽车修理厂固定资产管理信息系统学生姓名:马青学号:0958105036指导教师:李蓓专业年级:信息管理与...
第六章金融工具管理--金融资产金融工具,是指形成一个企业的金融资产,并形成其他单位的金融负债或权益工具的合同。金融资产主要包括库存现...
工会资产管理问题调研报告加强管理增加存量保值增值关于工会资产管理的几点思考工会资产是指在法律上由工会组织拥有所有权的各类资产,是工...

