第七章 地下洞室开挖及支护7.1 工程概况……………………………………………7-17.2 开挖施工的难点和对策……………………………7-57.3...
第 6 章 地下洞室开挖及支护施工方法说明6.1 概述本标段地下洞室开挖包括引水隧洞(桩号引 0+0.000~引 4+0.000 m)和 1#、2#施工...
端头扩大型锚杆在深基坑支护中的应用1、简述端头扩大型锚杆的工作机理岩土锚固是岩土工程的一个重要分支,岩土锚固技术属于一种充分挖掘岩...
XX 移动 XX 培训中心工程工程土方开挖专项方案 编 号: JLA20250002 编 制: 审 核: 批 准: XX 工程技术有限公司2025 年...
福建某大型商业广场基坑支护工程设计计算书计算人:审核人:审定人:福建省 地质勘察讨论院年 月 日设计计算书说明工程名称: 商业广场...
福州大厦深基坑支护设计与施工 摘要 深基坑支护设计与施工是当前城市高层、超高层建筑突显的技术难题。通过工程实例,从设计方案的选择到...
目录一、编制依据..........................................7二、工程概况..........................................71、工程简述........
xx 大厦基坑支护工程施 工 方 案xx 市工程勘察置业有限公司xx 年 xx 月目 录一、编制依据.........................................
一、编写依据.........................................................................................................................
成都东区***项目一标段工程演艺中心土方开挖施工方案编制: 审核: 审批: 中建*局成都东区***二期一标段工程项目经理部2025 年 3 月...
滨海滩涂地区某深基坑支护结构位移分析xx(xx 大学, 人民大道 58 号 570228)摘要:本文就 xx 滨海地区某深基坑的监测结果进行分析...
合同编号:滨江某科研风景楼基坑支护施工合同甲方(发包方): 乙方 (承包方): 二 00 年 月 日基坑支护工程施工合同甲方(发包单位...
1 编制依据(1)根据广州名阳建筑设计有限公司设计的金沙县城东片区环境综合整治项目-黎明拆迁安置小区一期工程设计施工图;(2)招投标文件、...
深基坑联合支护结构在郑州市某工程中的设计与应用深基坑联合支护结构在郑州市某工程中的设计与应用 摘要 本文介绍了郑州市健康路 176 ...
基 坑 支 护 、 降 水施 工 方 案第 一 部 分 概 述1.0 设 计 依 据1 . 《 海 口 市 旅 游 医 疗 服 务 保...
深基坑支护设计 7设计时间:xx-02-12 ----------------------------------------------------------------------[ 支护方案 ]---------...
深基坑支护的设计、施工、监测技术是近 10 多年来在我国逐渐涉及的技术难题。深基坑的护壁,不仅要求保证基坑内正常作业安全,而且要防止...
深基坑支护设计浅探——某综合楼工程为实例 深基坑支护的设计、施工、监测技术是近 10 多年来在我国逐渐涉及的技术难题。深基坑的护 壁...
深基坑支护设计浅探——某综合楼工程为实例 深基坑支护的设计、施工、监测技术是近 10 多年来在我国逐渐涉及的技术难题。深基坑的护 壁...
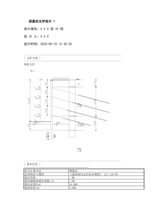
深基坑支护设计 1设计单位:X X X 设 计 院设 计 人:X X X设计时间:2025-05-15 12:30:53-----------------------------------...

