校园监控值班记录表——宾县第二小学时间监控部位校门口校园一楼二楼三楼四楼备注值班人员01月01日迟伟绩01月02日迟伟绩01月03日迟伟绩01月...
项目部定期安全检查记录编号:工程名称检查时间2013年12月17日检查人员存在问题及隐患:1、配电箱摆放不规范,随意摆在地上。2、部分工人没...
5.14.1一般抹灰工程检验批质量验收记录表GB50210—2001030201□□单位(子单位)工程名称××市光明花园8号商住楼分部(子分部)工程名称抹...
石排镇中心幼儿园教研活动记录时间2010年10月15日地点教研内容《如何提高班级管理常规》会议室主持人园长:叶锦嫦应参加学习人员全体教师教...
中心小学健康教育活动记录表2015—2016年度活动主题中心小学与社区联合开展“携手共筑健康之路”的主题教育活动活动时间2015.11.20活动地点...
环境因素排查表部门(班组):填写人:日期:年月日编号:JL201.05.01-01-01.2003序号活动、产品、服务环境因素(明确污染因子/物质/组分)...
外国语实验学校学区培优记录2014---2015学年第二学期教师:黄敏执教科目:数学优生优培(1)对优生的培养工作通过课内和课外两条渠道来完成...
小学生实践活动记录表活动名称清扫街道卫生活动日期4月9日星期一指导老师姜楠参加学生(班级)六年级活动地点南陆街活动目的1.通过亲身体...
小二班幼儿个案记录表幼儿姓名张欣钰性别女观察人孙莉莉观察时间10月11日观察地点活动区观察记录今天建构区里很热闹,有的在拼搭马路,有的...
小班建构室观察记录表班级时间主题指导教师目标好较好加油情绪情感1、对建构游戏感兴趣,根据自己的意愿搭建,在搭建过程中情绪愉悦。2、爱...
安全教育培训记录表AQ-C1-18编号培训主题新入场人员安全教育培训培训对象及人数在施人员培训部门或召集人安全部主讲人董全忠胡家彤记录整理...
员工消防安全培训记录授课时间:2018年6月1日授课地点:临时会议室参训人员:全体员工授课人:一、消防基础知识1、消防工作的基本方针:预...
我为文明来践行鼓楼区中、小学生“21天养成一个好习惯”记录表校名鼓楼实验小学班级三年6班姓名王晨旭性别男想要养成的好习惯早起,帮做家...
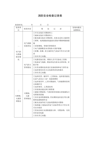
消防安全检查记录表检查时间:年月日检查项目检查内容情况记录发现问题及处置情况一电气防火措施落实情况电气线路设备状况□开关安装在可燃...
指导青年教师记录表一指导教师姓名杨文艳被指导教师姓名李娜指导时间3月3号指导地点北田中学内容课堂教学提问技能。课堂提问作为教师的基本...
地面砖面层隐蔽工程验收记录工程名称宁波***气象局气象台迁建工程*2#附属用房项目经理***分项工程名称地面砖面层工程专业工长隐蔽工程项目...
长螺旋钻孔泵压混凝土灌注桩记录工程名称:设计桩径:400mm施工单位:强度等级:C25砼坍落度:160~200施工年份:2015年序号桩号施工日期施...
双体系领导小组组长责任制考核表考核频次:季度/次序号考核内容扣分标准总分得分不符合情况描述1负责确定各级人员、各部门的双体系职责,组...
心理预警记录预警时间2016.9.8预警方式谈话预警对象二年级学生王静一预警内容1.鼓励其热情与同学交往,与同学和睦相处。2.鼓励其上课要大胆...
校本课程教学记录教学时间2011.8.30教学内容文明礼仪常识指导教师教学过程教学过程:1.讲解礼仪重要性礼仪是人类为维系社会正常生活而要求...

