电脑桌面
添加小米粒文库到电脑桌面
安装后可以在桌面快捷访问

高程测量记录表VIP专享VIP免费

高程测量记录表_第1页
1/74
高程测量记录表_第2页
2/74
高程测量记录表_第3页
3/74
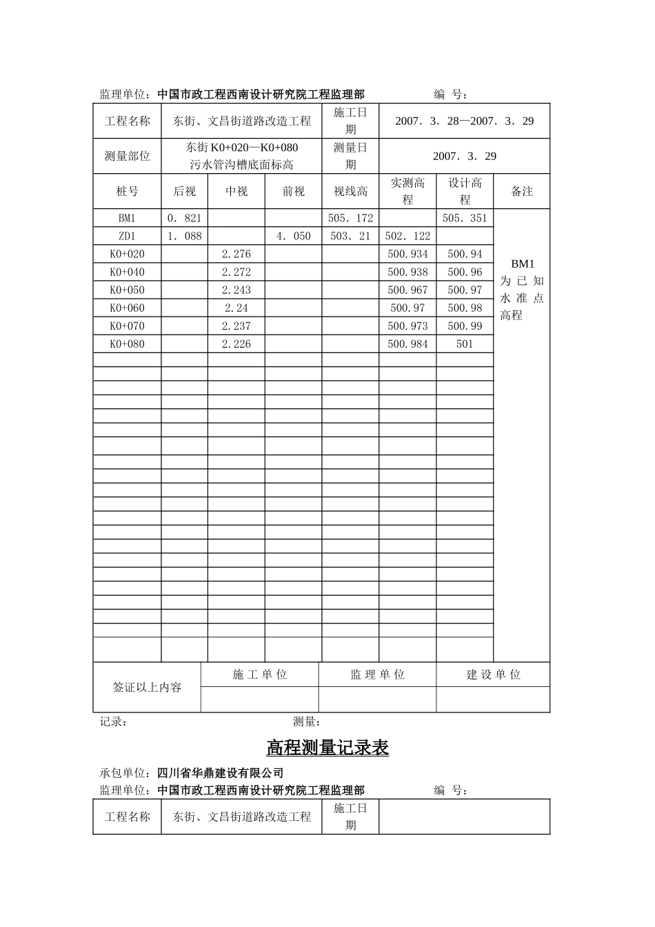
高程测量记录表承包单位:四川省华鼎建设有限公司监理单位:中国市政工程西南设计研究院工程监理部编号:工程名称东街、文昌街道路改造工程施工日期测量部位东街K0+020—K0+080污水管沟槽原地面标高测量日期2007.3.20桩号后视中视前视视线高实测高程设计高程备注BM11.823507.174505.351BM1为已知水准点高程K0+0201.162506.012K0+0401.516505.658K0+0501.580505.594K0+0601.652505.522K0+0701.713505.461K0+0801.757505.417签证以上内容施工单位监理单位建设单位记录:测量:高程测量记录表承包单位:四川省华鼎建设有限公司监理单位:中国市政工程西南设计研究院工程监理部编号:工程名称东街、文昌街道路改造工程施工日期2007.3.28—2007.3.29测量部位东街K0+020—K0+080污水管沟槽底面标高测量日期2007.3.29桩号后视中视前视视线高实测高程设计高程备注BM10.821505.172505.351BM1为已知水准点高程ZD11.0884.050503.21502.122K0+0202.276500.934500.94K0+0402.272500.938500.96K0+0502.243500.967500.97K0+0602.24500.97500.98K0+0702.237500.973500.99K0+0802.226500.984501签证以上内容施工单位监理单位建设单位记录:测量:高程测量记录表承包单位:四川省华鼎建设有限公司监理单位:中国市政工程西南设计研究院工程监理部编号:工程名称东街、文昌街道路改造工程施工日期测量部位东街K0+360—K0+480污水管沟槽原地面标高测量日期2007.3.20桩号后视中视前视视线高实测高程设计高程备注BM31.176506.159504.983BM3为已知水准点高程K0+3601.418504.741K0+3801.505504.654K0+3901.534504.625K0+4001.577504.582K0+4101.603504.556K0+4201.622504.537K0+4301.658504.501K0+4401.684504.475K0+4501.676504.483K0+4601.662504.497K0+4701.637504.522K0+4801.608504.551签证以上内容施工单位监理单位建设单位记录:测量:高程测量记录表承包单位:四川省华鼎建设有限公司监理单位:中国市政工程西南设计研究院工程监理部编号:工程名称东街、文昌街道路改造工程施工日期2007.3.30—2007.3.31测量部位东街K0+360—K0+480污水管沟槽底面标高测量日期2007.3.31桩号后视中视前视视线高实测高程设计高程备注BM30.401505.384504.983BM3为已知水准点高程K0+3603.96501.424501.43K0+3804.011501.373501.38K0+3904.036501.348501.36K0+4004.067501.317501.33K0+4104.083501.301501.31K0+4204.11501.274501.28K0+4304.132501.252501.26K0+4404.169501.215501.23K0+4504.195501.189501.21K0+4604.211501.173501.18K0+4704.23501.154501.16K0+4804.264501.12501.13签证以上内容施工单位监理单位建设单位记录:测量:高程测量记录表承包单位:四川省华鼎建设有限公司监理单位:中国市政工程西南设计研究院工程监理部编号:工程名称东街、文昌街道路改造工程施工日期测量部位东街K0+080—K0+180污水管沟槽原地面标高测量日期2007.3.20桩号后视中视前视视线高实测高程设计高程备注BM11.299506.650505.351BM1为已知水准点高程K0+0901.28505.37K0+1001.33505.32K0+1201.4505.25K0+1301.53505.12K0+1401.67504.98K0+1501.62505.03K0+1601.58505.07K0+1701.61505.04K0+1801.68504.97签证以上内容施工单位监理单位建设单位记录:测量:高程测量记录表承包单位:四川省华鼎建设有限公司监理单位:中国市政工程西南设计研究院工程监理部编号:工程名称东街、文昌街道路改造工程施工日期测量部位东街K0+080—K0+180污水管沟槽底面标高测量日期桩号后视中视前视视线高实测高程设计高程备注BM10.207505.558505.351K0+0904.555501.003501.01BM1为已知水准点高程K0+1004.553501.005501.02K0+1204.532501.026501.04K0+1304.529501.029501.05K0+1404.503501.055501.06K0+1504.492501.066501.07K0+1604.484501.074501.08K0+1704.476501.082501.09K0+1804.482501.076501.1签证以上内容施工单位监理单位建设单位记录:测量:高程测量记录表承包单位:四川省华鼎建设有限公司监理单位:中国市政工程西南设计研究院工程监理部编号:工程名称东街、文昌街道路改造工程施工日期测量部位...

1、当您付费下载文档后,您只拥有了使用权限,并不意味着购买了版权,文档只能用于自身使用,不得用于其他商业用途(如 [转卖]进行直接盈利或[编辑后售卖]进行间接盈利)。
2、本站所有内容均由合作方或网友上传,本站不对文档的完整性、权威性及其观点立场正确性做任何保证或承诺!文档内容仅供研究参考,付费前请自行鉴别。
3、如文档内容存在违规,或者侵犯商业秘密、侵犯著作权等,请点击“违规举报”。

碎片内容

高程测量记录表

确认删除?
VIP
微信客服
  • 扫码咨询
会员Q群
  • 会员专属群点击这里加入QQ群
客服邮箱
回到顶部