汕头卜蜂莲花超市中旅店布局研究摘要零售业,从营销学的定义是任何一个处于从事由生产者到消费者的产品营销活动的个人或公司,他们从批发商...
你学会静思了吗?郭莲花许多时候,我们的课堂教学不能由老师一手包办,那种“教师滔滔不绝、口若悬河的个人表演”早已过时,只有学生从自己...
看取莲花净,莲心不染尘看取莲花净,莲心不染尘从我喜欢茶的时候,就喜欢上莲了。小小的一朵莲,清雅孤绝,自成风景。白莲,有一种清新脱俗...
机关第三支部,莲花赞莲花赞谈到廉洁,心中自然而然地就想到了莲花,“莲”乃花中君子,“廉”为人之正品,莲花之“莲”与廉洁之“廉”既有谐音,...
莲花中学电子交互式白板招标条件及要求一、电子白板数量:41块,(尺寸1.25m×1.65m)二、一体式交互式白板参数规格名称序号项目技术参数硬...
莲花简介莲花,多年生水生植物。根茎(藕)肥大多节,横生于水底泥中。叶盾状圆形,表面深绿色,被蜡质白粉覆盖,背面灰绿色,全缘并呈波状...
莲中高三(Ⅱ)部2009届理科数学限时训练(1)命题:尹少军1.复数,则A.1B.2C.D.52.已知集合,,则A.B.(1,3)C.(1,)D.(3,)3....
萍乡市公路管理局莲花分局“四抓一保”活动实施方案为进一步加强养护生产与管理,全面提升养护管理水平,促进莲花公路又好又快发展,根据市...
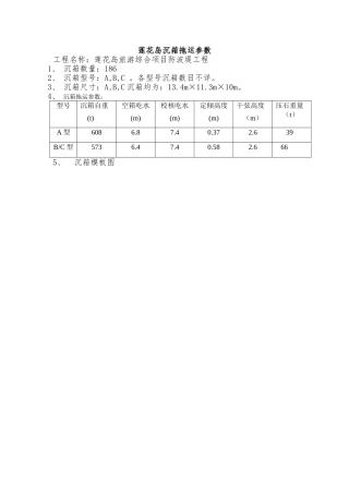
莲花岛沉箱拖运参数工程名称:莲花岛旅游综合项目防波堤工程1、沉箱数量:1862、沉箱型号:A,B,C。各型号沉箱数目不详。3、沉箱尺寸:A,B,C...
乡城:川西南的一朵八瓣莲花八方胜景乡城地处沙鲁里山系南端,硕曲、定曲、玛依三条河流由北向南流过,将地貌切割为三谷、四山、六面坡。这...
王莲花彩铅画教程彩铅画教程王莲花是睡莲科王莲属植物。它不仅拥有巨型奇特似盘的叶片,浮于水面,十分壮观,而且以娇容多变的花色和浓厚的...
浅谈在“双语”教学中的感悟精河县第一小学达·雪莲花本人从事教学工作以来,在教学过程中遇到过很多的问题,通过不断地学习,如:向老教师...
如何画莲花工笔画_工笔画教程莲花,出淤泥而不染,濯清涟而不妖,是古往今来文人墨客赞美的对象,那如何画莲花工笔画呢?今天学画画网就为...
罗甸县莲花幼儿园特殊儿童管理干预措施及护理要求龋齿一、龋齿的控制策略与措施教育幼儿从小养成良好的卫生习惯,饭后要漱口,每天早晚刷牙...
蓝莲花彩铅画教程彩铅画教程“那自由地世界,如此的清澈高远,盛开着永不凋零,蓝莲花”有没有人和我一样喜欢许巍的这首《蓝莲花》呢?蓝莲...
蓝莲花怎么画_有哪些彩铅绘画步骤_彩铅画教程今天这篇彩铅画教程要跟大家分享一朵蓝色莲花的画法,莲花其实就是荷花,我们常见的是粉色的荷...
蓝莲花怎么画_有哪些绘画步骤_彩铅画教程大家在日常生活中见过蓝莲花吗,蓝莲花其实就是睡莲中的一种,我们常见的睡莲都是粉色或者黄色的,...
2011年3月广州美博会鳯莲花品牌终端加盟特惠方案深圳市御方健康管理投资有限公司“鳯莲花”品牌·终端加盟美博会方案特惠方案一首批拿货:3...
莲花升麻怎么画_彩铅绘制要注意什么_彩铅画教程莲花升麻不是莲花,而是类银联属的一种草本植物,这不是中国的原著花,而是生长在日本的一种...
蓝莲花水彩画教程水彩画教程可能是因为冬天的缘故,心情莫名的很烦躁,基本一整周都不下楼,只是简单的缱绻在室内,写写画画,这两天开始无...

