目 录 一 、工程概况 二、现场勘查 三、临时用电设计说明 四、配电设计 五、安全用电措施 外 墙 保 温 工 程 施 工 现 场...
外 墙 保 温 施 工 方 案 与 技 术 措 施 ( 一)施 工 准备 1、 技 术 准 备 : ①、熟 悉 工 程 图 纸 和...
颐 和 园 南 侧 地 块 项 目 外 墙 保 温 工 程 施 工 方 案 1 1、 编 制 依 据 1.1 本 工 程 施 工 图 ...
- 1 - 墙 体 外 保 温 施 工 方 案 一 、 编 制 依 据 1、 1#住 宅 楼 等 17 项 ( 北 京 市 大 兴 区 亦...
技术、质量交底记录 C2-03 工程名称 利民开发区 CBD 银行办公楼 B 座 编 号 JD20110705 交底项目 外墙保温施工 交底日期 201...
外墙保温施工常见问题及预防措施 目前,随着外墙外保温系统在国内市场的普及使用,各种形式的工程质量问题逐渐显现出来。保温系统在施工过...
外墙保温施工工艺及要求 一、 外墙保温材料: 挤塑板 聚苯板 岩棉板 网格布 粘接砂浆 锚栓 外墙保温各层 二、 外墙保温施工条件...
外墙保温施工工艺 一、 外墙保温的分类 1 . 按外墙保温材料所在位置不同,外保温主要分为外保温、内保温和夹心保温三类。 1 )外墙...
外墙保温施工安全技术交底 外墙保温施工安全交底 工程名称 工种 外墙保温 施工班组 交底人 交底日期 安全技术交底内容: 一、安全...
外墙保温施工合同范本5 篇 外墙保温是由聚合物砂浆、玻璃纤维网格布、阻燃型模塑聚苯乙烯泡沫板(EPS)或挤塑板(XPS)等材料复合而成,现场...
目 录 目 录 .............................................................. 1 第一章 编制范围及编制依据 ......................
外墙保温施工方案 一、施工条件: 1、基层墙体已验收合格。门窗框及墙身上各种进户管线、水落管支架、预埋件等按设计安装完毕。 2、剪力...
外墙保温抗裂砂浆 报验申请表 工程名称:阜阳市和谐家苑4 # 楼 编号: 致:阜阳市宏图建设监理公司(监理单位) 我单位已完成了4#楼...
外墙保温工程 1 技 术 标 部 分 外墙保温工程 投 标 文 件 招标编号:2014年HBGD(02) 项目名称:外墙保温工程 投标文件内...
附:建筑节能工程施工质量验收资料 目 录 序号 编号 资 料 名 称 页码 备注 一 JN 1 建筑节能工程施工、技术管理资料 . 1...
外 墙 保 温 涂 料 工 艺 流 程 及 注 意 事项 保 温 篇 外墙保温施工的工艺流程大体可以归结为以下几步:基层验收--苯...
建筑装饰装修工程施工质量验收资料 外 墙 保 温 施 工 施工单位: 监理单位: 目 录 1 、开工报告报审表 2 、开工报告 3 ...
外墙保温工程施工方案 一、编制说明: 本保温施工方案的保温工艺、施工工法、质量验收等,依据以下标准编制。 《外墙保温工程技术规程》...
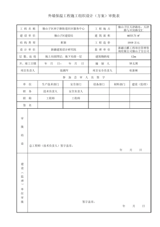
外墙保温工程施工组织设计(方案)审批表 工 程 名 称 独山子区西宁路街道社区服务中心 工 程 地 点 独山子区天津路东,天津路与...
外墙保温工程施工合同书 甲方:锦宸集团有限公司重庆分公司第七项目部 乙方:重庆有益建筑劳务工程有限公司 依据《中华人民共和国经济合...


