广佛江快速通道江门段南线1标临时用电安全专项方案编制:审核:中国中铁股份有限公司二○一五年四月目录1.编制范围.........................
№秦山核电三期南线道路施工方案单位:审定:审核:编制:一九九七年四月二十九日目录1.编制依据2.工程概况3.施工准备4.主要施工方法5.施工...
目录第1章编制依据...............................................................................................11.1业主提供文件.....
№秦山核电三期南线道路施工方案单位:审定:审核:编制:一九九七年四月二十九日目录1.编制依据2.工程概况3.施工准备4.主要施工方法5.施工...
第1页共109页编号:时间:2021年x月x日书山有路勤为径,学海无涯苦作舟页码:第1页共109页施工组织设计编制说明一、本投标施工组织设计严格...
目录第一章编制依据...................................................................................................................
超大规格特种铝合金铝板带材项目板带车间(1)及优化特种铝合金板带材产品结构配套项目优化结构车间部分土建工程投标文件(第一标段)招标编号:...
第1页共33页编号:时间:2021年x月x日书山有路勤为径,学海无涯苦作舟页码:第1页共33页西湖环路南线景区建议组织设计目录第一章编制依据第...
目录第一章编制依据...................................................................................................................
第1页共32页编号:时间:2021年x月x日书山有路勤为径,学海无涯苦作舟页码:第1页共32页西湖环路南线景区建议组织设计目录第一章编制依据第...
№秦山核电三期南线道路施工方案单位:审定:审核:编制:一九九七年四月二十九日目录.编制依据.工程概况.施工准备.主要施工方法.施工进度...
温州绕城高速公路西南线建设项目管理大纲温州绕城高速公路西南线有限公司二○一二年六月前言温州绕城高速公路西南线建设项目已由浙江省发展...
超大规格特种铝合金铝板带材项目板带车间(1)及优化特种铝合金板带材产品结构配套项目优化结构车间部分土建工程投标文件(第一标段)招标编号:...
温州绕城高速公路西南线建设项目管理大纲温州绕城高速公路西南线建设项目管理大纲温州绕城高速公路西南线有限公司二○一二年六月前言温州绕...
磐安县西坑畈至南坑公路改建工程第1合同段(K0+000~K5+900)实施性施工组织设计方案(初稿)浙江诚骏建设工程有限公司西南线公路改建工程第一...
编:工程名称监理规划批准:技术负责人编制:总监理工程师×××工程监理部年月日目录1.工程工程概况………………………………………………...
目录第一章、组织机构说明由于本工程质量要求高,因此必须组织一个强有力的管理组织机构,派精兵强将及各个专业的精英分子组成最强的阵容到...
民心河东线和南线维修改造工程-栏杆安装工程施工组织设计公司2016年7月4日目录第一章工程概况第二章施工部署及现场平面布置第三章施工方法...
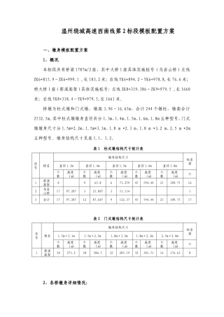
温州绕城高速西南线第2标段模板配置方案一、墩身模板配置方案1、概况本标段共有桥梁1787m/2座,其中大桥1座具体实施桩号(乌岩山桥)左线ZK...
南线工程试验段Ⅴ标段抛石护脚分项施工方案3+955-4+251段水下抛石施工方案一、工程概况1.1工程名称:镇海东排南线工程试验段Ⅴ标段1.2工程...

