电脑桌面
添加小米粒文库到电脑桌面
安装后可以在桌面快捷访问

温州绕城高速西南线第2标段模板配置方案VIP免费

温州绕城高速西南线第2标段模板配置方案_第1页
1/9
温州绕城高速西南线第2标段模板配置方案_第2页
2/9
温州绕城高速西南线第2标段模板配置方案_第3页
3/9
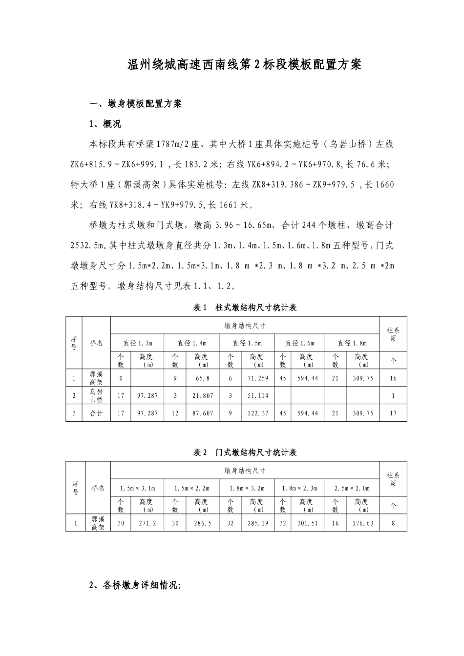
温州绕城高速西南线第2标段模板配置方案一、墩身模板配置方案1、概况本标段共有桥梁1787m/2座,其中大桥1座具体实施桩号(乌岩山桥)左线ZK6+815.9~ZK6+999.1,长183.2米;右线YK6+894.2~YK6+970.8,长76.6米;特大桥1座(郭溪高架)具体实施桩号:左线ZK8+319.386~ZK9+979.5,长1660米;右线YK8+318.4~YK9+979.5,长1661米。桥墩为柱式墩和门式墩,墩高3.96~16.65m,合计244个墩柱,墩高合计2532.5m。其中柱式墩墩身直径共分1.3m、1.4m、1.5m、1.6m、1.8m五种型号,门式墩墩身尺寸分1.5m*2.2m、1.5m*3.1m、1.8m*2.3m、1.8m*3.2m、2.5m*2m五种型号。墩身结构尺寸见表1.1、1.2。2、各桥墩身详细情况:表1柱式墩结构尺寸统计表序号桥名墩身结构尺寸柱系梁直径1.3m直径1.4m直径1.5m直径1.6m直径1.8m个数高度(m)个数高度(m)个数高度(m)个数高度(m)个数高度(m)个1郭溪高架0965.8671.25945594.4421309.75162乌岩山桥1797.287321.807351.11413合计1797.2871287.6079122.3745594.4421309.7517表2门式墩结构尺寸统计表序号桥名墩身结构尺寸柱系梁1.5m×3.1m1.5m×2.2m1.8m×3.2m1.8m×2.3m2.5m×2.0m个数高度(m)个数高度(m)个数高度(m)个数高度(m)个数高度(m)个1郭溪高架30271.230286.532285.1932301.5116176.6382.1乌岩山桥墩身结构尺寸明细表表3乌岩山桥墩身数量表桥名墩号墩身柱系梁(个)直径1.3m直径1.4m直径1.5m墩高(m)乌岩山桥右线135.539/5.027/4.1152310.414/7.002/4.39合计330乌岩山桥左线138.335/6.518/2.501224.13/2.167338.228/6.36/4.2924317.206/17.038/16.871538.203/6.135/4.567639.691/7.523/3.955合计14032.2郭溪高架墩身结构尺寸明细表表4郭溪高架1#~14#墩墩身数量表桥名墩号墩身结构尺寸左幅右幅直径1.4m直径1.5m直径1.6m直径1.8m柱系梁墩高(m)柱系梁墩高(m)郭溪高架133.19/53.965268.176/8.064/7.9529.93/9.818/9.70636114.317/14.205/14.093116.595/16.483/16.37146116.376/16.264/16.152116.76/16.648/16.536533116.226/16.114/16.002116.231/16.155/16.07966115.666/15.554/15.442115.233/15.223/15.21276114.701/14.589/14.477114.324/14.379/14.43486113.926/13.814/13.702113.424/13.536/13.64896112.166/12.054/11.94212.701/12.813/12.92510612.206/12.094/11.98212.184/12.296/12.408116112.184/12.072/11.9611.795/11.907/12.0191233111.876/11.764/11.65211.976/12.088/12.21333111.391/11.279/11.16711.553/11.665/11.77714611.031/10.919/10.80711.123/11.235/11.347合计964521106表5郭溪高架15#~49#墩墩身数量表桥名墩号墩身结构尺寸左幅右幅1.5m×3.1m1.5m×2.2m1.8m×3.2m1.8m×2.3m2.5m×2.0m柱系梁墩高(m)柱系梁墩高(m)郭溪高架154112.121/11.826112.121/11.826164110.941/.646110.941/10.64617229.757/9.2479.757/9.24718229.65/9.149.65/9.1419229.644/9.1349.644/9.13420229.537/9.0279.537/9.02721229.53/9.029.53/9.0222229.841/9.3319.841/9.33123229.751/9.2419.751/9.24124229.661/9.1519.661/9.15125229.571/9.0619.571/9.06126229.481/8.9719.481/8.97127229.39/8.889.39/8.8828229.401/8.8919.401/8.89129229.411/8.9019.411/8.90130229.221/8.7119.221/8.71131229.236/8.7269.236/8.72632228.747/8.2378.747/8.23733228.585/8.0758.585/8.07534228.564/8.0548.564/8.05435228.584/8.0748.584/8.07436228.745/8.2358.745/8.23537228.846/8.3368.846/8.33638228.888/8.3788.888/8.37839229.437/8.9279.437/8.92740229.487/8.9779.487/8.97741229.637/9.1279.637/9.12742229.786/9.2769.786/9.27643229.937/9.4279.937/9.427444110.691/10.396110.691/10.396454110.992/10.697110.992/10.679462210.187/9.67710.187/9.677472210.362/9.85210.362/9.852482210.437/9.92710.437/9.927492210.692/10.18210.692/10.182合计3030323216443、墩柱模板配置原则(1)、墩柱一次性最大浇筑高度控制在12m以内;(2)、柱系梁与墩柱一起整体浇筑,有柱系梁部分墩身按两次浇筑考虑;(3)、模板周转期按7天考虑;(4)、模板标准节2m,调...

1、当您付费下载文档后,您只拥有了使用权限,并不意味着购买了版权,文档只能用于自身使用,不得用于其他商业用途(如 [转卖]进行直接盈利或[编辑后售卖]进行间接盈利)。
2、本站所有内容均由合作方或网友上传,本站不对文档的完整性、权威性及其观点立场正确性做任何保证或承诺!文档内容仅供研究参考,付费前请自行鉴别。
3、如文档内容存在违规,或者侵犯商业秘密、侵犯著作权等,请点击“违规举报”。

碎片内容

温州绕城高速西南线第2标段模板配置方案

您可能关注的文档

确认删除?
VIP
微信客服
  • 扫码咨询
会员Q群
  • 会员专属群点击这里加入QQ群
客服邮箱
回到顶部