大连某某广场项目防水工程业主:某某置业(大连)有限公司Developer:KardanLand(Dalian)Co.,Ltd投标单位:某某公司日期:2012年3月6日正本...
预制外墙板构造防水施工工艺标准1范围本工艺标准适用于预制外墙板空腔构造防水施工工艺。2施工准备2.1材料及主要机具:2.1.1普通型自发性聚...
一、材料准备预应力筋(钢绞线、精轧螺纹钢筋或普通螺纹钢筋)、32.5级普通硅酸盐水泥、锚杆锚具(QM、QVM锚具)。二、施工机具钻孔机、拔机、...
天津城市建设管理职业技术学院毕业设计说明书/论文/实习报告题目:浅析建筑工程中地下防水中的质量通病及防治措施作者:高裔尧系别:建筑经...
厕、浴间涂膜防水施工工艺〔715-1996〕范围本工艺适用于工业与民用建筑厕、浴间地面的聚氨酯、氯丁胶乳沥青、SBS橡胶改性沥青等涂膜防水材...
目录一、工程概况及编制依据..............................................11.1工程概况.................................................
一、基础及主体工程-5-1.1模板工程.....................................................................................................
防水工程监理实施细那么审批:青岛工程建立监理工程监理部2010年11月20日卷材防水工程监理细那么即墨怡景嘉苑居住小区A区工程位于即墨墨水...
广东理工职业学院中山校区二工程图书馆主体构造防水工程监理细那么审批:中山火炬建立监理广东理工职业学院中山校区二工程监理部2021年4月...
地下防水工程施工质量验收规范1、总则1.0.1为了加强建筑工程质量管理,统一地下防水工程质量的验收,保证工程质量,制定本规范。1.0.2本规...
一、工程概况本工程是一座集商业、文娱、餐饮、办公及公寓为一体的现代化建筑,地下3层,地上31层,总建筑面积近15万m2。地下工程和首层至3...
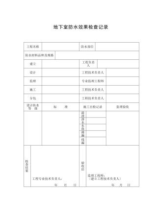
地下室防水效果检查记录工程名称防水部位防水材料品种及规格建立工程负责人设计工程技术负责人监理专业监理工程师施工工程技术负责人分包工...
目录目录一.工程编制说明(一)编制原则(二)编制依据(三)工程概况二.施工组织机构(一)现场管理结构(二)项目主要人员及其职责(三...
地下防水混凝土工程施工质量监理施行细那么第一章工程概况和特点第二章监理施行细那么1、混凝土配合比防水混凝土的配合比应符合以下规定:...
七、地下防水工程施工质量监理施行细那么(一)根本规定1、地下工程的防水等级分为4级各级应符合下表的规定。地下工程防水等级防水等级标准...
地下室防水工程监理细那么1.工程概况:地质情况地下室深度地下水位情况防水工程面积M²。2.根据GB50108—2001地下工程防水技术编写。3.适用...
11***项目防水施工组织设计编制人:___________________审批人:___________________审批人:___________________编制日期:2016年**月**日...
工程质量监理施行细那么〔范本〕一、工程概况1、建立:〔业主名称〕2、设计:〔分部或分项设计名称〕3、施工:〔分部或分项施工名称〕4、工...
目录目录....................................................................1一、施工组织设计........................................
目录第一章编制说明及依据、工程概况第二章施工管理目标第三章施工部署和平面布置第四章主要部分工项工程施工方法与施工工艺第五章工程的重...

