2022年加油站火灾事故现场处置方案1.1.事故风险分析1.1.1.事故类型事故类型主要为火灾事故。1.1.2.事故发生区域、地点或装置事故发生的区域...
广东XXX加油站安全评价报告广东XXX安全评价公司二○一五年十月目录1安全评价的依据和范围..................................................
A-25学团加油加气站(加油部分)工程安全监理规划湖南和天工程管理有限公司二0一六年八月第1页共64页编号:时间:2021年x月x日书山有路勤为...
消防安全知识手册——第二章油库、加油站安全知识1、石油产品的特性有哪些?答:石油产品的特性有:易燃性、易爆性、易积聚静电、易挥发、...
目录1建设项目概况························································...
第1页共100页编号:时间:2021年x月x日书山有路勤为径,学海无涯苦作舟页码:第1页共100页中国石油中国石油内蒙古阿拉善销售分公司西环路加...
第2页共79页编号:时间:2021年x月x日书山有路勤为径,学海无涯苦作舟页码:第2页共79页前言**加油站是一家专门从事成品油零售经营的企业,...
中国石化销售有限公司云南昆明石油分公司黄土坡加油站安全预评价报告前言由于该工程在加油、贮运过程中存在着易燃、易爆、中毒、触电等危险...
编号:_______________晋中开发区胜峰石化产品有限公司(加油站)安全生产事故应急预案(2017年版)编制:晋中开发区胜峰石化产品有限公司...
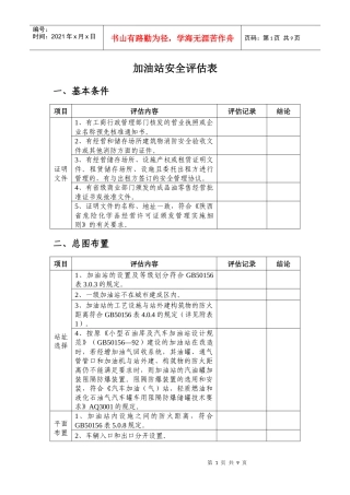
第1页共9页编号:时间:2021年x月x日书山有路勤为径,学海无涯苦作舟页码:第1页共9页加油站安全评估表一、基本条件项目评估内容评估记录结...
石油HSE论文浅析加油站施工现场HSE管理系部石油工程系年级专业班08级油气开采2班学生姓名丁博学号081395002011201指导教师迟蕾摘要随着中石...
0安全生产风险分级管控资料单位名称(盖章):XXXXX加油站2018年1月1日目录1.风险分级管控作业指导书2.作业活动清单3.工作危害分析(JHA+LS...
前言XXXXXXX公司XXXX加油站(简称:XXXX加油站)成立于XXXX年XX月XX日,注册号XXXXXXXXXXXXXX,营业场所:XXXXXXXXXXXXXXXXXXXXXXXXXXXXX,经...
xxx加油站设立安全评价报告建设单位:xxx加油站建设单位法定代表人:建设项目单位:xxx加油站建设项目单位主要负责人:建设项目单位联系人...
南京工业大学某加油站安全预评价报告南京工业大学安全工程专业2014年1月16日某加油站安全评价2南京工业大学浦江学院某加油站安全预评价报告...
交工技术文件目录序号交工技术文件编号交工技术文件名称页次填写归入本卷(册)内的交工技术文件标题的全称,“页次”栏填写交工技术文件的...
1***加油站经营危险化学品安全评价报告目录1评价概述....................................................................................
第1页共60页编号:时间:2021年x月x日书山有路勤为径,学海无涯苦作舟页码:第1页共60页《工业生产过程安全评价》课程设计报告名称:昆仑加...
加油站防雷应急预案绥德县通达石化XXXXXX单位基本情况单位名称通达石化XXXXX单位地址绥德县辛店乡龙湾村成立时间2004年6月电话传真法人代表...
加油站收银员工作总结工作总结范文理争效益,优质服务铸精品。20xx年在公司领导的亲切关怀和大力支持下,以强化内部管理铸造精品站为重点,...

