工程项目承包单位:合同号:监理单位:编号:安全管理收发文件目录表C-1序号文件来源文件标题文件日期收发文号页码来:发:来:发:来:发...
*********高速公路***标段夏季施工方案**************标段项目经理部二〇一二年七月*********标段夏季施工方案季目录一、工程概况............
通辽市公路工程质量检测中心公路工程无机结合料稳定材料试验规程目录3、原材料试验……………………………………………………………………...
XX二级公路路基X合同段危险源的识别、评价及防护措施XXX建设有限公司XX二级公路路基第X合同段项目经理部20XX年X月X日危险源的识别、评价及...
土方路基填筑卷内目录序号样表名称表格类型页码备注1工程开工申请批复单A-2略2中间交工证书A-123检验申请批复单(清理与掘除)A-534清理与...
林甸至新兴马场公路工程(K0+000—K5+000)投标文件(第一合同段)投标单位:大庆公路工程有限公司林甸分公司法定代表人:姚彬海日期:2007...
清单第100章总则子目号子目名称单位工作内容概预算项目表相应细目101-1保险费缺-a按合同条款规定,提供建筑工程一切险总额-b按合同条款规...
公路工程建设项目工程划分及计量台帐编制办法编制单位:陕西公众软件有限责任公司详细目录第一章总则.......................................
绥德县路家洼至井焉公路改建工程L-II标段水泥稳定碎石基层施工技术方案编制:审核:批准:榆林市天成建筑工程有限公司路井路改建工程L-II标...
公路工程首件工程工艺试验的重要性探讨摘要:本文以公路工程建设施工作为讨论背景,从施工管理的角度出发,对工地在施工过程实行首件工程工...
达万高速公路DW10合同段工地试验室作业指导书道隧集团工程有限公司样品接收、流转及处置作业指导书1.目的与范围规范样品进入工地试验室后的...
公路工程试验项目及频率一览表序号项目检验内容采用标准抽样频率取样方法1土工颗粒分析界限含水量试验JTJ051-93《公路土工试验规程》JTJ033...
检测中心主任岗位责任制1、工程质量检测中心主任职责负责全检测中心试验室业务、技术和行政管理工作;2、严格执行质检工作的有关规范,规章...
--公路工程试验检测员考试试题钢筋类习题一、填空题1.写出下列钢筋弯曲试验的弯心直径:HRB335¢32-(128)Q235¢10-(10)2.公路工程用...
公路工程试验检测仪器设备校准指南常用非强检设备校准方法目录1.4电动击实仪校准方法(JTJZ01-04).........................................
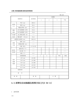
公路工程试验检测仪器设备校准指南续上表校准项目技术要求实测值123平均试验轮尺寸外径(mm)200±5轮宽(mm)50±1橡胶层厚度(mm)15±1...
目录土工标准筛校准记录表(B01-01)......................................4电热鼓风干燥箱校准记录表(B01-02)..........................
合同编号:公路工程试验检测委托合同甲方:乙方:签订地点:签订时间:年月日公路工程试验检测委托合同甲方:乙方:为了省道S258线乳源县鸭...
呼伦贝尔道路试验检测技术考试(A卷)一、单项选择题(每题的备选项中,只有1个最符合题意,每题1分,共20分)1.重型击实试验与轻型击实试...
试验项目及频率一览表序号项目检验内容采用标准抽样频率取样方法1土工颗粒分析界限含水量试验JTJ051-93《公路土工试验规程》JTJ033-95《公...

