增压透平膨胀机组通用使用维护说明书(杭氧产品)【关键词 】增压透平膨胀机 , 使用维护说明书【论文摘要 】增压透平膨胀机组通用使用...
仅供参考 [整理 ] 第 1 页 共 3 页安全管理文书增压泵安全操作规程日期: __________________单位: __________________仅供参考...
在 XX 增压站投运仪式上的讲话 在 xx 增压站投运仪式上的讲话 各位领导、 同志们: 今天,我们在这里隆重举行**投运仪式。首先,我...
数字化橇装增压集成装置长庆油田培训中心2010年4月撬装增压装置是将油气分离、缓冲、加热、增压等功能组合在一个撬装板上的装置。该装置由...
任务5进气增压控制系统概要课件•进气增压控制系统简介•进气增压控制系统的组成•进气增压控制系统的工作流程•进气增压控制系统的应用与...
汽车发动机增压第一节概述一、增压的目的是通过将空气预先压缩后供入气缸,增加进气质量,相应地增加循环供油量,从而可以增加发动机功率。...
发动机知识之四发动机涡轮增压资料课件目录•涡轮增压系统概述•涡轮增压技术的应用•涡轮增压系统的优缺点•涡轮增压技术的发展趋势•案例...
论文封面成绩:青岛科技大学2015-2016学年第1学期《过程装备与控制专业概论》班级:装控153学号:1505020312姓名:张明海开课学院:机电工...
柴油机的换气和增压柴油机从开始排气、扫气到进气结束的整个气体更换过程称为换气过程。换气过程进行的完善,压缩过程开始时残留的废气量就...
在XX增压站投运仪式上的讲话在xx增压站投运仪式上的讲话各位领导、同志们:今天,我们在这里隆重举行**投运仪式。首先,我代表****,向莅临...
家用增压水泵选购技巧及自动增压泵种类区分我们现在的很多装修公司家装公司,都是搞表面装修的,就是把能看见的间的地方都装修的很完美,很...
一种新型四缸增压柴油机排气管的设计山东华源莱动内燃机有限公司胡佳富、张建国、胡建立、田静摘要废气涡轮增压技术在车用柴油机上已得到了...
发动机增压中冷介绍课件•增压中冷技术概述•发动机增压技术目录•中冷技术介绍•增压中冷系统设计•增压中冷系统性能影响•增压中冷系统维...
增压风机变形叶片增压风机变形叶片修复修复修配车间锻工班修配车间锻工班20112011年年1212月月一、一、QCQC小组简介小组简介小组名小组名称...
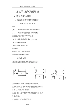
第四章柴油机的换气与增压第三节废气涡轮增压一、柴油机增压概述1.提高柴油机有效功率的途径Pe∝i·D2·s·m·n·pe式中:i,D,s——柴油...
伽利略Galileo泵-欧洲品质【SG型管道增压泵】产品:【SG型管道增压泵】产品简介:SG型管道增压泵(简称:管道泵)是为了高层建筑增压送水,...
在XX增压站投运仪式上的讲话各位领导、同志们:今天,我们在这里隆重举行**投运仪式。首先,我代表****,向莅临**现场参加投运仪式的***等*...
广州浩雄泵业专注立式和卧式全自动变频增压水泵生产制造http://www.haoxiongpump.cn1JWS-BL卧式变频增压水泵操作使用说明书V15.6广州浩雄泵...
2010年第2期车辆与动力技术Vehicle&PowerTechnology总第118期文章编号:1009-4687(2010)02-0054-04车用电辅助涡轮增压技术发展赵永生,�张�...
•涡轮增压系统概述•涡轮增压系统的种类与特点•涡轮增压系统的应用与案例•涡轮增压系统的设计与优化•涡轮增压系统的运行与维护•涡轮增...

