下载后可任意编辑 ( 化工学院本科认识实习报告学 生 姓 名 : 郭 亮系 别 : 化 工 系专 业 : 化 学 工 程 与 工 艺班...
下载后可任意编辑聚氯乙烯 PVC 防水卷材地下施工方案铺两层12024 年 4 月 19 日下载后可任意编辑聚氯乙烯(PVC)防水卷材地下室基础...
下载后可任意编辑 级高分子材料课程设计题目: 聚氯乙烯合成工艺学院名称: 专业: 班级: 学号: 姓名: 指导老师姓名: 二零一四年六月...
下载后可任意编辑硬质 PVC 管材配方与工艺设计原则12024 年 5 月 29 日下载后可任意编辑硬质 PVC 管材配方与工艺设计原则 塑料管...
包覆胶(铝材、木材、PVC包覆胶)适用材料及操作说明
下载后可任意编辑首先排好版面。预留出磁条的位置 打印之前做好拼版设定( 我们使用的是蒙泰软件, 拼版非常方便) 打印出来并裁切成 10*...
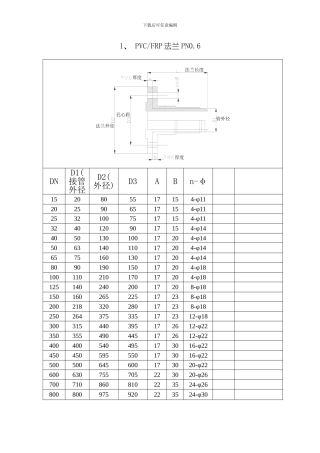
下载后可任意编辑1、 PVC/FRP 法兰 PN0.6厚度厚度法兰长度孔心距法兰外径管外径DND1( 接管外径D2( 外径) D3ABn-φ1520805517154-φ11...
下载后可任意编辑PVC 墙纸材料检测及验收标准编制说明针对当前碧桂园集团推行的 SSGF 现场工业化体系主要使用的材料, PVC 墙纸与其它...
PVC 塑胶地面施工技术关键词: PVC 塑胶; 粘贴; 地面面层塑胶卷材是由聚氯乙烯树脂、 增塑剂、 填充材料、 稳定剂、 润滑剂、 颜...
目 录一 编制依据: .................................................11.1 施工图纸.................................................
一、材料简介聚氯乙烯(简称 PVC)防水卷材,是以聚氯乙烯树脂为原料,掺加增塑剂、填充剂、抗氧剂、紫外线吸收剂及其它助剂等一次挤出而成...
1、 一根 PVCΦ20的管子,一般走几根 UTP 线? 答:一般可以走 3 根线,如果弯头超过 3 个,建议减少线数。规范要求线缆不超过线...
目录第一章总论 . ....................................................... 31.1 项目名称及承办单位 ...............................
PVC 卷材合用范畴和特性详解,附送 PVC 施工方案 (-05-03 11:25:02)转载标签: PVC 卷材 运动地板 商用地板 体育分类: 技术支持...
下载后可任意编辑施 工 技 术 交 底----------------------------精品 word 文档 值得下载 值得拥有----------------------------...
下载后可任意编辑技术交底记录 工程名称陕西石家街城中村改造东岸阳光 DK-1 3#楼交底日期2024-2-23施工单位陕西建工第三建筑集团有限公...
下载本文档,送实用办公软件20个!PVC地板革品牌调查表序号所在地区名 称报价(打折前)30天售出信用等级1上海 江浙沪免you 木地板地垫保...
下载后可任意编辑汽车涂装过程中 PVC 涂料施工工艺简介http://www.lgmi.com 发表日期:2011-10-14 兰格钢铁 我要评论 介绍了汽车涂装...
下载后可任意编辑施工组织设计一、编制依据及说明1.1 编制依据1.1.1 根据沧州市农村饮水安全工程 2024 年中央预算内投资计划项目第一批...
下载后可任意编辑暗配 PVC 管分项工程施工工艺标准(1)时间:2024-09-18 来源:本站整理 作者:电工之家 一、适用范围适用*****公司承接施...

