百度文库:教学资料教学资料------导学案第二单元百分数(二)第3课时税率【学习目标】1.知道纳税的含义和重要意义,知道应纳税额和税率的...
利税率定义利是指利润总额,“税”是指全部销售业务的税金及其附加,包括营业税和增值税等所得税前和销售有关的税种。计算公式:利税率二(...
附表1:进口商品暂定税率表序号EX①税则号列商品名称最惠国税率(%)2015年暂定税率(%)101061211改良种用鲸、海豚和鼠海豚;改良种用海...
此资料由网络收集而来,如有侵权请告知上传者立即删除。资料共分享,我们负责传递知识。技术合同税率篇一:技术服务合同增值税税率篇一:增...
税率例3百分数(二)绿色圃中小学教育网http://www.Lspjy.com一、创设情境,引入新课建设的资金从哪里来?纳税所得税收是取之于民,用之于...
此资料由网络收集而来,如有侵权请告知上传者立即删除。资料共分享,我们负责传递知识。2020印花税税目税率表,2020最新合同印花税税率表篇...
-1-六年级下册数学百分数(二)税率利率问题应用题训练题(含解析)一、解答题(共31题;共165分)L(2020•海安模拟)自2011年9月1日起,...
经济法基础第一页,共十三页。第05讲消费税的纳税人、征税范围、税目、税率第二页,共十三页。一、消费税的纳税人消费税的纳税人,是在中...
经济法基础第一页,共十三页。第05讲消费税的纳税人、征税范围、税目、税率第二页,共十三页。一、消费税的纳税人消费税的纳税人,是在中...
一)纳税人增值税的纳税人包括在中国境内销售、进口货物,提供加工、修理、修配劳务(以下简称应税劳务)的企业、行政单位、事业单位、军事...
劳务费税率表劳务报酬所得税率表个人所得税的税率表即劳务报酬所得个人所得税税率适用。(劳务费税率表劳务报酬所得税率表)注:1、本劳务...
税率与利率第二单元:百分数(二)PPT模板下载:www.1ppt.com/moban/行业PPT模板:www.1ppt.com/hangye/节日PPT模板:www.1ppt.com/jieri/P...
纳税是根据国家税法的有关规定,按照一定的比率把集体或个人收入的一部分缴纳给国家。税收是国家收入的主要来源之一。国家用收来的税款发展...
折扣要求:1.明确折扣的含义。2.能熟练地把折扣写成分数、百分数。3.正确解答有关折扣的实际问题。4.学会合理、灵活地选择方法,锻炼运...
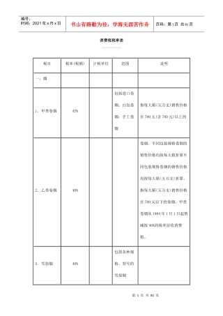
第1页共81页编号:时间:2021年x月x日书山有路勤为径,学海无涯苦作舟页码:第1页共81页消费税税率表税目税率(税额)计税单位范围说明一、烟...
税率【教学内容】税率(教材第10页有关纳税的内容,练习二第6、7题)。【教学目标】1.使学生知道纳税的含义和重要意义,知道应纳税额和税率...
百分数(三)—税率目前我国税收分为流转税、所得税、资源税、财产税、行为税五大类,共二十多种
折扣成数税率利率折扣成数税率利率整理与复习整理与复习张芳萍张芳萍折扣成数税率利率折扣成数税率利率整理与复习整理与复习张芳萍张芳萍商...
税率例3百分数(二)在2011年,全国财政支出预计将达到97910亿,支出接近10万亿。教育投入是2011年最大的支出增长点。2009年中国的财政性教...
税率例3百分数(二)纳税是根据国家税法的有关规定,按照一定的比率把集体或个人收入的一部分缴纳给国家。税收是国家收入的主要来源之一。...

