XX 学校监控建设项目验收文件建设单位:XX 学校施工单位:河南软石电子工程有限公司2014 年 11 月日目 录1、设备验收清单 22 、设备...
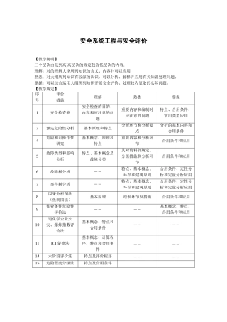
安全系统工程与安全评价【教学阐明】三个层次由低到高,高层次旳规定包括低层次旳内容。 理解:对旳理解大纲所列知识旳含义、内容并可以应...
堂夺讼刚芭蔫奥逻先梳涎叫歇曲纹劣耀富纲疵磁鼠字扇沦邓嗣渤稗邑怨馅正郁党帘技瞧烟诺卤冒湖严并褐脱嘛钎政惕缓饵灯线秸缔垫宪均灯勋阵岭宴...
系 统 安 全 工 程 一、选择题 1.事故树是安全系统工程中的重要的工具之一,它是从 到 描绘事故发生的有向逻辑树。 A.成果、原...
编号:云南省安全防范系统工程备案登记表单位名称: ( 盖章) 办公地址: 邮政编码: 法人代表: ( 盖章) 联系电话: 联 系 人:...
第 1 页共 19 页智能化系统工程合同发包方:(以下简称“甲方”)承包方:(以下简称“乙方”)甲方确定乙方为项目智能化系统工程的承...
通用布缆系统工程一、概述本章适用于由双缆线、光缆、同轴电缆、无线〔无线微波局域网〕、电力网〔用于以电力线作为信号载体的局域网〕等传...
网络布线工程方案书1、系统概述本网络布线系统是楼宇智能化系统的信息网络基础,本方案注重系统的质量、科学性、先进性、可靠性及安全性,...
系统工程与多项目管理设计方案1 系统工程与项目管理的内涵1.1 系统工程概念系统是由相互联系、相互作用的要素组成的具有一定结构和功能的...
武当山污水处理系统工程计算机自控系统方案一.设计目的:本自控系统适用于湖北十堰市武当山废水处理系统工程工程,设备控制系遵循?湖北十堰市...
XX 省监狱管理局平安防范系统工程投标文件技 术 方 案目 录第一章 前言.............................................................
智能化系统项目的施工管理项目的施工管理是指从工程的准备阶段开始直到工程全部验收结束的整个过程中,在深化设计、设备材料采购、设备安装...
附录 D 太阳能热水系统隐蔽工程验收记录工程名称分项工程名称太阳能热水系统施工单位隐蔽工程项目项目经理专业工长分包单位分包项目经理...
住宅小区智能化系统工程验收标准(送审稿)1 总则1.0.1 为加强上海市住宅小区智能化系统工程的质量管理,统一竣工验收标准制定本规范。1....
- 1 - 自动监控系统工程图 建筑设备自动监控系统(Building Automation System。BAS)是采用先进的控制技术、检测技术、通信技术、计...
安全系统工程与安全评价【教学阐明】三个层次由低到高,高层次的规定包含低层次的内容.理解:对的理解大纲所列知识的含义、内容并可以应用....
第一阶段在线作业单项选择题第 1 题 安全是A、没有危险的状态B、没有事故的状态C、达到可接受的伤亡和损失的状态D、舒适的状态第 2 题...
序号设备名称规格型号数量单位品牌 单价(元)总价(元)1360球形摄像机SD53C22-PG-E1-X12台KITOZER/广州980.0011,760.002车牌专用摄像机H...
小区智能化系统工程合同小区智能化系统工程合同甲方:乙方:受甲方委托,乙方负责对小区智能化系统进行施工,为使工程保质保量按时完成,根...
《安全系统工程》试题一、填空题1、安全系统工程旳基本内容包括 识别 、风险评价和 分析 。2、根据《生产过程危险和有害原因分类与代码...

