1 中国科学院大学英语B 考试样题 声明:北京理工大学出版社出版的《中国科学院博士学位英语考试应试指南》依据的是旧的大纲,实际考试形...
分值:1.25考试名称:《新媒体运营》(2020-2021 第二学期期末考试)考试要求:认真作答,请勿作弊。试卷设置题型题目个数默认分值总分值...
KSB08012007金属材料拉伸试样
JIS rl &z&&;fl.+k JIS Z 2201: 1998 &*dh..+&& lest pleces for tenslle test for rnetalllc materials B *I?Ur&X JI...
JISG04162006钢及钢产品力学性能试验用试样的取样位置及试样制备
GB/T138222017压铸有色合金试样
分数题型题目2单选题在Fireworks中想要创建智能缩放和指派特定属性的图形元件可以使用哪种文件类型2单选题不同形状的切片与JavaScript代码...
金属拉伸试验试样金属拉伸试验试样本标准规定了各种金属产品常温拉伸试验用试样的一般要求,试样应按有关标准或双方协议的规定选用。本标准...
DIN50125_0401_金属材料抗拉试验的试样
一、单选题 1 当丢失了下拉菜单,可以用下面哪一个命令重新加载标准菜单: C A、 NEW B、OPEN C、MENU √ D、LOAD 2 在十字光标...
多媒体设计与制作课程考试样卷一、选择题(5 分*7):1、下列哪一个不属于多媒体的载体?(A)A 报纸B 蓝光碟片C Flash 闪存D 网络2...
美 容 师 初 级 理 论 知 识 试 卷 -样 题 2 一 、 单 选 题 (第 1 题 ~ 第 80 题 。 选 择 一 个 正 确...
网络系统管理与维护 考试样题 一、填空题(1 0 分) 1. 按网络的拓扑结构分类,网络可以分为总线型网络、(星型网络)和环型网络。 ...
第二章分析试样的采取和预处理
万维试题库系统 第 1 页 共 7 页 班级:________________ 姓名:________________ 学号:________________ _____ _ _____ _ ...
陕西省学业水平考试模拟题(生物)一、选择题(共 30 题,每题 2 分,共 60 分)1、20 世纪,生命科学逐步成为自然科学中最活跃的学...
1 金相试样制备方法时间 : 2010-01-08 22:05:48来源 : 作者 : 点击 :1 次金相检验 是研究金属及合金内部组织的重要方法之一,为...
金属材料 - 拉伸试验 - 标准试样类型及尺寸文件编号:作业指导文件金属材料拉伸试验标准试样类型及尺寸金属材料拉伸试验标准试样类型及...
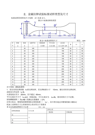
2、金属拉伸试验标准试样类型及尺寸标准试样的类型及尺寸见图2-1 及表 2-1。图 2-1 标准试样的类型表 2-1 标准试样的尺寸单位: mm...
实验十一、固体试样的质谱测定— 直接进样法一、实验目的1. 学习质谱分析的基本原理;2. 了解 Quattro Micro API质谱仪的基本构造、...

