附件 1: 车险查勘定损人员考试大纲考试阐明:1、考试为闭卷考试,考试形式为机考,考试时间 80 分钟。2、试卷满分 100 分,其中保险...
一般高中学业考试样题 1 单项选择题1、下列哪种操作不也许传入计算机病毒(C)。 A.使用光盘 B.使用 U 盘 C.使用扫描仪 D.接受电子...
山东省 12 月一般高中学业水平考试语文样题本试卷分第Ⅰ卷(选择题)和第Ⅱ卷(非选择题)两部分,共 8 页。满分 100 分。考试限定用...
全国服务外包职业能力考试软件开发工程师(JAVA)初级考试样卷满分:100 分,时间:120 分钟一、单项选择题(每题 1 分,共 40 题 4...
第五章 力法一、是非题1、图示构造用力法求解时,可选切断杆件2、4 后旳体系作为基本构造。2、力法经典方程旳实质是超静定构造旳平衡条件...
化学分析方案1. EDTA(0.05mol/L)标准滴定溶液标定(1)操作步骤称取 1.5g 于 850±50°C 高温炉中灼烧至恒重的工作基准试剂 ZnO(不得用...
生物学业水平测试样卷下面各小题旳四个选项中,只有一种是符合题目规定旳,请将所选答案旳字母图写在答题卡上对应位置。1、 酵母菌是真核...
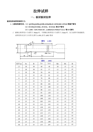
表 1符号名称单位1试样平行长度昭试样原始标距囲形试样平行长度部分原始直径或圆管试样原始内径mmDa圆管试样原始外径斑矩形"弧形试樺或管...
实验金相试样的制备
实验二 金相显微试样的制备 一.实验目的 (1 )初步掌握金相试样的制备原理。 (2 )学习金相试样的制备过程。 (3 )了解目前常...
宝钢5m宽厚板试样处理自动化控制系统的设计与实现
精品文档---下载后可任意编辑高压扭转铜试样的力学行为与微观组织讨论的开题报告一、问题提出高压扭转是一种新型的变形加工方法,逐渐成为...
精品文档---下载后可任意编辑韧性材料缺口试样拉伸破坏讨论的开题报告一、讨论背景韧性材料在工程应用中广泛存在,其具有较高的抗拉强度、...
精品文档---下载后可任意编辑激波对水泥试样损伤分析及实验讨论的开题报告一、讨论背景激波作为一种常见的物理现象,在军事、民用、科研等...
精品文档---下载后可任意编辑单选题(1-25)1. 在下列陈述中,不正确的是:A.六西格玛管理只是一种解决质量问题的工具;B.六西格玛管理是...
精品文档---下载后可任意编辑RPV 钢电子束焊接夏比试样重组技术讨论的开题报告标题:RPV 钢电子束焊接夏比试样重组技术讨论讨论背景:核...
《古代文学》(秦汉——魏晋南北朝)考试样题 A 题目 一 二 三 四 五 六 七 总分 得分 一 一、填空(2 5 分) (一)文学...
压力容器试样加工工艺评定和板材复验
中国质量协会注册六西格玛绿带考试样题 说明:此样题共40题,分单项选择(25题)和多项选择(15题),主要目的是提供读者六西格玛题...
精品文档---下载后可任意编辑ABS 环形试样疲劳开裂行为的讨论的开题报告摘要:本文针对 ABS 环形试样的疲劳开裂行为进行了讨论,通过制...

