促销员工作手册目录1、XXXXXX通讯发展有限公司简介二、促销员规章制度、管理规则2、服务规范标准3、销售安例与技巧4、零售店陈列标准5、相...
销售人员工作手册之三:客户主管工作手册(零售店管理)2004年3月目录第一部分工作职责与衡量标准1.1产品销售职责与衡量标准1.1.1职责概述1...
第1页共69页编号:时间:2021年x月x日书山有路勤为径,学海无涯苦作舟页码:第1页共69页人事部工作手册第2页共69页第1页共69页编号:时间:...
上海市普通高中学业水平考试《信息科技》考试工作手册上海市教育考试院二〇一〇年五月第1页共13页编号:时间:2021年x月x日书山有路勤为径...
第1页共47页编号:时间:2021年x月x日书山有路勤为径,学海无涯苦作舟页码:第1页共47页第一章组织架构及人员Nike运作零售部架构图品牌运作...
一、公路工程项目建设的基本程序第1页共28页1.根据规划,进行预可行性研究,通过工程现场踏勘和项目所在地区的经济调查,进行必要的社会效...
八、人力资源工作相关支持表格一、人事1)《人员增补申请表》2)《招聘渠道使用申请表》3)《背景调查表》4)《职位申请表》5)《体检通知书...
第1页共33页编号:时间:2021年x月x日书山有路勤为径,学海无涯苦作舟页码:第1页共33页自来水综合信息管理系统收收费费员员工工作作手手册...
安全防损工作手册苏果超市有限公司-1-行政中心—安全防损部二O一O年八月-2-第1页共118页编号:时间:2021年x月x日书山有路勤为径,学海无涯...
ZHPM工程规章制度手册A/0编号:WI/G版本号:A编制:日期:审核:日期:批准:日期:说明:红色印章为受控文件蓝色印章为非受控文件括号内...
培训质检部工作手册版本:A/0螇羈薆袃肆羇芆蚆羂肆莈袁袈肅蒀蚄螃肄蚃蒇膂肃莂螃肈肂蒅薅羄肂薇螁袀肁芆薄螆肀荿蝿肅腿蒁薂羁膈薃螇袇膇芃...
第1页共28页编号:时间:2021年x月x日书山有路勤为径,学海无涯苦作舟页码:第1页共28页封面第2页共28页第1页共28页编号:时间:2021年x月x...
人力资源管理手册(上部)1/45目录第一章手册的目的.......................................................................................
人事工作第2页共46页编号:时间:2021年x月x日书山有路勤为径,学海无涯苦作舟页码:第2页共46页手册目录第一章:制度目的及适用范围第二章...
工会操作手册二0一二年第1页共49页编号:时间:2021年x月x日书山有路勤为径,学海无涯苦作舟页码:第1页共49页目录新组建工会流程…………...
新郑市郭店镇第一初级中学“铸师魂、进万家”活动(2014-2015)家访工作手册班级:教师:以家访促师德以家访促成长第2页共66页编号:时间:...
南京金融中心安管工作手册安保员交接班制度交接班是安保员每日必须进行的工作,每名安保员都应该严格遵照《安保员交接班制度》做好当班的交...
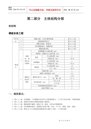
第1页共45页编号:时间:2021年x月x日书山有路勤为径,学海无涯苦作舟页码:第1页共45页第二部分主体结构分部砼结构模板安装工程主控项目1...
华润置地(上海)物业管理有限公司三阶文件橡树湾管理处保安工作手册CRPMSH/3/SH-XSW/BA/001版本:第A版修订次:1受控状态:受控接收部门:...
目录第一部分关于本科毕业设计(论文)工作...............................................................1一、教育部相关文件...........

