第1页共13页编号:时间:2021年x月x日书山有路勤为径,学海无涯苦作舟页码:第1页共13页第四节建设工程工程量清单计价编制示例某公寓楼工程...
重庆钢铁集团设计院施工招标文件建安工程量综合报价清单汇总表工程名称:重钢集团环保搬迁炼钢水处理系统工程施工分包序号子目名称招标人(...
第1页共46页编号:时间:2021年x月x日书山有路勤为径,学海无涯苦作舟页码:第1页共46页《建设工程工程量清单计价规范》有关问题答疑关于《...
第1页共4页编号:时间:2021年x月x日书山有路勤为径,学海无涯苦作舟页码:第1页共4页在实践中逐步完善工程量清单计价方法工程量清单计价是...
第1页共22页编号:时间:2021年x月x日书山有路勤为径,学海无涯苦作舟页码:第1页共22页第一节建筑工程工程量清单编制的计算规则及注意事项...
第1页共18页编号:时间:2021年x月x日书山有路勤为径,学海无涯苦作舟页码:第1页共18页山东省建设工程工程量清单计价规则山东省住房和城乡...
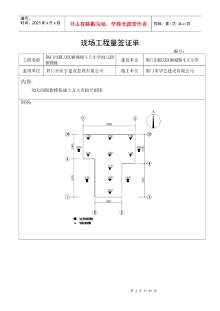
第1页共47页编号:时间:2021年x月x日书山有路勤为径,学海无涯苦作舟页码:第1页共47页现场工程量签证单编号:工程名称荆门市掇刀区麻城镇...
路基工程工程量清单计量与计价课件•工程量清单计量目录CONTENTS•路基工程计价•工程量清单计量与计价实例•工程量清单计量与计价软件应用...
第三册桥涵工程2017年1月批准部门:福建省住房和城乡建设厅审定部门:福建省建设工程造价管理总站主编单位:福州市建设工程造价管理站施行...
建筑工程招标投标中的工程量清单计价课件•建筑工程招标投标概述•工程量清单计价模式概述•工程量清单的编制•工程量清单计价的实施•工程...
工程量清单计价的意义与作用课件$number{01}目•工程量清单计价概述•工程量清单计价的意义•工程量清单计价的作用•工程量清单计价的基本...
工程量清单组价课件目录•工程量清单的组价•工程量清单的审核与调整•工程量清单组价的优化建议•工程量清单组价实例分析01工程量清单组价...
•概述•工程量清单的编制•工程量清单计价的方法•工程量清单计价法的应用•工程量清单计价法的改革与发展•结论目录contents概述工程量清...
工程量清单计价规则课件目录•工程量清单计价规则概述目录•工程量清单计价中的常见问题及解决方案•工程量清单计价案例分析工程量清单计价...
建设工程工程量清单计价规范讲解课件目录•工程量清单计价规范概述•工程量清单的编制•工程量清单计价的方法•工程量清单计价规范的应用与...
山东省建设工程工程量清单计价规则山东省住房和城乡建设厅文件鲁建发[2011]3号关于印发《山东省建设工程工程量清单计价规则》的通知各市住...
A.A土石方工程说明一、一般说明(一)土壤及岩石的分类见表A.A-1。表A.A-1土壤及岩石(普氏)分类表土石分类普氏分类土壤及岩石名称天然湿...
施工组织设计(方案)优化与工程量控制第一部分:施工组织设计(方案)优化一、施工组织设计(方案)与工程造价的关系,及方案优化的定义施...
总那么第0.0.1条为一致装置工程估算其工程量的盘算,特制定本规那么。第0.0.2条本规那么实用于装置工程施工图计划阶段体例工程估算及工程量...
工程量清单计价模式与实例分析沈巍武汉化工学院摘要:介绍了工程量清单计价的两种计价模式的差异,叙述了工程量清单各组成部分的内容和计价方...

