电脑桌面
添加小米粒文库到电脑桌面
安装后可以在桌面快捷访问

现场工程量签证单培训资料VIP免费

现场工程量签证单培训资料_第1页
1/47
现场工程量签证单培训资料_第2页
2/47
现场工程量签证单培训资料_第3页
3/47
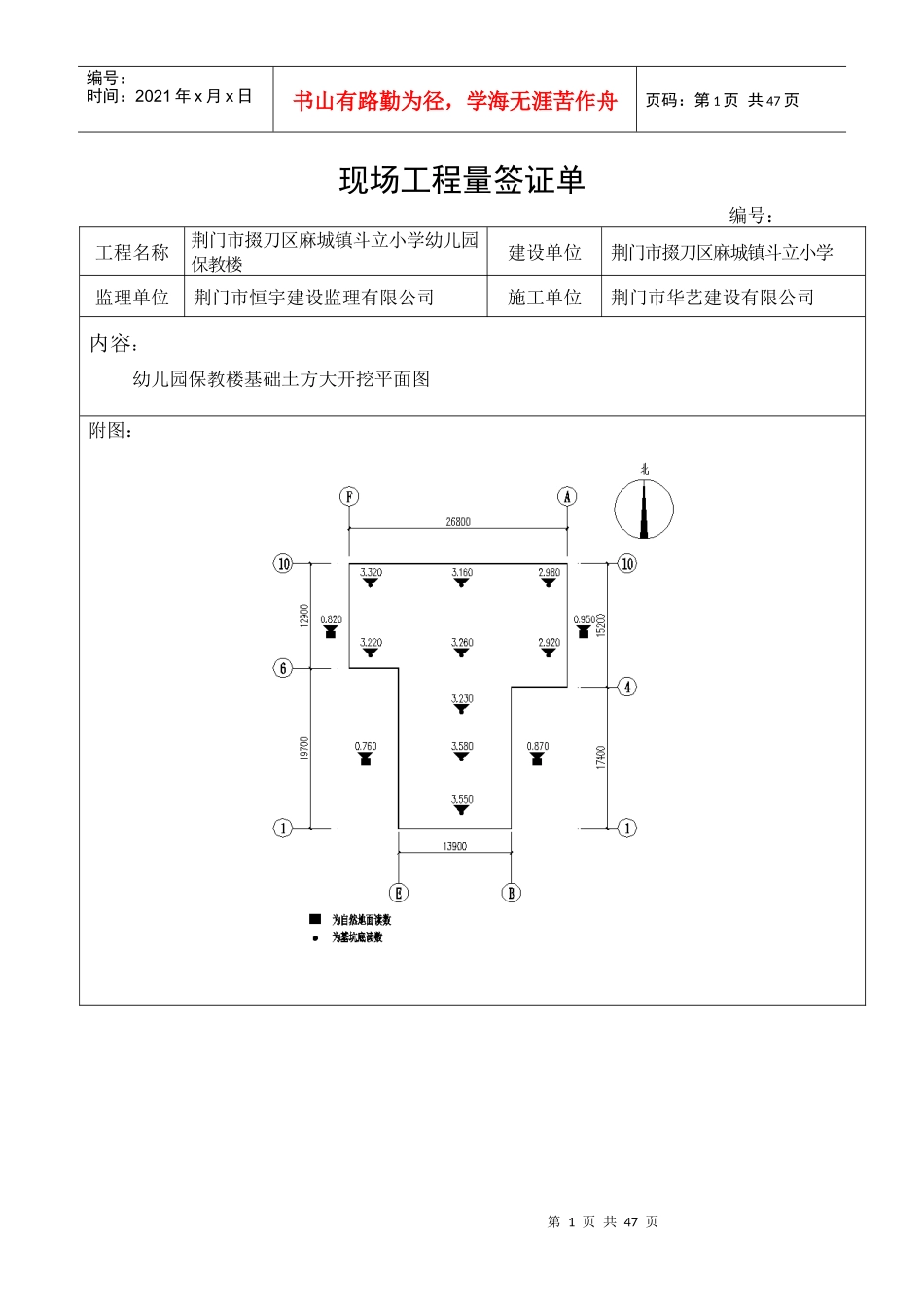
第1页共47页编号:时间:2021年x月x日书山有路勤为径,学海无涯苦作舟页码:第1页共47页现场工程量签证单编号:工程名称荆门市掇刀区麻城镇斗立小学幼儿园保教楼建设单位荆门市掇刀区麻城镇斗立小学监理单位荆门市恒宇建设监理有限公司施工单位荆门市华艺建设有限公司内容:幼儿园保教楼基础土方大开挖平面图附图:第2页共47页第1页共47页编号:时间:2021年x月x日书山有路勤为径,学海无涯苦作舟页码:第2页共47页施工单位(签字):年月日监理单位(签字):年月日建设单位(签字):年月日现场工程量签证单编号:工程名称荆门市掇刀区麻城镇斗立小学教学楼建设单位荆门市掇刀区麻城镇斗立小学监理单位湖北广域建设管理有限公司施工单位湖北高恒建设有限公司内容:教学楼基础土方大开挖平面图附图:第3页共47页第2页共47页编号:时间:2021年x月x日书山有路勤为径,学海无涯苦作舟页码:第3页共47页施工单位(签字):年月日监理单位(签字):年月日建设单位(签字):年月日现场工程量签证单编号:工程名称荆门市掇刀区麻城镇斗立小学幼儿园保教楼建设单位荆门市掇刀区麻城镇斗立小学监理单位荆门市恒宇建设监理有限公司施工单位荆门市华艺建设有限公司第4页共47页第3页共47页编号:时间:2021年x月x日书山有路勤为径,学海无涯苦作舟页码:第4页共47页内容:从幼儿园保教楼东边用挖机、农用车转土回填教学楼东面深坑及道路修复,费用共计壹万元整。施工单位(签字):年月日监理单位(签字):年月日建设单位(签字):年月日现场工程量签证单编号:第5页共47页第4页共47页编号:时间:2021年x月x日书山有路勤为径,学海无涯苦作舟页码:第5页共47页工程名称荆门市掇刀区麻城镇斗立小学幼儿园保教楼建设单位荆门市掇刀区麻城镇斗立小学监理单位荆门市恒宇建设监理有限公司施工单位湖北高恒建设有限公司内容:甲方要求一至三楼所有窗台均增加大理石台面并磨边,长121m,宽0.15m。施工单位(签字):年月日监理单位(签字):年月日建设单位(签字):年月日第6页共47页第5页共47页编号:时间:2021年x月x日书山有路勤为径,学海无涯苦作舟页码:第6页共47页现场工程量签证单编号:工程名称荆门市掇刀区麻城镇斗立小学幼儿园保教楼建设单位荆门市掇刀区麻城镇斗立小学监理单位荆门市恒宇建设监理有限公司施工单位湖北高恒建设有限公司内容:一楼活动室为装修美观增设梁如下图示(一):长(7.35+6.85),宽0.24m,高0.20m;二楼活动室为装修美观增设梁如下图示(一):长(7.35+6.85),宽0.24m,高0.20m。第7页共47页第6页共47页编号:时间:2021年x月x日书山有路勤为径,学海无涯苦作舟页码:第7页共47页施工单位(签字):年月日监理单位(签字):年月日建设单位(签字):年月日现场工程量签证单编号:工程名称荆门市掇刀区麻城镇斗立小学幼儿园保教楼建设单位荆门市掇刀区麻城镇斗立小学监理单位荆门市恒宇建设监理有限公司施工单位湖北高恒建设有限公司第8页共47页第7页共47页编号:时间:2021年x月x日书山有路勤为径,学海无涯苦作舟页码:第8页共47页内容:一楼楼梯间内侧原设计地面为水泥砂浆,甲方要求改为粘贴地面砖:3.3m*4.6m;3.3m*6.25m。施工单位(签字):年月日监理单位(签字):年月日建设单位(签字):年月日现场工程量签证单编号:第9页共47页第8页共47页编号:时间:2021年x月x日书山有路勤为径,学海无涯苦作舟页码:第9页共47页工程名称荆门市掇刀区麻城镇斗立小学幼儿园保教楼建设单位荆门市掇刀区麻城镇斗立小学监理单位荆门市恒宇建设监理有限公司施工单位湖北高恒建设有限公司内容:原设计卫生间为成人隔断已安装完成,甲方要求将已安装完毕的成人隔断拆除,重新安装幼儿隔断(每层三个),隔断材料为防潮实木颗粒板,厚度为25mm,螺钉固定。隔断如下图示(一)。施工单位(签字):年月日监理单位(签字):年月日建设单位(签字):年月日第10页共47页第9页共47页编号:时间:2021年x月x日书山有路勤为径,学海无涯苦作舟页码:第10页共47页现场工程量签证单编号:工程名称荆门市掇刀区麻城镇斗立小学幼儿园保教楼建设单位荆门市掇刀区麻城镇斗立小学...

1、当您付费下载文档后,您只拥有了使用权限,并不意味着购买了版权,文档只能用于自身使用,不得用于其他商业用途(如 [转卖]进行直接盈利或[编辑后售卖]进行间接盈利)。
2、本站所有内容均由合作方或网友上传,本站不对文档的完整性、权威性及其观点立场正确性做任何保证或承诺!文档内容仅供研究参考,付费前请自行鉴别。
3、如文档内容存在违规,或者侵犯商业秘密、侵犯著作权等,请点击“违规举报”。

碎片内容

现场工程量签证单培训资料

确认删除?
VIP
微信客服
  • 扫码咨询
会员Q群
  • 会员专属群点击这里加入QQ群
客服邮箱
回到顶部