见证初心十一书心得体会范文精选3篇见证初心十一书心得体会范文【1】《十一书》记载了十一位革命先烈,用生命书写的十一例对党忠诚、为党奉...
见证取样员培训心得本人于××年××月××日至××日在×××参加了××年××检测见证取样员的学习与培训,通过此次学习,总结心得体会如...
专业合同封面COUNTRACTCOVER20XXPERSONALRESUME甲方:XXX乙方:XXX2024二手房产交易律师见证合同本合同目录一览第一条:合同主体及定义1.1...
下载后可任意编辑疫情纪录片《见证》观后感及心得体会疫情纪录片《见证》观后感及心得体会【一】这个世界上没有大家所说的“超级英雄”只有...
《党委会工作方法》心得体会:经验的总结真理的见证《党委会工作方法》心得体会:经验的总结真理的见证《党委会工作方法》心得体会:经验的...
下载后可任意编辑律师见证委托的合同范本篇一:律师见证委托协议(模板)(以下简称甲方)因文件签署事由,委托北京市浩东律师事务所(以下简...
此资料由网络收集而来,如有侵权请告知上传者立即删除。资料共分享,我们负责传递知识。律师见证委托合同范本律师见证业务随我国的改革开放...
此资料由网络收集而来,如有侵权请告知上传者立即删除。资料共分享,我们负责传递知识。律师见证委托合同以下是范文网小编整理的律师见证委...
黑龙江省建设工程质量检测见证取样和送检规定第一章总则第一条为了加强建设工程质量监督管理,进一步规范建筑材料和现场实体质量检测工作,...
下载后可任意编辑2024年观见证纪录片个人观后感2024年观见证纪录片个人观后感【一】新型冠状病毒肺炎发生以来,我们看到了无数个“逆行者”...
外墙保温见证取样送检计划一、编制依据:1、《建设工程质量管理条例》;2、建设部建建(2000)211号“关于印发《房屋建筑工程和市政基础设...
此资料由网络收集而来,如有侵权请告知上传者立即删除。资料共分享,我们负责传递知识。见证初心十一书心得体会范文精选3篇历史是最好的教...
试验监上库及公共设下库及公共设引水厂房工机电金结工见证点(W点)、停工待检点(H点)、旁站点(S点)的工程质量监理计划及措施质量是工...
怀化经开区公租房见证取样送检计划湖南大地建设项目管理有限公司怀化经开区公租房项目监理部2015年11月3日一、编制说明根据建设部《房屋建...
第8周国旗下的讲话:青春见证努力微笑铸就成功参考发言稿尊敬的教师们、亲爱的同学们:大家好!今天国旗下讲话的标题是:青春见证努力微笑...
基础土方回填材料见证取样要求和一般技术处理措施时间::2012-11-04栏目:试验物资编辑:建筑质检员点击:1519次基础回填材料取样方法一、取样...
1/10人防见证取样实施方案2/10————————————————————————————————作者:————————————————...
试验取样计划目录E2M1地块数字电视产业园配套厂房工程试验取样计划一、工程概况………………………………………………………1二、编制依据...
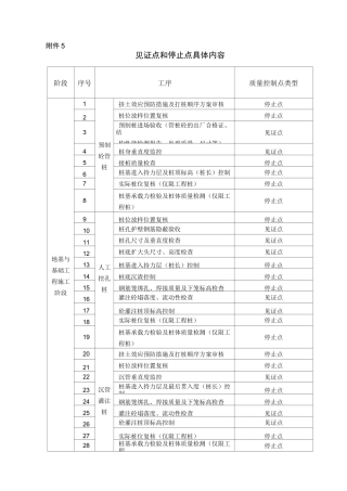
附件5见证点和停止点具体内容阶段序号工序质量控制点类型地基与基础工程施工阶段1预制砼管桩挤土效应预防措施及打桩顺序方案审核停止点2桩...
下载后可任意编辑党员干部观《见证》心得体会范例三篇党员干部观《见证》心得体会范例疫情就是命令,防控就是责任。面对新型冠状病毒感染肺...

