电脑桌面
添加小米粒文库到电脑桌面
安装后可以在桌面快捷访问

工程施工之见证点和停止点VIP免费

工程施工之见证点和停止点_第1页
1/8
工程施工之见证点和停止点_第2页
2/8
工程施工之见证点和停止点_第3页
3/8
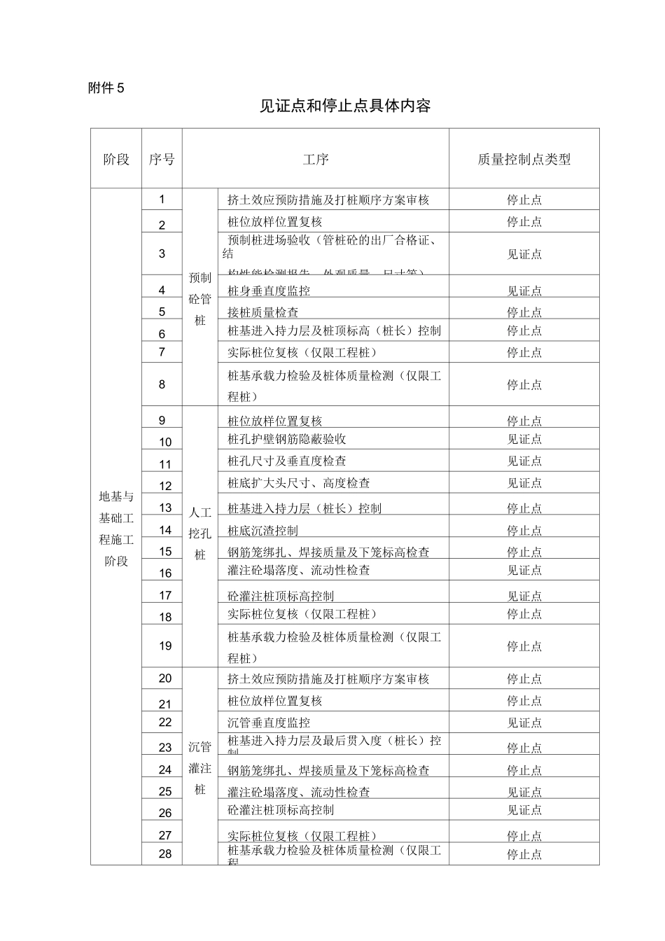
附件5见证点和停止点具体内容阶段序号工序质量控制点类型地基与基础工程施工阶段1预制砼管桩挤土效应预防措施及打桩顺序方案审核停止点2桩位放样位置复核停止点3预制桩进场验收(管桩砼的出厂合格证、结构性能检测报告、外观质量、尺寸等)见证点4桩身垂直度监控见证点5接桩质量检查停止点6桩基进入持力层及桩顶标高(桩长)控制停止点7实际桩位复核(仅限工程桩)停止点8桩基承载力检验及桩体质量检测(仅限工程桩)停止点9人工挖孔桩桩位放样位置复核停止点10桩孔护壁钢筋隐蔽验收见证点11桩孔尺寸及垂直度检查见证点12桩底扩大头尺寸、高度检查见证点13桩基进入持力层(桩长)控制停止点14桩底沉渣控制停止点15钢筋笼绑扎、焊接质量及下笼标高检查停止点16灌注砼塌落度、流动性检查见证点17砼灌注桩顶标高控制见证点18实际桩位复核(仅限工程桩)停止点19桩基承载力检验及桩体质量检测(仅限工程桩)停止点20沉管灌注桩挤土效应预防措施及打桩顺序方案审核停止点21桩位放样位置复核停止点22沉管垂直度监控见证点23桩基进入持力层及最后贯入度(桩长)控制停止点24钢筋笼绑扎、焊接质量及下笼标高检查停止点25灌注砼塌落度、流动性检查见证点26砼灌注桩顶标高控制见证点27实际桩位复核(仅限工程桩)停止点28桩基承载力检验及桩体质量检测(仅限工程停止点桩)29桩位放样位置复核停止点30钻头直径、磨损程度及钻杆垂直度监控见证点31泥浆比重检查见证点32钻孔灌注桩桩基进入持力层(桩长)控制,岩样检查、入岩深度控制停止点33钢筋笼绑扎、焊接质量及下笼标高检查停止点34灌注砼前桩底沉渣厚度检查停止点35灌注砼塌落度、流动性检查见证点36砼灌注桩顶标高控制见证点37实际桩位复核(仅限工程桩)停止点38桩位放样位置复核见证点39钻杆垂直度监控见证点40水泥搅拌桩水泥进场验收(水泥品种、质量、数量及外加剂等)停止点41水泥浆比重检查见证点42钻头进入深度和桩顶标高(桩长)控制见证点水泥用量、外加剂用量、水泥浆拌制的罐数、43压浆过程中是否有断浆现象、喷浆搅拌提升速度以及复搅次数等检查见证点44钻芯取样检查停止点45试桩确定桩径及施工工艺参数停止点46桩位放样位置复核见证点47钻杆垂直度监控见证点48高压旋喷桩水泥进场验收(水泥品种、质量、数量及外加剂等)停止点49水泥浆比重检查见证点50钻头进入深度和桩顶标高(桩长)控制见证点51水泥用量、外加剂用量、注浆流量、压力、钻杆提升速度等检查见证点52钻芯取样检查停止点53地下室外墙处施工缝、后浇带及基础挑板处附加防水层检查停止点54地下室外墙施工缝止水条检查见证点55地下室外墙后浇带止水钢板检查见证点56底板变形缝、后浇带附加加强层检查以及底板变形停止点缝、后浇带外贴、中埋式止水带检查57穿墙线管防水材料密封嵌填检查见证点58穿墙螺杆孔洞或防水螺栓清孔、扩孔检查及穿墙螺杆孔洞附加防水层检查停止点59出地下室顶板室外管道预留孔洞凿毛、清理检查以及附加防水层检查停止点60预留孔洞吊模质量检查及预留孔洞分次封堵检查见证点61地下室顶板防水构造检查(重点:分格缝、隔离层)见证点62地下室外墙板防水施工前的检查停止点63地下室回填土前的检查见证点64首层及首个标准层的主体施工测量、放线检查停止点65首层、首个标准层、屋面模板工程的轴线、标高、平整度、垂直度、起拱检查停止点66对模板的固定、支撑、接缝、表面清理等检查,柱、梁、墙截面尺寸、电梯井道坐标、位置、几何尺寸等检查见证点主体工程施工阶段67预埋件规格、位置、固定检查以及预留孔洞坐标、位置、几何尺寸检杳见证点68外墙空调孔洞、穿墙螺杆孔洞预留坡度检查停止点69钢筋工程措施钢筋以及钢筋马櫈位置、间距、固定检查停止点70砼塌落度、流动性检查见证点71梁、板施工缝、后浇带留置措施检查停止点72砼养护措施检查见证点73砌体工程的轴线、放线按抽检比例检查停止点74砌体工程的拉结钢筋、构造柱钢筋检验以及砼埋块位置、规格抽检砌体工程的基层清扫检查停止点75砌体工程的底砌检查(轴线、房间方正)及皮数杆抽检见证点76每天砌筑咼度不超过1.2米抽检见证点77预埋管线墙体开槽、修补抽检见证点装饰工程施工阶段7...

1、当您付费下载文档后,您只拥有了使用权限,并不意味着购买了版权,文档只能用于自身使用,不得用于其他商业用途(如 [转卖]进行直接盈利或[编辑后售卖]进行间接盈利)。
2、本站所有内容均由合作方或网友上传,本站不对文档的完整性、权威性及其观点立场正确性做任何保证或承诺!文档内容仅供研究参考,付费前请自行鉴别。
3、如文档内容存在违规,或者侵犯商业秘密、侵犯著作权等,请点击“违规举报”。

碎片内容

工程施工之见证点和停止点

您可能关注的文档

确认删除?
VIP
微信客服
  • 扫码咨询
会员Q群
  • 会员专属群点击这里加入QQ群
客服邮箱
回到顶部